Bazz Fuss
Por MBC


Bazz Fuss

BAZZ FUSS

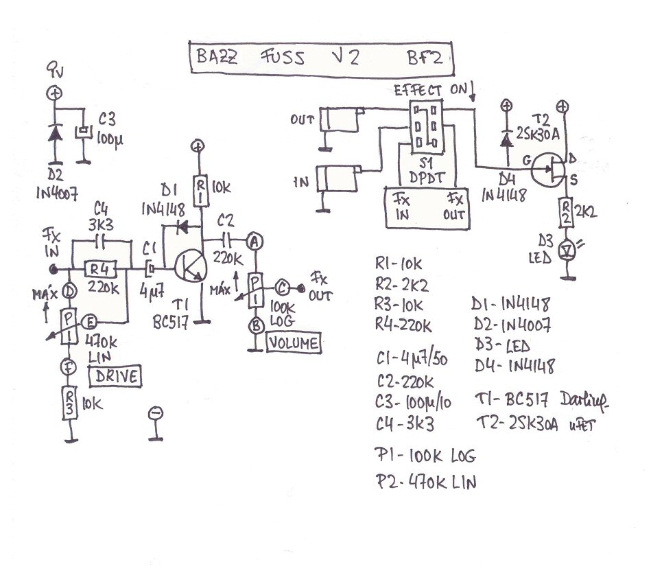
Hola otra vez a toda la peña. Os presento hoy un distorsionador que encontré hace una temporada en runoffgroove.com. Se trata de un circuito extraordinariamente sencillo de montar y, sin embargo, de una calidad de sonido excepcional. Ideal para principiantes (ya que es verdaderamente difícil equivocarse) y sorprendente para los que ya llevamos una temporada montando pedalitos de distorsión. Y os lo digo yo, que tengo montado el Tube Screamer TS-808, el Big Muff Pi, el Fender Blender, el MXR distortion+ y algunos más. Dentro de runoffgroove encontraréis varias versiones de este efecto y mogollón de comentarios sobre su historia. Todo ello muy interesante. Os cuento un poco las modificaciones que he realizado y el por qué.



Primero monté la versión 2 (la del darlington) y el sonido me encantó. Dulzón y no excesivamente agresivo. El caso es que me dí cuenta de que si bajaba el volumen de la guitarra el efecto cambiaba de Fuzz a una especie de Treble Booster. No bajaba el nivel de sonido sino que lo limpiaba; ganaba en agudos y no tenía una bajada de volumen verdaderamente evidente hasta que el pote de la guitarra estaba casi al mínimo.

Me quedé un tanto asombrado hasta que lo probé con otra guitarra y pude comprobar que con ésta la respuesta al control de volumen era totalmente distinta. Aquí SÍ que bajaba el volumen sin dejar de sonar el fuzz. ¿Qué estaba pasando? Pues pasaba lo siguiente: la primera guitarra que usé era una de mis maravillosas Leduc (creo que soy el único tío en este país que tiene dos Leduc). En el control de volumen mi amigo y luthier Toni Fayos me había hecho una modificación para que los agudos de la guitarra no bajasen al bajar el volumen.

Se trata de un kit sencillísimo: una resistencia de 220k y un condensador de 3k3 montados en paralelo. El conjunto se suelda entre el cursor del potenciómetro de volumen y la pata contraria a masa. El resultado es el que os he comentado más arriba: un hermoso Treble Booster ultra nítido. Total, que ésa es precisamente la primera modificación que le he hecho al circuito: R4, C4, el pote de "Drive" P1 y una resistencia de 10k (R3) para que la ganancia no sea nula al poner el pote al mínimo.

Las otras dos modificaciones son casi de cajón: D2 y C3 forman el protector contra inversión de polaridad y el filtro de alimentación; y T2, D4, R2 y el led D3 forman el Millenium True Bypass.

Todo el conjunto lo he metido en una placa del estilo de las que ya tengo puestas en esta página, con el hueco para la toma de alimentación y todo el rollo. Por cierto, ya que me sobraba tanto sitio en la placa, la diseñé para que los potes puedan insertarse directamente en ella, con unos cables super cortos para dar más robustez al conjunto. Por eso la mayoría de los componentes están en el centro de la placa: para que los potes quepan pegaditos a ella.



Para los más novatos este circuito es el ideal: tiene tan pocos componentes que da risa. Los más expertos van a flipar con el sonido que entrega. Yo tengo poco que añadir. Espero que alguien se decida a montarlo y comente el resultado. Insisto en que los que están empezando o tienen poca experiencia con esto del pedaleo tienen aquí un circuito con el 100% de fiabilidad y con una calidad de sonido extraordinaria. Ya me diréis algo.



Modificación relativamente interesante

Debido a la disposición geográfica de mi casa en relación con un repetidor de la cadena SER tengo la desgracia de escuchar esa emisora de radio con mucha más frecuencia de la que desearía. Hace unos días descubrí aterrado que mi queridísimo Bazz Fuss ejercía labores de antena de radio sin que nadie se lo pidiera ni agradeciera. Leyendo documentación por ahí se me ocurrió añadirle un condensador de pequeña capacidad entre la entrada del circuito y masa. Le puse C5, de 100 pF y dejé de oir automáticamente los 40 principales, programa, por cierto, que he llegado a odiar porque se me cuela hasta por el teléfono. Yo no aprecio cambios sustanciales en el sonido del efecto y, desde luego, la radio ya no se oye. Aquí podéis ver el esquema, la placa con componentes y el fotolito con el condensador que os he comentado en su sitio.

También podéis apreciar cómo me ha quedado el último prototipo que he montado, con sus botones chicken head rojos. Podéis apreciar los botones giran sobre la Retex i413 sin ni siquiera rozarse:




Un Bazz Fuss bizco

Os adjunto este pequeño fichero de demostración, ejecutado con la desfachatez y falta de decoro que me caracterizan:

Bird.mp3. 667KB.


Para saber más: Bazz Fuss en el foro de guitarrista.org.


Kilroy Was Here
©Miguel Badía para Piso-tones Ltd. | Foro GORG.