Versiones del Big Muff Pi
por "psst"
English Version



Todo empezo buscando los sonidos de Dave Gilmour para mi grupo (The Pink Tones), ya que su sonido, aunque sé positivamente que es un Big Muff, no me sonaba igual que mi Big Muff, asi que sospechaba que habia varias diferencias entre versiones.
Despues de mucho buscar esquemas, versiones y sonidos de las diferentes epocas del Big Muff, y de ver la informacion liada, poco centralizada y contradictoria que hay por ahi, me decidi a investigar un poquito y poner un poco de orden.

Hay varias versiones del Big Muff, cambiando valores y diseños graficos, pero no son tan poco coherentes entre ellos como se suele decir. La tan traida y llevada frase de que Electro-Harmonix simplemente cojia los componentes que tenia a mano puede ser verdad hasta cierto punto, ya que en los muchos pedales examinados he encontrado bastante coherencia entre modelos iguales.

A grosso modo, se puede hablar de las siguientes versiones:

  • El Triangle Big Muff. Se le denomina asi por la disposicion en forma triangular de los potenciomentros. Tiene un switch para encender y apagar. No tiene LED ni conector de alimentacion externa. Transistores PNP. El sonido es una distorsion muy musical y con mucho sustain. Es el mejor considerado de todos. Usado por Gilmour a partir de la mitad de la gira actual de On An Island.


  • Triangle Big Muff (2ª versión), version un poco posterior. Usa transistores NPN, y el circuito tiene menos ganancia.

  • Ram's Head Big Muff. Cambio total de look, ahora embutido en una caja mucho mas grande, los potes pasan a estar en linea, y las letras son rojas. Usa transistores PNP. Tiene un poquito menos de ganancia respecto del primer Triangle. La disposicion del circuito de tono hace que tenga un scoop de medios muy pronunciado, lo que hace que tenga su truco si quieres usarlo en el contexto de banda. Este modelo es el que se hizo en Pisotones (la version de Calambres). Tambien es el que usaba Dave Gilmour en la gira de The Wall, tal y como se puede ver en esta foto (de los dos pedales sobre la pedalera Cornish, el de la izquierda es un Electric Mistress flanger, y el de la derecha el Ram's Head Big Muff):








  • Tercera edicion. Este es el que tiene los graficos que ahora se asocian con el Big Muff americano que actualmente se vende. Transistores NPN.Mas bestia e incontrolado.


  • Tercera edicion con bypass de tono. Mismo circuito menos algunos pequeños cambios (cambio de 3 condensadores de 1uF a 0.1) y un switch para saltarse el control de tono, lo que le da muchos mas medios.

  • Tercera edicion con opamp. Odiada por unos y preferida por otros, cambia de transistores a amplificadores operacionales.



    Versiones rusas:



  • Civil War Big Muff. Es el que usaba Gilmour en la gira del Momentary Lapse Of Reason, como se ve en la foto. Menos ganancia que el Tercera Edicion y tono con mas medios.




  • Green Russian Big Muff. Muy parecido al Civil War pero ligeramente mas aspero.



  • Actual reedicion rusa del Big Muff.






    Esquemas:



    Partiendo del esquema de Tonepad, que esta muy limpito dibujado, he hecho los esquemas de otras versiones, basado tanto en esquemas encontrados por internet como observacion y traceo de detalladas fotos de los pedales originales

    Triangle (first edition)

    Traceado de primera mano por Single Coil

    Transistores, PNP Silicon FS36999
    En la web de singlecoil, en el esquema que sale, estan mal los valores de los potes y los diodos y el condensador de 50n, que los tiene dibujados al reves.

    Triangle (second edition)

    dibujado por Tonepad. Traceado de primera mano por Aron

    Transistores, NPN 2N5133
    Diferencias con el otro triangle:
  • Los diodos y el condensador de 50n estan situados al reves que en el otro.
  • Falta un condensador paralelo a la res de 390k en el primer transistor.
  • Resistencia de entrada 3k3.
  • Falta resistencia a tierra en el transistor 2.
  • Las resistencias del collector (o emiter en este caso) a tierra cambian en los 3 primeros transistores, 820, 150 y 820 en vez de 100, 100 y 100.

    Ram's Head

    Traceado de primera mano por AMZ

    Transistores, PNP 2N5087

    Proyecto en pisotones.com

    Violet Ram's Head

    Traceado de primera mano por mí a partir de las fotos y anotaciones de FMK

    Transistores, NPN Silicon FS36999
    Interesante que es prácticamente el mismo circuito de la version 3 excepto que los condensadores son de 0.1 en vez de 1, lo que lo hace mas controlable en graves, y un cambio en la resistencia a tierra de la parte de Tono del circuito, siendo 39k en vez de 100k, lo que lo hace tener ligeramente menos medios (mismo tonestack que el Triangle), aunque no tan pocos como el Ram's Head.
    Ademas en el segundo transistor la resistencia a +9V es de 10k en vez de 15k.

    Third edition

    dibujado por Tonepad

    Transistores, NPN 2N5088
    Muy seguramente la resistencia que falta (Ra) es de 100k. Esta es tambien la version que esta en GGG, aunque cambia los condensadores de 1u a 0.1u.

    Opamp version



    American Reissue


    Traceado originalmente por MBC. Mas parecido a las versiones rusas. Sonido no tan oscuro.

    Proyecto en pisotones.com

    Civil War Russian

    Traceado de primera mano por mí a partir de detalladas fotos enviadas por Kyle Hemly


    Green Russian

    dibujado por Tonepad

    Russian reissue actual

    Traceado originalmente por MBC. Las diferencias con el green russian son insignificantes, simplemente 3 valores de resistencias (la que pone el minimo de sustain, que en el green es 1k y en el black 10k, que la de 20k en el tonestack pasa a ser 22k en el black, y la resistencia a tierra del ultimo transistor es de 2k7 en vez de 2k).

    Proyecto en pisotones.com

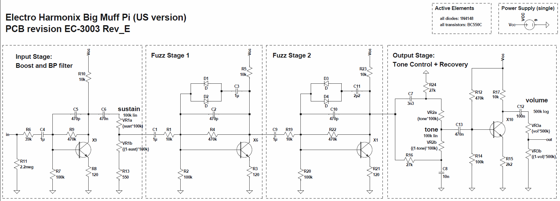
    EC-3003 Rev_E

    Traceado por Kristjan Dempwolf. Alemania 2013.






    Graficos de frecuencias:

    Obtenidos con el simulador "ToneStack Calculator" de Duncan Munro en su web www.duncanamps.com .

    Con el pote de Tono por la mitad.

    Triangle



    Ram's Head



    Third edition



    Green russian






    Kilroy Was Here
    ©psst | guitarristas.org