Restauración de radio Lavis 980
por Calambres





Introducción

En este documento intentaré mostrar los pasos que seguí para restaurar esta radio que hace unos años me encontré en la calle, en el suelo al lado de unos contenedores de basura. La radio no tenía mala pinta e incluso llevaba enrollado a su alrededor el cable de alimentación.

Se trata de un receptor bastante grande, más de 50cm de ancho, y bastante pesado a pesar de ser portátil. De hecho tiene una especie de asa trasera para transportarlo y funciona tanto a pilas como a red (125V y 220V). Al hecho de ser una radio ya bastante grande y pesada se le une el hecho de necesitar 6 pilas de 1.5V de tipo D, “de las gordas”, poniendo en duda de si se trata realmente de una radio portátil o no. Debe andar por los 5Kg con pilas.

La tuve varios años almacenada en casa esperando el momento en que me decidiese a intentar restaurarla. Al fin me puse a ello y aquí os cuento cómo lo hice.

La radio tal y como la encontré funcionaba aunque con un fuerte zumbido y mala capacidad de recepción. Además tenía otros síntomas:

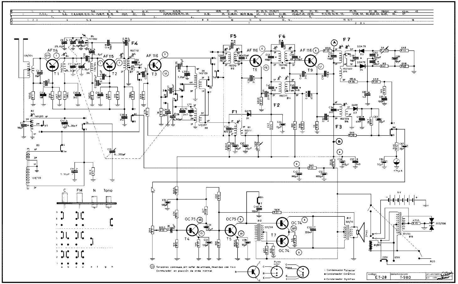
Cuando por fin me decidí a restaurarla lo primero fue buscar el esquema en internet lo que no me resultó difícil pues estaba en radiomuseum.org, página web de referencia para estos casos. El problema es que sólo estaba disponible el propio esquema, no las instrucciones de ajuste y alineación por lo que seguí buscando. Al final encontré un hilo del foro Elvalvulas.com en el que se hablaba de la existencia de ese documento y de cómo se distribuyó entre algunos usuarios de dicho foro. Desgraciadamente esos usuarios ya no están por dicho foro y no pude conseguir el documento por lo que tuve que investigar con la ayuda inestimable de varios otros usuarios de dicho foro, sin los cuales este proyecto no habría podido tener éxito. Todo el proceso se desarrolló en este hilo: Intento de restauración de una Lavis 980.

Como se puede leer en dicho hilo, aunque tengo experiencia en electrónica, sobre todo en audio, soy bastante novato en este tema en concreto así que esta guía se ha de tomar con precaución pues, aunque estuve muy bien asesorado por gente que sí que sabe de esto, yo no soy ningún experto.

Con toda esta ayuda escribí una versión inicial de este artículo que se publicó aquí. Al tiempo, el compañero del foro Jave se uso en contacto conmigo ofreciéndome el manual de servicio de esta radio. Al recibirlo me dí cuenta de que algunas de las cosas que se indicaban en dicho artículo inicial no eran correctas así que he reescrito buena parte de él y esto es lo que ahora estás leyendo.

MANUAL DE SERVICIO:

Como acabo de decir, el compañero Jave del foro Elvalvulas.com amablemente me hizo llegar unas fotocopias del manual de servicio de esta radio. Se incluían un par de fotocopias en formato A3 para las cuales no tengo escáner por lo que he hecho unas simples fotos. Valen como referencia pero como la resolución no es suficientemente buena al final he dividido cada una de las dos fotocopias A3 en dos imágenes A4 con zonas comunes, mucho más detalladas, para así poder seguir bien los esquemas y gráficos. El resultado lo tenéis a continuación:

MANUAL DE SERVICIO LAVIS T-980


NOTA: Aunque al modelo se le conoce por Lavis 980 realmente es el T-980, tal y como se indica en este manual y en los siguientes esquemas. Todos los modelos de radios Lavis de transistores empezaban pot "T-".

PRIMER PASO: Obtención del Esquema

Como ya he dicho, el esquema lo obtuve originalmente de radiomuseum.org:

Lavis 980 en radiomuseum.org

A continuación os muestro el esquema típico de esta radio disponible en radiomuseum.org.


Esquema de la radio LAVIS 980

Podéis conseguir este esquema esta URL: Esquema de la Lavis 980

Sin embargo este esquema, aunque totalmente válido para lo que queremos hacer, no es exactamente el de mi ejemplar de LAVIS 980. Han habido varias revisiones del modelo y el esquema anterior es de una de ellas que no contempla un pequeño “balún” que lleva la mía entre la toma externa de antena de FM y el resto de la circuitería de antena. Este es el esquema de mi versión de la radio con esa toma de antena externa:

.
Esquema con el "balún".
Pincha en el esquema para verlo ampliado.

En el Manual de Servicio LAVIS T-980 antes indicado veréis que aparece reflejado otro modelo más, el que tiene "balún" y botón de CAF (Control Automático de Frecuencia):

.
Esquema con el "balún" y CAF.
Pincha en el esquema para verlo ampliado (Más detalle aún en el pdf).

Todos estos esquemas representan la radio funcionando en AM o “Normal” como se indica en la botonera. En la parte inferior izquierda se representa dicha botonera y cómo actúa. En la parte superior de ambos esquemas hay una guía de posicionamiento de componentes muy útil para buscar los códigos de esos componentes con su representación en el esquema. Así:

Una particularidad de este circuito es que, al contrario de lo que suele ser habitual hoy en día, la masa es positiva. Esto es debido a que utiliza transistores de Germanio de tipo PNP. Se puede apreciar que los condensadores electrolíticos tienen conectado el terminal “+” a masa. Hay que tener mucho cuidado con esto y no invertir polaridades, lo que podría crear un problema serio.

Y hablando de diferentes versiones de esta radio, aquí tenéis una foto de la versión con una botonera con cinco botones, siendo el quinto para activar o desactivar el Control Automático de Frecuencia (CAF):


LAVIS 980 con cinco botones.

La mía es de cuatro botones al igual que los dos primeros esquemas antes citados.

SEGUNDO PASO: Desmontaje del chasis y Sustitución de Condensadores Electrolíticos

Ese zumbido del que hemos hablado, muy notorio, tenía toda la pinta de estar producido por los condensadores electrolíticos de filtro C51 (1000uF) y C47 (100uF). Estos condensadores, al igual que el resto de electrolíticos de la radio, estaban “secos” por el paso del tiempo (esta radio es de finales de los ‘60 o, más bien, de principios de los ‘70) así que aproveché el cambio de estos dos sospechosos para cambiar todos los electrolíticos. Para poder hacer estos cambios hay que desmontar la radio cosa que, francamente, es muy trabajosa; no es muy difícil pero sí que se lleva bastante tiempo. Una vez quitada la tapa plástica trasera vemos que el mueble está dividido en dos secciones, a la izquierda lo que es el receptor en sí y a la derecha lo que es la fuente de alimentación, el altavoz y las antenas.


Interior de la radio una vez hechas todas las modificaciones.

Para poder desmontar la parte del receptor hay que seguir los siguientes pasos:

Llegados a este punto, el único modo de sacar el chasis, que está ajustadísimo al mueble, es sujetarlo por el subchasis desmontable que contiene la toma de red y la toma de antena externa, a modo de asa, y desplazarlo todo lo posible hacia la derecha, hacia la fuente/altavoz y hasta que hagamos tope con un nervio de madera. Al hacer eso habremos liberado los ejes del potenciómetro y mando de sintonía de sus agujeros de paso a través del mueble y ya podremos tirar hacia arriba del conjunto y sacarlo del todo. Veremos que la cosa va tan justa que en el propio mueble hay unos cajeados en la madera para hacer sitio a los transformadores de audio por arriba y a los tornillos de sujeción del subchasis abajo. De nuevo, más fácil verlo y hacerlo que explicarlo.

Ya con el chasis quitado, veremos que es solidario a la placa trasera del dial. Para poder trabajar en la trasera de los circuitos impresos debemos quitar esa placa para lo cual desatornillaremos los cuatro tornillos que la sujetan al chasis y, con mucho cuidado, sacaremos la aguja del dial de uno de sus alojamientos para así sacar el fondo de aluminio del dial con el extraño mapamundi que lleva grabado. Una vez hecho, aconsejo el desmontar la aguja completamente del hilo del dial, con sus dos “patines” de los extremos también para evitar problemas al manejar todo el conjunto.

Tras esto ya tendremos las dos placas principales de circuito impreso con las dos caras más o menos a la vista. Digo esto porque francamente desmontar las dos placas del chasis es muchísimo trabajo y con un poco de maña se pueden sustituir todos los electrolíticos sin necesidad de hacerlo.

Los condensadores electrolíticos que llevaba eran de tres marcas: Bianchi, Ducati y TROBO. Sólo los Bianchi parecían operativos. El resto estaban muy deteriorados. Los Ducati marcaban valores extraños y tenían muchas fugas pero los TROBO apenas marcaban unos pocos pF. Estaban completamente arruinados. Tras la sustitución de todos los electrolíticos el molesto zumbido de audio ha desaparecido por completo.

Los condensadores sustituidos (15) son:

C24, C26, C31, C32, C35, C37, C38, C44, C47, C51, C56, C63, C64, C66 y C67.
Sus valores están indicados en el esquema.

Como curiosidad, los electrolíticos originales estaban demasiado ajustados de tensión de trabajo. La mayoría eran de 10V, incluyendo los de filtro de la fuente de alimentación, cuando esta radio funciona a 9V, en teoría, pues si bien podría ser esa la tensión que proporcionase la fuente de alimentación en su día (más sobre esto en el siguiente punto) al alimentarlo con 6 pilas de 1.5V nuevas, que dan más de eso, ya se sobrepasaría esa tensión de trabajo. Otros, localizados en puntos con menos tensión, eran de 6/8V. Los he sustituido por equivalentes con tensiones de trabajo de 35V. El resto de condensadores son todos de poliéster, cerámicos o de styroflex y no ha hecho falta cambiarlos.

TERCER PASO: Fuente de Alimentación

La fuente, según se aprecia en el esquema, tiene dos particularidades. La primera es el tipo de rectificación y la segunda es que la conmutación entre pilas y red se efectúa mediante un relé.

La alimentación a red se basa en un transformador con doble primario (125V / 220V) y un secundario con punto intermedio. De este secundario parten dos diodos rectificadores que, en esa configuración, produce un rectificado de onda completa. El problema es que esos diodos son de Selenio lo que implica problemas. Los rectificadores de selenio son famosos por dos cosas:

Ante semejante panorama me decidí a sustituirlo. Para ello hay que desmontar el sistema de las antenas “de cuernos”. Esto, para variar, es fácil pues ambas antenas se anclan al mueble en la base mediante una pieza de plástico con dos “copas” en donde entran cada una de las dos antenas y estas, a su vez, se anclan al mueble mediante un tornillo cada una que además proporciona conexión entre las propias antenas y los terminales que provienen de la anteriormente citada regleta donde está el “balún”. De nuevo más fácil hacerlo que explicarlo.


Regleta con "Balún" y base de las antenas.

Una vez desatornilladas se pueden deslizar fuera del mueble a través de unas piezas de plástico que hacen la vez de sujeción superior y de embellecedor. Podemos aprovechar la ocasión para limpiarlas bien, que suelen estar bastante sucias.

Con las dos antenas ya fuera del mueble podemos ver la tuerca del tornillo de sujeción del chasis de la fuente a la que antes no podíamos acceder. En el otro extremo del chasis de la fuente hay otra tuerca sin impedimentos.

Tras sacar el chasis de la fuente, desmonté el rectificador de Selenio y, utilizando el mismo agujero de montaje de este, puse una pequeña regleta en la que instalé un par de diodos rectificadores de Silicio BY126 que tenía por casa simplemente por el aspecto “vintage” que tenían, no por otra cosa ya que para este caso nos habría valido, por ejemplo, un par de baratísimos 1N4007.

En la siguiente foto vemos cómo quedó la fuente tras la sustitución de diodos:


Subchasis de alimentación con rectificador de Selenio sustituido por diodos.

Detalle de los nuevos diodos puestos y el antiguo rectificador de Selenio:

Tras esto, la fuente me entregaba 9.7VDC, a pesar de que la conecto a 240V, no los 220V nominales, lo cual está muy bien, pues aunque queda por encima de los 9V nominales, queda por debajo de lo que llegarían a entregar 9 pilas “D” nuevas. Si alguien se siente puntilloso y quiere respetar la tensión nominal, se puede poner otro diodo en serie con la salida de la fuente pues la caida de tensión de un, por ejemplo, 1N4007 es de precisamente un valor muy cercano a esos 0,7V de más, resultando en 9V "clavaos". Sinceramente no creo que sea necesario.

Había una cosa que no funcionaba aún en la fuente de alimentación y era el extraño sistema de conmutación entre pilas y red mediante relé. Cuando se desactivaba la alimentación por red, el relé no conmutaba a la otra posición “de pilas”. La razón era que los contactos estaban unidos por una especie de mugre pegajosa que, a decir verdad, pululaba por toda la radio y que es difícil de eliminar. Sospecho que esta radio debe haber pasado gran parte de su vida en una cocina o algo así. Tras unos cuantos intentos con una brochita y alcohol isopropílico, tanto en los “platinos” como en la bisagra del actuador, se terminó de limpiar del todo y, tras lubricar dicha bisagra, el relé volvió a funcionar como es debido.

En el esquema se ve que este relé va conectado a la toma de 125V del transformador de alimentación. En base lo que está haciendo es utilizar el primario del transformador a modo de autotransformador, esto es, si alimentas el ciruito a 125V el relé se alimenta a esos 125V, pero si alimentas el circuito a 220V, la toma de 125V entrega esos mismos 125V de tensión al relé. El inconveniente que tiene esto es que si funcionamos a 220V el transformador entonces tiene dos funciones, transformar y autotransformar. Aunque el consumo del relé es pequeño, esto hace que al rato de funcionamiento, sobre todo si subimos mucho el volumen, el transformador se caliente.

Hablando de consumos y potencia el aparato consume, alimentado por pilas (sin el relé) 16mA en reposo, esto es, con el volumen al mínimo, y 180mA con el volumen al máximo. Curiosamente el volumen nunca baja a cero pues en la posición mínima se sigue escuchando la radio débilmente. Al máximo la radio entrega gran volumen de audio. Créeme, suena muy fuerte… pero cuando la alimento con red, a alto volumen noto un zumbido de alterna de fondo algo molesto que me hizo pensar que el filtrado podía ser insuficiente, así que al final puse otro condensador de 2200uF 35V en paralelo con el de 1000uF (C51). El zumbido se redujo sensiblemente. Medí el rizado con el osciloscopio y me dió apenas 100mVpp lo que no está nada mal para una fuente tan simple. Fijé los dos condensadores a la placa con una pistola de cola caliente para evitar que se moviesen,

Después de esto seguí con varias operaciones rutinarias:

En efecto, tras la sustitución de todos los condensadores electrolíticos, no sólo los de filtrado, la radio empezó a sonar sin esos ruidos de antes y algo mejor. Me dispuse a montarlo todo de nuevo y dejarlo así hasta obtener las instrucciones de ajuste y alineación. Tras hacerlo, de nuevo nada difícil pero sí muy trabajoso, cual será mi sorpresa cuando veo que no funciona la radio, en ninguna banda. Compruebo que todo está bien pero al tomar las tensiones indicadas en el esquema, veo que T3 me da 0V de tensión de Emisor. Vuelvo a medir continuidades y, para mi asombro, ahora noto continuidad entre el emisor y masa. Tras desoldar el transistor con mucho cuidado, pues se puede hacer sin desmontar nada de la radio, en efecto compruebo que tiene dendritas cuando antes no las tenía. El caso es que había leido por ahí que a veces, con movimientos bruscos, dendritas que antes no hacían corto empezaban a hacerlo. Hay dos soluciones para esto, sustituir el transistor o eliminar las dendritas. Opté por la segunda opción. Hay varios métodos pero usé el más sencillo en mi caso. Se trata de unir el Colector, Base y Emisor firmemente con una gota de soldadura y aplicar entre este conjunto y la carcasa una tensión, en mi caso unos 20V de mi fuente de alimentación de laboratorio, para así “vaporizar” las dendritas que pudiese haber. Funcionó perfectamente aunque sé que esto es sólo provisional y con el tiempo volverá a pasar. La disposición de patitas de estos transistores es un tanto especial: una patita está más separada del resto y esa es el Colector. Siguiendo en orden la siguiente es la conexión a la carcasa, luego la Base y por último el Emisor.


Transistor AF116 de Germanio.
De izquierda a derecha: Colector, Carcasa, Base y Emisor.

Tras volver a poner el transistor en su sitio, con mucho cuidado, insisto, pues los transistores de Germanio son muy sensibles al calor, la radio seguía sin sonar.


Transistor T3. AF116 de Germanio.

Sigo midiendo tensiones y veo que hay 0V en el colector de T6. Me dí cuenta de que el colector estaba cortocircuitado a masa y pensé que de nuevo se trataba de “dendritas”, pero no. Tras desmontar el transistor (este no era ni mucho menos tan fácil de desmontar) comprobé que estaba perfectamente operativo así que el cortocircuito debería estar en otra parte. Tras mucho rebuscar al final lo encontré. Al sacar la placa principal, la que tiene serigrafiados los componentes, hay que tener MUCHO cuidado porque entre la placa y los separadores metálicos que la sujetan hay unas arandelas de plástico que sirven de aislante y si no las ponéis de nuevo en sus sitios al reensamblar, tendréis cortocircuitos. Olvidé ponerlas y de una de ellas venía el corto precisamente. Tras ponerlas en sus correspondientes sitios la radio volvió a funcionar.

El siguiente paso era intentar ver por qué la radio sólo funcionaba en la mitad izquierda del dial. Me dí cuenta de que había un componente que rozaba con el condensador variable a partir de la mitad de recorrido. Hay una resistencia montada en vertical a la izquierda del transistor T6, justo al borde de la placa, que estaba doblada hacia el CV y en la segunda mitad de su recorrido hacía corto con su parte móvil. Reposicioné la resistencia para que no volviese a ocurrir.

De todos modos, la cosa aún no iba fina, pero sin las instrucciones de ajuste (en ese momento aún no tenía el manual de servicio) poco más podía hacer en la parte electrónica...

CUARTO PASO: Hilo del dial y mueble

El hilo del dial no estaba roto pero resbalaba porque tenía una parte "pelada" y a punto de romperse. Por eso fué fácil trazar un diagrama de cómo va. Es bastante trabajoso, al menos para mí que es la primera vez que hago algo así, pero fácil. Ajusté el marcador de sintonía para que quede vertical en el dial. Cuando acabé el trabajo fijé los nudos en los muelles con loctite y el paso por los "patines" del indicador con laca de uñas para evitar que se aflojen en el futuro. Algunas poleas estaban agarrotadas: limpiadas, secadas y lubricados los ejes.

El esquema detallado de trazado del hilo del dial aparece en el MANUAL DE SERVICIO LAVIS T-980 pero aquí os pongo un rudimentario esquema del hilo hecho a mano alzada y sin mucho “arte”, por qué no decirlo, que hice y que puede quizá aclarar un poco el guiado por las poleas, cuantas vueltas se han de dar y por qué lado, por si le sirviese a alguien.


Esquema del hilo del dial.

Hay que tener en cuenta dos cosas:




Así ha de quedar el hilo en la polea con el CV completamente plegado.

El mueble no estaba demasiado mal para la cantidad de años que tiene. Muy sucio, eso sí. Desgraciadamente no tenía las patas metálicas tan características de este modelo y que le dan un aspecto de diseño estilo “Mambo” que tanto le favorece, en mi humilde opinión:




Ninguna de estas es mi radio, claro...

En su lugar traía unos horribles y chapuceros tacos de madera de partículas que no voy a poner por aquí para no atentar contra la sensibilidad del amable lector y que sustituí por unas discretas patas de goma. Una pena.

La parrilla frontal se sujeta con unos tornillos que se ven cuando se quitan los dos chasis, principal y alimentación. Tras sacarla la pude limpiar bien pues estaba tan sucia que no dejaba ver casi el dial. Lo mismo con el panel de aluminio de detrás del dial con el extraño mapamundi, que además de sucio estaba también “picado”, aunque una vez limpio quedó bastante bien. Digo que el mapamundi es extraño porque representa la Península Ibérica, sur de Francia y norte de África, pero está girado de modo que el oeste apunta hacia arriba. Sin embargo las leyendas (¿En Francés?) sí que están orientadas correctamente.

Una cosa típica de estas radios, por lo que veo en las fotos de las que se ponen a la venta, es el que se parta por la mitad la especie de asa que lleva en la tapa trasera de plástico. En la mía estaba rota, desde luego. Esta radio pesa tanto que el plástico cede y se parte. La solución fué reforzarla por el interior con una tira de PVC y pegar todo el conjunto con loctite. Si te fijas se nota, pero ha quedado bastante bien y mucho más robusto que en origen. De todas formas, el diseño del asa es bastante deficiente para una radio así.

Otra cosa que creo que haré en el futuro es intentar restaurar los rótulos frontales que han perdido la pintura negra del fondo. En mi caso los que ponen “L A V I S” y “980”.

[NOTA: Rótulos y logos restaurados. Cuando tenga un ratito pongo las fotos por aquí]

QUINTO PASO: Ajuste y Alineación

Aquí empieza el “meollo” del asunto. En el Manual de Servicio LAVIS T-980 están al final del todo las instrucciones precisas para el ajuste de la radio. Antes de tenerlo pude hacer unos ajustes básicos gracias a la ayuda de la gente del foro Elvalvulas.com que me han guiado hasta conseguir ajustar casi todo. Sin su ayuda me habría sido imposible hacerlo. Sin embargo, los datos precisos para ajustar tanto AM como FM así como la alineación de bandas están en ese manual.

AJUSTE DE FM:

En el manual están indicados los diferentes componentes de esta etapa y cuales hay que tocar, pero encontré una foto en la web que quizá sea más fácil de interpretar que el esquema incluido en el manual. La subplaca de FM, que está perpendicular a las otras dos, no tiene ningún esquema de posicionado de componentes en el manual de servicio y es bastante complicada de desmontar, por lo que esta foto nos viene al pelo:


Subplaca de FM.
Sacado de este Youtube perteneciente a una serie de varios dedicados a esta radio por Ketk Aiball.
Desaparecieron de youtube durante meses y antes de hacer yo este artículo pero ahora parecen estar de nuevo disponibles.



Aquí se ven bien algunos componentes que hay que retocar.
Estos quedan a mano, otros no tanto...

Estas cosas se deben hacer con sumo cuidado y usar siempre “trimadores”, que son una especie de destornilladores de plástico, cerámicos, etc. Unos métálicos interferirían en el ajuste. Así mismo, para retocar las bobinas hay que hacer girar un núcleo de ferrita que llevan en el centro, también con su correspondiente “trimador”. Si están recubiertas de parafina, como es el caso, se deben aflojar con un chorro fino de aire caliente como el que producen las estaciones de desoldado por aire o, en su defecto, aplicar con sumo cuidado y por poco tiempo la punta del soldador. Mucho cuidado porque los núcleos de ferrita de estas bobinas son frágiles y, una vez rotos, inutilizan por completo la bobina.

Para ajustar bien la FM en el Manual de Servicio LAVIS T-980 se describe un sencillo circuito tipo sonda para intercalar entre la radio y un osciloscopio. Antes de saber esto lo que hice fué primero basarme en emisoras potentes de las que sabía su frecuencia. Más tarde utilicé un pequeño aparato, robándole la idea al excelente "youtuber" M. Caldeira, que me permitía emitir en la frecuencia de la gama de FM que yo quisiese, un tono generado por una app de generador de frecuencias en el teléfono móvil:

Este útil cacharrillo se puede comprar en ebay por muy poco dinero y funciona muy bien, con una emisión estable y precisa en frecuencia.

AJUSTE DE AM (OM y OC):

Ajusté las frecuencias intermedias, pues le hacía buena falta y me asesoraron en cómo hacerlo. Para ello hay que disponer de un generador de RF o de un generador de funciones que disponga de la capacidad de modular la señal en AM. En mi caso utilicé un generador de RF con modulación AM al 30% y con un tono modulado de 440Hz que es nota musical “La” fundamental, utilizada como referencia en la afinación “de concierto” de instrumentos musicales, más que nada por aquello de ser un tono agradable y familiar, pero se puede utilizar calquier tono audible, claro. Generalmente se usa el tono de 1000Hz pero a mí me resulta molesto.

Para el ajuste de las FI (Frecuencias Intermedias) es imprescindible conocer a qué frecuencia está ajustado el receptor. Como no disponía aún de esta información (está en el manual de servicio) tuve que descubrirlo. Hay varios métodos para hacerlo; este es el que yo usé:

Utilicé otra radio que tengo (TECSUN PL-680) que me sintoniza en OL (Onda Larga), que es la zona del espectro radiofónico en donde suelen localizarse estas FI, y que tiene un display digital de modo que podemos saber exactamente la frecuencia en la que estamos. Pues bien, sintonicé una radio potente en AM y puse la otra radio de OL justo enfrente de esta, bien pegada al frontal e hice un barrido de dicha banda de OL. Al llegar a 450KHz pude oir en la PL-680 la radio que tenía sintonizada en la Lavis 980. Cambié de emisora en la Lavis a otra en otra zona distante en el dial y, lo mismo, oía la emisora en la otra radio en 450KHz.

Sin embargo, el Manual de Servicio LAVIS T-980 indica que la frecuencia intermedia de esta radio es de 455KHz, así que debía estar desajustada en origen. El caso es que los ajustes se deben hacer con una FI de 455KHz.

Para averiguar qué cosa es cual en el circuito de AM (OM y OC) y antes de disponer del manual, no encontré ninguna foto en la web como en el caso de FM así que me tocó repasar las dos placas de circuito restantes y averiguarlo yo mismo. En la placa, llamémosla, principal, la que tiene serigrafiados los componentes, es una tarea no demasiado complicada aunque, precisamente, los “botes” tienen el código de componente justo por debajo de las bobinas haciéndolos invisibles una vez colocados. Esto puede ser muy útil para el/la que los colocó inicialmente en fábrica pero es una faena para el técnico reparador. Aún así, con paciencia y tesón, pude averiguarlo:


"Botes" de FI de AM.
Curiosamente los transistores T6 y T9 están cambiados en el diagrama del manual de servicio.
Aquí están marcados según la serigrafía de la placa. Se puede ver.

Lo que nos interesa utilizar para el ajuste de FI son los que están marcados tanto en la foto anterior como en el esquema como F1, F2 y F3. El procedimiento es el siguiente:

Seleccionamos 455KHz en el generador de RF. Como el mío es analógico con la típica rueda de dial indicando las frecuencias aproximadas, usé un frecuencímetro digital externo para asegurarme bien de que esa era la frecuencia generada.

Utilicé un cable aislado, flexible y conectado en un extremo al “vivo” de la salida del generador de RF. Al otro extremo de este cable, con el terminal aislado, le hice un par de espiras que sujeté justo encima de la bobina de la antena de ferrita. Así se hace un acoplamiento de antena sin conexión eléctrica, que será suficiente para inducir la señal en el circuito. En el manual se indica este acoplamiento como "Bobina via éter". A continuación puse el CV en la posición de cerrado del todo. Lo ideal sería cortocircuitar a masa la salida correspondiente del CV al oscilador de AM pero, créeme, está puesto de un modo que hacerlo es dificilísimo así que no hice este último paso. Con la botonera seleccionando “Normal” (Onda Media) se debe oir, si no está MUY desajustado, el pitido del generador en el altavoz. El método que usé para “medir” el ajuste es poner un voltímetro AC muy sensible entre los bornes del altavoz. Así nos indicará visualmente (el valor no importa) cuando sube o baja la señal. En mi caso utilicé un polímetro analógico ICE 680-R en la escala más baja de AC. No se debe usar un polímetro digital para esto, pues no es práctico. Ha de ser analógico, esto es, “de aguja”. En el manual se indica que se utilice un osciloscopio unido a las bornas del potenciómetro de volumen y también otras indicaciones más precisas.

A continuación debemos actuar sobre los núcleos de las bobinas (“botes”) F1, F2 y F3. Sobre esto hay varias pautas de actuación, sobre todo en el orden en que se ha de hacer pero yo actué en ese orden y la cosa fué bien. Luego ví que es el mismo orden que se utiliza en el manual. Se trata de actuar los núcleos de modo análogo a como hicimos en FM, ablandando la parafina y con trimador y buscando en todo momento la máxima señal en la aguja del voltímetro AC. Una vez retocados todos los botes conviene empezar de nuevo para ajustar mejor, incluso una tercera vez si te apetece.

Si no dispones de osciloscopio o de un voltímetro AC “de aguja” muy sensible, se podría incluso usar el indicador de señal de la propia radio pero no es muy práctico porque no es muy preciso al ser una escala muy pequeña y además queda en el otro lado de la radio lo que hace muy difícil vigilarlo mientras se mueven las bobinas. En teoría también se podría hacer “a oído” pero, francamente, no lo recomiendo.

Una vez ajustada la Frecuencia Intermedia del receptor de AM tendremos que proceder como con la FM y ajustar el dial de OM y OC (Onda Media y Onda Corta) a lo que se reciba, así como el acoplo de la antena. Para ello tendremos que ajustar otro conjunto de bobinas y trimmers que están en la otra placa, la que tiene los componentes soldados a las pistas. Este método de contrucción, bastante obsoleto, es debido a que dicha placa lleva los conmutadores de bandas que están insertados por la cara en la que deberían ir las inexistentes serigrafías de componentes. De ese modo queda colocada en el chasis tal que todos los componentes queden a la vista y a mano para ajustarlos sólo si se sueldan por el lado de las pistas. Esto hace que depurar el circuito y averiguar qué cosa es cada cual sea una auténtica cruz. Tras un buen rato y unos cuantos juramentos que no voy a citar, obtuve esto:


Bobinas y trimmers de AM.



Aquí se aprecia B3.

Para OM procedemos de modo análogo a como hicimos en FM pero, en vez de seleccionando emisoras, inyectando las frecuencias con el generador y siguiendo las instrucciones del manual. La parte baja del dial (condensador variable cerrado) se ajusta moviendo B3, esto es, la propia bobina de la antena de ferrita, desplazándola a lo largo de esta. En mi caso no lo hice porque estaba demasiado aferrada a la ferrita y me daba miedo romperla y, además, estaba ya de por sí bastante bien alineada.

En el ajuste de OC, debemos cambiar el cable del generador de RF acoplado a la antena de la ferrita, que es donde lo teníamos para OM y utilizarlo para enrollar unas tres o cuatro espiras alrededor de las dos antenas “de cuernos”. Con sacarlas un poco vale, lo suficiente para poder enrollar el cable que viene del generador de RF. De nuevo "Bobina via éter". El problema que tenemos aquí es que el dial de OC no está indicado en frecuencias sino en metros y por eso el manual indica los ajustes con el condensador variable completamente abierto, completamente cerrado o bien en posiciones marcadas en metros en el dial. En este caso el manual sí que hace referencia a mediciones en la salida de altavoz ("Sobre bobina móvil") que describí antes.

Por si fuera poco, B9 es una cruz de ajustar porque está justo debajo de la antena de ferrita y para meter el trimador hay que forzar un poco y cuando ajustas al máximo, al quitar el trimador y debido a ese forzado, la cosa se desajusta inmediatamente. Tiro de otro trimador de plástico fino y flexible que tenía por ahí y con este la cosa va mejor pero aún así el ajuste es súper crítico; mueves una fracción de grado y se va del todo. Para empeorar las cosas por allí van algunos hilos al aire que cuando los mueves te desalinean todo. Complicado pero al final, tras mucho tira y afloja, llego a un compromiso aceptable.

Tras esto ya tendremos ajustada y alineada la parte AM (OM y OC). A continuación debemos ajustar el Control Automático de Ganancia (CAG). Curiosamente no se menciona nada de esto en el manual de servicio. Para ello debemos actuar sobre la resistencia variable R22, entre B15 y B10 en la foto de los "Botes de FI de AM", y que, a pesar de que está indicada en el esquema como 150K, yo mido sólo 47K. Lo mejor es hacerlo en OM. Primero selecciona una emisora en el dial. Esto tiene un punto de ajuste también muy crítico: según vas subiendo este trimmer, la radio se vuelve más y más viva hasta que llega un punto en que baja ligeramente y si se sobrepasa desaparece el sonido abruptamente . Debemos llegar de nuevo al punto del pico de señal pero no acaba ahí la cosa pues si lo dejas en ese punto, al cambiar a FM la radio puede hacer "la canoa" (un ruido pulsante “put-put-put” o motorboating que dicen los guiris) con lo que de nuevo has de bajar un pelo hasta que desaparece el ruido. Ese es el máximo al que se puede llegar.

En ese punto el indicador de señal tipo “S-Meter” deberá indicar correctamente la señal si bien funciona de modo diferente en AM y en FM:

En este último caso, el manejo es bastante intuitivo porque si nos pasamos “hacia la derecha” en el dial, la aguja se moverá a la derecha y viceversa. Dicho de otro modo, la aguja “persigue” a la sintonía, siendo el centro el punto de máxima señal.

RESULTADO FINAL

La radio es lo que es, un producto de su época por una de las mejores compañias fabricantes de radios de este país en aquellos años. La radio suena francamente bien y muy potente gracias a una etapa de audio de diseño obsoleto pero cuyo sonido tiene muchísimo encanto. Es bastante más cálido y “orgánico” que la típica etapa actual de sonido y recuerda algo a las etapas de válvulas en su calidez. Se debe al uso de transistores de Germanio, que ya de por sí dan un sonido más cálido que el Silicio, y a una topología heredada directamente de los diseños de válvulas con etapa final de tipo push-pull con inversor de fase y transformador de impedancias. El resultado es, repito, muy agradable pues además de esto se beneficia de un generoso altavoz Roselson y un también generoso mueble de madera de los que ya no se ven hoy en día. Como ya he dicho, precisamente “portátil” no es pero permite usarla tanto a red como a pilas lo que es un buen plus.


Altavoz Roselson de 4 Ohmios.

No es que sea un receptor valioso, tampoco es que sea muy bonito, pero sí que es coleccionable en tanto que refleja una época de este país en la que hacíamos electrónica competitiva.


Para saber más: Intento de restauración de una radio Lavis 980 en el foro de Elvalvulas.com


Kilroy Was Here
©Piso-tones Ltd. Calambres