DOD 280 Compressor


Por MBC


DOD 280 Compressor

COMPRESOR DOD 280

Hace unos años encontré este circuito por ahí. Lo monté y funcionaba fatal, y me olvidé de él. Al cabo de un tiempo me di cuenta de que me había equivocado en el valor de varios condensadores (los de 47K los había puesto de 470pF). Soy asín de burro. Así que los sustituí y la cosa cambió. Aun así hacía un efecto de compresión muy bruto. Pulsabas una nota y el sonido hacía una bajada de volumen muy brusco. Cambié el optoacoplador y puse el VTL5C3 (en origen iba el VTL5C2) Cambié también el valor de un par de resistencias (R5 y R10). La cosa mejoró bastante pero apareció un problema nuevo: se oía un soplido superagudo que yo no percibía pero mi hijo mayor sí (cosas de la edad, seguramente). Así que le añadí el condensador C9 (de 22K) y la resistencia R14 (de 47K) y el chillido desapareció. Esos componentes los soldé directamente sobre el potenciómetro de volumen ya que no estaban previstos en la placa inicial. Podéis verlos en la foto del interior. En esta primera versión utilicé, como hacía entonces, el Millenium True Bypass y la caja Retex i413. Estas navidades monté una nueva versión utilizando un conmutador 3PDT y la caja Hammond 1590B. Os presento las dos versiones, aunque la placa, la placa guía y el fotolito corresponden a esta última. El acabado exterior es el que vengo usando últimamente (vinilo adhesivo).

CIRCUITO

Esquema mejorado y usando un conmutador 3PDT:


Circuito con 3PDT y lista de materiales.

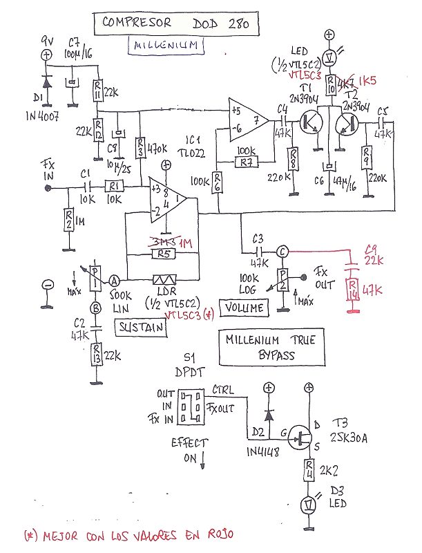
Por si lo preferís, aquí tenéis el esquema con el Millenium Bypass y su lista de materiales

No voy a entrar en profundidades sobre el esquema del aparato para no meter la pata, ya que mis conocimientos de electrónica teórica son más bien parcos. Para mí basta con saber que funciona estupendamente. En el ejemplo que os he grabado (All my loving, de The Beatles) veréis que el repiqueteo atresillado de la rítmica no tiene altibajos. Suena (relativamente) plano. También suena estupendo en el solo y en la guitarra rítmica de la última estrofa. La guitarra se "clava" en medio del barullo; el compresor hace que destaque y que no quede oculta por el resto de instrumentos.

DOD280CompressorAllMyLoving.mp3

Un par de aclaraciones más, para principiantes, aunque a estas alturas del partido esto que viene a continuación debería ser de dominio público.

La flechita que dibujo junto a los potenciómetros indica la dirección hacia la que girará el cursor (pata central) cuando lo giremos hacia la derecha. En muchos esquemas numeran las patas de los potenciómetros con los números 1, 2 y 3. El número 2 es el cursor. Cuando giremos hacia la izquierda, el 2 se unirá al 1; y cuando giremos hacia la derecha, el 2 se unirá al 3. En otros esquemas ponen las iniciales "CW" en uno de los puntos laterales del potenciómetro, indicando que a ese lateral se unirá el cursor cuando lo giremos en el sentido de las agujas del reloj (Clock wise en inglés). En este circuito, por ejemplo, cuando giremos hacia la derecha el potenciómetro de Sustain, el punto A se unirá al punto B, produciendo el máximo efecto de compresión.

En los condensadores, 22K significa 22 nanofaradios. En algunos esquemas pondrían 22nF. 10K=10nF; 47K=47nF.


Placa.

Fotolito.

Placa Guía.

En la parte de abajo de la placa veréis que hay tres puntos conectados a masa; uno en cada extremo y otro justo debajo de C2. Los de los extremos los uso para conectar las masas de los jacks de entrada y salida. El que está bajo C2 lo uso para conectar a masa la pata inferior izquierda del conmutador 3PDT.

La flechita señalando hacia arriba que hay junto al letrero "effect on" significa que el compresor se activará cuando las tres patillas centrales del conmutador 3PDT se conecten a las superiores. En esta posición el jack de entrada queda conectado a la entrada del circuito (Fx IN) y el jack de salida a la salida del circuito (Fx OUT). Cuando volvamos a pisar el conmutador, sus patillas centrales se conectarán a las inferiores y pasarán varias cosas: el efecto se desconectará puesto que tanto su entrada (Fx IN) como su salida (Fx OUT) se conectarán a masa. Además, el led se apagará al quedar su cátodo desconectado de masa. Por otro lado, el jack de entrada quedará unido al jack de salida, con lo que oiremos la señal original de la guitarra.

Algunas fotos del motaje en la caja:


Con 3PDT.

Con Millenium Bypass.

Y nada más. Espero que lo montéis y lo disfrutéis.

Para saber más:

  • Compresor DOD 280 en el foro de guitarrista.com


    Kilroy Was Here
    ©Miguel Badía. | guitarrista.com