MXR Dynacomp
Por MBC


MXR Dyna Comp.

EL COMPRESOR MXR DYNA COMP

Esta es la tercera versión que monto de este maravilloso aparato:

En esta tercera versión he añadido una modificación que leí en Guitarramanía. Creo que la cosa era original de Psst aunque quien hablaba de ella era Palp. Este es el link. El caso es que el Dynacomp entrega un sonido muy bonito pero bastante oscurillo. La modificación consiste en poder seleccionar mediante S3, un DPDT de palanca, entre el sonido "clásico" y un sonido más brillante. La combinación de los potenciómetros de Sustain y Volume con estos dos conmutadores (Attack y Bright) nos da una versatilidad tremenda. Si sumamos a estos factores las distintas pastillas de la guitarra obtenemos finalmente una barbaridad de variedad de sonidos.




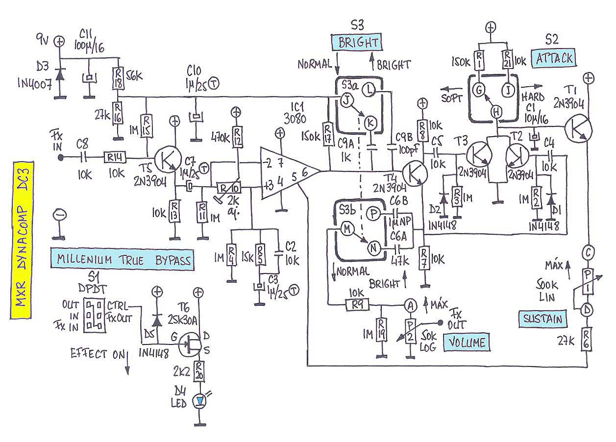
Esquema del MXR Dyna Comp con todas las modificaciones.
Pincha en él para verlo con más detalle.

No os dejéis engañar por la foto del exterior de prototipo. Todavía no lo he pintado ni le he puesto los letreritos. Lo que veis es un poco de trampa, pero me da vergüenza mostrar el aspecto tan cochambroso que tiene ahora mismo. Ya lo terminaré un día de éstos. Como siempre me pasa, estoy mucho más satisfecho de cómo ha quedado el interior. Todo encaja a la perfección en la Retex i413.


Interior del MXR Dyna Comp.

Con el diseño de la placa tuve que pelearme bastante hasta conseguir meter los nuevos condensadores C6b y C9b para seleccionar entre sonido clásico y brillante, pero finalmente lo conseguí. Ojo con los puntos de conexión tanto de S2 como de S3. Fijaos bien, no vayais a equivocaros, ya que está todo bastante apretadito en la placa y puede inducir a error. Aseguraos del cableado mirando el esquema. Insisto en este asunto porque yo me equivoqué cuando lo monté y tardé un ratillo en pillar el fallo. Observad también que la salida del circuito (Fx Out) se toma directamente del cursor del potenciómetro de "Volume" P2.




Placa del MXR Dyna Comp modificado. Pincha en el gráfico para verlo con más detalle.
Pincha aquí para ver la Placa Guia

El ajuste de R10 es muy sencillo y su posición definitiva estará aproximadamente en el centro de su recorrido. Lo único que hay que hacer es girarla totalmente hacia un lado y luego ir buscando un punto en que el sonido deja de cortarse bruscamente y lo hace con suavidad. Para ello necesitaremos que alguien pulse las cuerdas de la guitarra mientras realizamos el ajuste, aunque yo lo he hecho siempre solo y es rematadamente fácil.

Estos son los links del Fotolito y de la lista de materiales

Y nada más. Espero que os guste.


Para saber más: MXR DynaComp en el foro de guitarrista.com
Archivo: Control de "Ataque" en un MXR DynaComp


Kilroy Was Here
©MBC | Guitarristas.org