Vibra-Matic para EA-Tremolo

Por Miguel Badía.




Pedal EA-Tremolo con Vibra-Matic

EA TREMOLO IMPROVED CON VIBRA-MATIC

Señores, ¡hay que descubrirse!. Nada, nada. No hay que tener vergüenza. Cuando algo es triunfal, lo es y ya está. Y el Vibmatic, señoras y caballeros, lo es. Sin duda.

Veamos el asunto con cierta perspectiva.¿Un trémolo que lleva DOS resistencias ajustables? Mmmmmh. Peligroso, pero factible. Ahora bien, ¿un circuito anexo, sin garantías de funcionamiento, con DOS ajustables más? Eso ya es mucho, ¿no? Pues os aseguro que vale la pena. En realidad no es nada difícil de ajustar.

Ahora os cuento toda la historieta, pero vamos por partes. Este proyecto es un añadido al circuito del EA-Tremolo que encontraréis también explicado en el EA-Tremolo de Piso-tones Ltd.

Dicho circuito tal y como aparece en estos dos artículos ya es de por sí glorioso. Suena muy bien. No hace ruido. Hace, en definitiva, lo que se espera de él. Entonces ¿para qué complicarnos la vida con el Vibmatic? Pues porque estamos aquí para eso precisamente: para complicarnos la vida y pasarnos el fin de semana montando cacharritos por purita diversión. ¿O no?

El circuito es un diseño de R.G. Keen en su página GEO. El circuito es, según R.G. Keen un proyecto "teórico" que ha sido simulado pero no construido hasta la fecha, con la intención de añadirle funcionalidades al ya conocido EA-Trem. Parece que después de todo sí que funciona Comolooyesssss



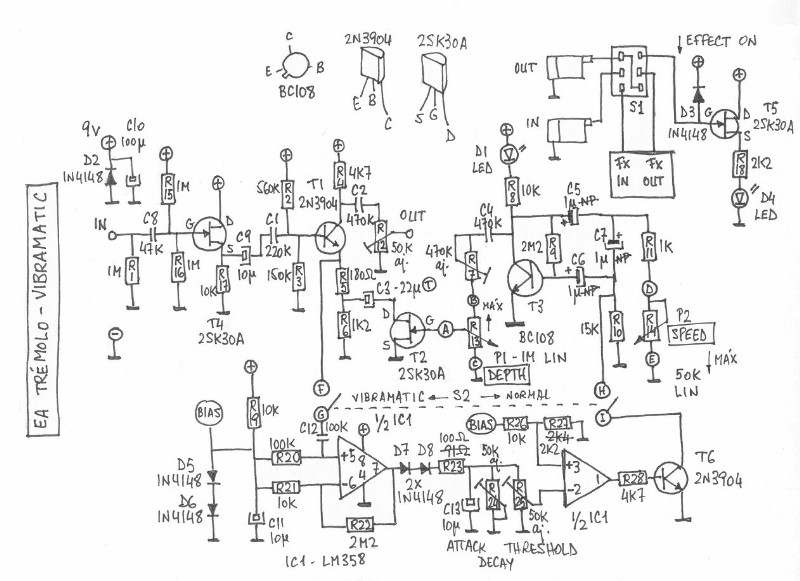
Esquema completo. Arriba el EA-Tremolo y abajo el Vibra-Matic.

A todo esto, ¿sabéis qué hace el Vibmatic? Os lo explico. Cuando está conectado al EA Trémolo ( en el circuito que os muestro veréis que hay un DPDT llamado S2; cuando el punto "F" se pone en contacto con "G" y, al mismo tiempo "H" se conecta con "I", tenemos conectado el Vibmatic) la oscilación se bloquea. El oscilador deja de oscilar hasta que le metemos una señal al circuito. Eso es cojonudo. Si el pop-pop-pop del circuito era de por sí prácticamente inaudible, con el Vibmatic desaparece al 100% ya que el oscilador no oscila. Cuando pulsamos una cuerda de la guitarra el oscilador se activa.

La explicación técnica debéis buscarla en la página del "Vibra-Matic" de R.G. Keen. La cuestión es que, aparte de la virguería que supone esta manera de funcionar, cuando tenemos un pedal de distorsión conectado o utilizamos el canal de distorsión del ampli, el Vibmatic es particularmente interesante, ya que con señales saturadas el ruido del oscilador se hace mucho más evidente y esta pequeña maravilla nos lo evita por completo.

EL MONTAJE, PASO A PASO

En primer lugar, he tenido que sacrificar el hueco de la pila para meter la plaquita del Vibmatic. Ese hueco me da igual, la verdad. Lo dejo en mis montajes por seguir cierta norma, pero yo no uso pilas. Uso el alimentador, que es MUCHO más barato. Por aprovechar la caja del EA-Tremolo que ya tenía me quedó un poco justo y no cabe la pila pero si ponéis cuidado y hacéis bien las medidas podéis acercar los jacks de In/Out más hacia los potenciómetros y, usando un switch de los pequeños (APEM) cabrá la segunda placa y aún quedará sitio para la pila.

A continuación podéis ver la representación de la placa para el circuito Vibmatic. Se ha diseñado de modo que quede como "placa satélite" del circuito del EA-Tremolo y que pueda caber todo en una caja Retex RI-414:



Placa del Vibratrem.
Pinchad en este link para obtener el Fotolito.

La colocación de la placa del Vibratrem en la caja Retex RI-414 está un poco comprometida por el espacio disponible así que debéis tener mucho cuidado en tomar bien las medidas. Con estas fotos os haréis una idea de como hacerlo:



Interior del pedal con la placa del Vibra-Matic.

He tenido que cambiar algunos valores del circuito. Los condensadores C5, C6 y C7 los he puesto de 1uF/63 voltios POLARIZADOS (electrolíticos). Los que venían en el circuito original eran también de 1uF pero NO POLARIZADOS. Estos últimos son de mayor tamaño y no he tenido más remedio que cambiarlos porque no podía cerrar la caja. El circuito funciona exactamente igual, pero tened cuidado con la polaridad de esos condensadores o el oscilador no oscilará. También he cambiado dos resistencias: R26 la he puesto de 100ohm (en el circuito de Mr Keen es de 91 ohm) y R27 la he puesto de 2K2 (en origen era de 2K4)



"Layout" de la placa del EA-Tremolo con los condensadores polarizados.
Es la misma placa que mi página del EA-Tremolo pero con indicación de polarización los condensadores C5, C6 y C7.

Nota del Calambres: A veces es imposible eliminar el pop-pop-pop del oscilador usando esos condensadores de 1uF del tipo electrolítico. No son fáciles de encontrar pero hay condensadores no polarizados de poliéster de ese valor y lo suficientemente pequeños para que quepan en este montaje. Sólo hay que buscar un poco. En cuanto a las resistencias, si queréis ser fieles al montaje original siempre podéis poner varias en serie y/o paralelo hasta llegar al valor deseado.

En la caja he añadido un DPDT de palanca que permite activar o desactivar el Vibmatic. También he puesto un led rojo pequeño para el puntazo del bailoteo de la lucecita a ritmo del oscilador.

Vamos ahora al tema del ajuste de las resistencias R7, R12, R24 y R25. Para ajustar R7 y R12 hay que DESACTIVAR el Vibmatic actuando sobre S2. R12 hay que ajustarla hasta conseguir que el nivel de salida del circuito sea igual (o lo más parecido posible) a la señal obtenida en bypass; o sea, que la ganancia sea 1 (que nuestro trémolo no aumente o disminuya el volumen general de la señal, vamos) Hecho esto ajustaremos R7 hasta que dejen de oirse los pop-pop-pop del oscilador. Es muy fácil.

A continuación giramos R24 y R25 hacia la derecha a tope. Con eso los cursores de ambas quedarán conectados a masa. Actuamos sobre S2 para activar el Vibmatic. Atención ahora: giramos R24 hasta el centro de su recorrido más o menos y giramos R25 hacia la izquierda hasta que veamos que el Led rojo deja de parpadear. Justo hasta ahí. Cuando pulsemos una cuerda de la guitarra veremos que el Led se pone a oscilar. No lo hace inmediatamente. Tarda un poquito (no mucho) pero a partir de ese momento el oscilador ya no para mientras no dejemos de tocar. R25 controla el "umbral" (Threshold) de disparo del comparador. En mi circuito ese punto se encuentra casi en el centro del recorrido de la resistencia, como podéis apreciar en la foto. Ahora debemos girar R24 (ajuste de "DECAY") hacia la izquierda hasta el momento en que el oscilador deje de oscilar. Entonces retrocedemos un poco, hasta que vuelva a oscilar, y la dejamos ahí. Lógicamente, este último ajuste debemos hacerlo mientras pulsamos las cuerdas de la guitarra, ya que de lo contrario el oscilador permanecería parado por efecto del Vibmatic. Podemos pedirle a algún familiar o amigo que nos eche un cable. No hace falta que sea ningún virtuoso, basta con que no deje de pulsar las cuerdas hasta que concluyamos el ajuste. Como veis en la foto, R24 me quedó también hacia el centro de su recorrido. El ajuste de esta resistencia no es realmente muy crítico. Basta con que no impidamos al oscilador que oscile.



Detalle de la placa del Vibra-Matic.

No sé si todas estas explicaciones os habrán asustado. No hay para tanto. En cualquier caso, el EA Trémolo es por sí solo una pequeña maravilla. El Vibmatic es un añadido interesante, nada más.

Montaje en una sola placa

Los montajes con dos placas tienen sus pegas. Por un lado el cableado que las une y por otro, si las placas son grandes la pila no cabe. Utilizando una placa del tamaño de la del Zombie Chorus (ligeramente más larga que las habituales) he conseguido fundir el EA Trémolo y el Vibramatic en una placa única. Me he tenido que pelear un poco con la física cuántica y la geometría euclidiana, pero al final he podido colocar el integrado, las dos resistencias ajustables y el resto de componentes del Vibramatic en armoniosa vecindad con el circuito del EA Trémolo. Compré unos condensadores de 1mF NO polarizados de un tamaño mucho menor del que tenían los que usé en el primer montaje, así que por ahí he podido recuperar bastante espacio.



Todo en una sola placa.

Quiero aclarar la posición de algunos puntos de conexión que no he podido acercar a los bordes de la placa: "FX IN" está a la derecha del punto "A" y junto al condensador C8; "FX OUT" está en el centro de la placa, justo debajo de la base del transistor T1. A la izquierda del FX OUT está el punto "F", que va al conmutador S2 (Vibramatic ON/OFF) Hay que hacer un puente para alimentar IC1. Lo he señalado en rojo. Aunque algunas pistas se acercan bastante entre sí en algunos sitios, creo que el montaje se puede realizar a mano sin ningún problema. Yo lo montaré en cuanto tenga ocasión.



Placa guía.
Pincha en este link para obtener el Fotolito.

Cómo suena




Para saber más: EA-Tremolo en el foro de Guitarristas.org
Kilroy Was Here
©Miguel Badía (MBC) | Guitarristas.org