Clonemos un efecto:
El MXR Envelope filter


MXR-EF Original

Vamos a hacernos un MXR Envelope Filter

En este artículo nos aproximamos al terreno de la ingeniería inversa. Hemos clonado un efecto a partir de un original. Lo hemos copiado literalmente. Partiendo de un viejo MXR Envelope Filter de 1981, hemos creado un clon (al menos en su aspecto funcional y de sonido) idéntico al original. He aquí cómo hemos trabajado para lograrlo. Miguel Cejas “El Totufo” presenta para Piso-Tones otro proyecto para los osados que osen construir pedales. Todo un reto. Ánimo.


EF Totufo / Piso-tones

Envelope Filter de Totufo / Piso-tones Ltd.
Mola, ¿eh?

Introducción. Objeto de este artículo.

El MXR Envelope Filter es un efecto especial. Suena muy bien. Es muy robusto, está muy bien construido, y tiene una tecnología cuando menos, curiosa, ingeniosa y elegantemente planteada y además, tiene célebres adeptos, como Johnny “Guitar” Watson, Stevie Wonder y Jaco Pastorius.....si,si, también sirve para teclados y para bajo. En los 70 y 80, todos los músicos de funk-disco lo usaban.

Compré mi cajita de color mostaza en marzo de 1981. Fue mi primer efecto. Con el tiempo he llegado a darme cuenta de que se trata de un verdadero vintage y que vale una pasta en el mercado de segunda mano, si es que se encuentra. Dado que ya no se fabrica, enseguida me surgió el gusanillo de clonarlo para ver si era posible compartirlo con vosotros, lectores de Piso-Tones. Y parece que ha sido posible. Puedes hacerte un MXR Envelope Filter de verdad, como has podido hacerte un Dallas Arbiter Rangemaster o un Ibanez TubeScreamer de verdad.

Este artículo no pretende perjudicar a MXR o quien quiera que sea el propietario de la patente en cuestión, sólo intenta ayudar a las personas que deseen tener un efecto que ya no se encuentre en los escaparates de las tiendas de instrumentos. La técnica aquí descrita puede aplicarse a muchos de ellos. Debo decir que el empleo de esta técnica no siempre es posible en pedales existentes, y que también hay efectos que por su naturaleza pueden llegar a ser imposibles de clonar. El método empleado no siempre es válido cuando se trata de copiar. Todo depende de nuestra destreza, tanto manual como técnica y teórica, y también en gran medida de la disponibilidad de componentes. En el caso concreto de este efecto, los resultados han sido satisfactorios y aquí está cómo hemos llegado a esta conclusión.

El MXR Envelope Filter. Qué es. Cómo funciona.

Este aparato pertenece a una categoría un tanto especial dentro de los efectos analógicos. Es un “filtro manejado por envolvente” o "Envelope Controlled Filter (ECF)". Un filtro parecido de alguna manera a un wah-wah, pero que no actúa bajo el mandato de la posición del pedal, sino bajo el mandato del “volumen instantáneo” de la nota que tocamos. Es un wah automático o auto-wah, comandado por la forma de la envolvente del sonido de la cuerda al ser tocada.

Al pulsar la cuerda, el ataque (“attack”) hace que el nivel sea relativamente alto con respecto al siguiente momento, el “decay”, que es cuando la amplitud baja hasta un nivel normal, hasta que la nota se sostiene en su vibración, (“sustain”) en su sonido propio. Inmediatamente su amplitud comienza a hacerse menor, en su etapa de decaimiento hasta el momento en el que se desvanece (“release”). Con estos cuatro parámetros (Attack, Decay, Sustain, Release, ADSR) podemos definir la envolvente de una señal. Este sistema de definición de envolvente fue ideado para crear sonidos en la época de los sintetizadores analógicos modulares de los años 60 y 70, siendo el Señor Bob Moog uno de los creadores de tal concepto.

Pasados los años de gloria de la música Funk, Disco, y de experimentadores como Herbie Hancock, Frank Zappa, Jerry García, George Duke, Stevie Wonder, Jaco Pastorius, vuelve de nuevo la fiebre del sonido “bwow” en la guitarra y en otros instrumentos, y según los entendidos, no hay filtro de envolvente tan versátil como el MXR.

Como cualquier cosa “automática”, no siempre responderá fielmente a lo que deseamos, hará un poco “lo que le da la gana” en cada momento, pero aprendiendo a manejarlo y observando como reacciona podremos “domesticarlo” a nuestro antojo. Le da al sonido de guitarra un aspecto percusivo sin precedentes y una presencia especial al bajo, amén de la expresividad “vocal” controlable a través del ataque que en cada momento demos a las cuerdas. Es un efecto muy muy sensitivo a nuestra manera de acometer el toque del instrumento. Eso le hace muy expresivo. Si pensamos un poco, algunos instrumentos de percusión reaccionan de una manera parecida en su relación entre el “golpe” y el “barrido de frecuencias” que efectúan mientras dura la “nota”. Es el caso de las Tablas Hindúes o de las primeras baterías electrónicas analógicas (el Syndrum, por ejemplo), y en menor medida, de todos los demás instrumentos de “membrana tensada” (tambores). Es como tener un percusionista adicional “pegado” a nuestro instrumento rítmico, melódico o armónico. He oído últimamente muchos solos de guitarra grabados recientemente con este antiguo efecto. Si has tocado con este efecto, lo reconocerás donde quiera que lo oigas. Con lo que ha evolucionado el procesamiento de la señal en estos años no se ha conseguido nada que suene como un MXR Envelope Filter.

Un poco de historia:

Los orígenes de la tecnología del filtro controlado por envolvente (lo llamaremos ECF ["Envelope Controlled Filter"] a partir de ahora), se remontan a las épocas de la síntesis analógica modular. Mucho antes del “sampling”, la manera usual de sintetizar música electrónica era la “síntesis substractiva”. Es decir, se comenzaba con la señal de un oscilador (cuadrada, rampa, triangular, etc) relativamente rica en armónicos y luego se filtraba para eliminar armónicos y proveer de timbres a una señal sinusoidal pura. Los filtros y amplificadores se controlaban a través de generadores de envolvente (Envelope Generators) que producían unos voltajes de control que subían y bajaban, haciendo que los filtros (VCF o "Voltage Controlled Filters") tuvieran diferentes frecuencias de corte y que los amplificadores (VCA o "Voltage Controlled Amplifiers" ) modularan el volumen.

El voltaje de envolvente lo iniciaba cada toque de tecla de tal manera que la frecuencia de corte del filtro variaba de una manera predecible. Si controlamos estrictamente los armónicos de cada nota y además controlamos estrictamente el volumen de esa nota, podremos también intentar simular cosas como “notas pulsadas” o “notas sopladas”.

El filtro más popular y exagerado era el del sintetizador analógico "Minimoog", el filtro pasabajos de cuatro polos. Era el “bwow” estándar. Lo que le distinguía era que, comparado con un pedal de wah-wah, era más rápido y respondón a la nota, y muy resonante. Los guitarristas querían un cacharro que sonara así, lo anhelaban. Algunos sintetizadores ya venían con capacidades externas de procesamiento de la señal, lo que permitía aplicar los filtros a otra señal distinta a los voltajes internos de sus VCOs (Voltage Controlled Oscillators). Necesitábamos también un circuito Seguidor de Envolvente (Envelope Follower o EF) para completar el procesamiento de la señal.

Los teclados tenían la ventaja de estar cableados para detectar la pulsación de la tecla y podían generar un impulso que iniciara los generadores de envolvente (que controlarían los filtros) de una manera segura, fiable y rápida. Pero una guitarra no. Las guitarras eléctricas producen notas casi indetectables, a causa de sutilezas a la hora de tocar. Si hacemos un circuito sensible a estas sutilezas, obtendremos un circuito muy susceptible al ruido de fondo, al sonido del mástil.

Pero aún pareciendo imposible disparar un voltaje de envolvente a partir de cada nota pulsada o rasgueada en una guitarra, el hecho real es que cada una de esas notas posee su propia envolvente. Si podemos aislar esa envolvente, convertirla en un voltaje de control, podemos hacer que el filtro trabaje de una manera parecida a un sintetizador, con un “bwow” producido a lo largo de la duración de la nota.

Descripción del circuito.

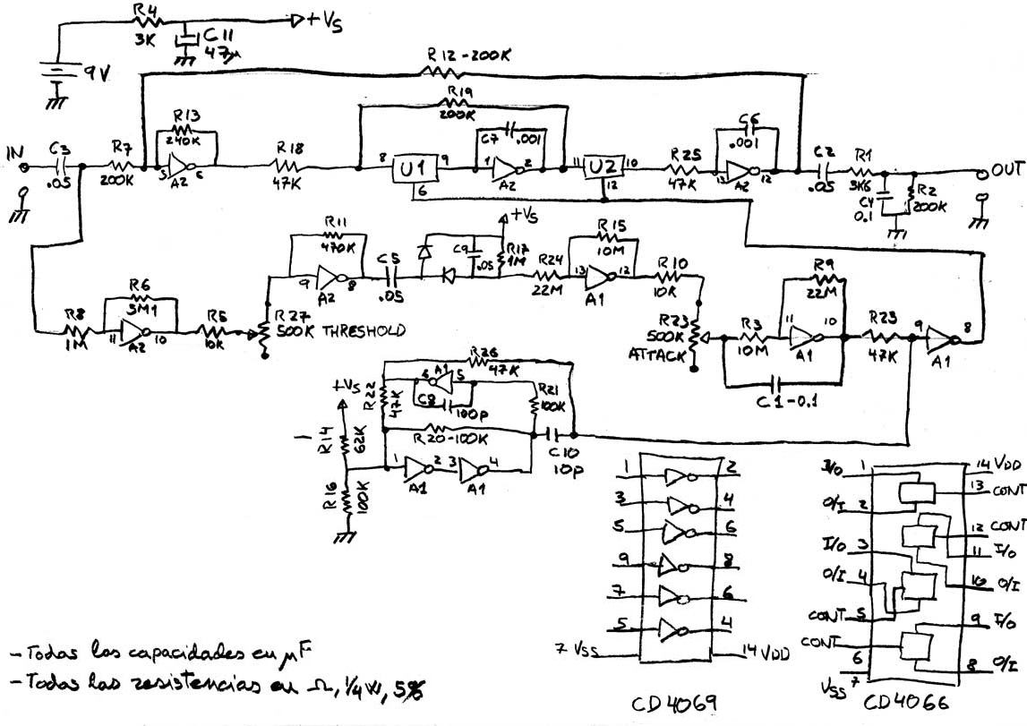
Lo primero que llama la atención del circuito es que no usa transistores ni operacionales. Emplea inversores CMOS (4069) e interruptores bilaterales CMOS (4066) como elementos activos. Todos los inversores, excepto tres de ellos, funcionan en la región lineal, como amplificadores operacionales de una sola entrada negativa. Curioso, ¿verdad?. Los inversores trabajando en la región lineal, poseen una ganancia limitada en continua, pero muy alta a frecuencias superiores, así como una alta impedancia de salida. Estudiemos el circuito por secciones.

He dibujado el esquema sin incluir la sección de conmutación, que puede ser SPDT, como en el original, o True Bypass DPDT, muy recomendado para todo efecto moderno. El condensador C11, la pila de 9V y la resistencia R4 forman la sección de alimentación del efecto. No olvidemos conmutarla a través del negativo con la lengüeta del jack input, como en todos nuestros pedales:


Esquema del MXR-EF

Esquema del MXR-EF

El tercio superior del esquema forma el “camino de la señal de audio”. Los tres inversores A2 forman un filtro biquad, donde hay dos integradores, uno de ellos con una resistencia adicional (R19) para fijar el Q del circuito. Los interruptores bilaterales U1 y U2 forman resistencias variables en combinación con las resistencias de 47k. Son como potenciómetros que actúan bajo el mandato la envolvente y de la sección PWM (véase más abajo).

El tercio central forma el detector de envolvente. Consta, de izquierda a derecha, de un amplificador de ganancia fija, un amplificador de ganancia variable, que nos permitirá fijar el umbral de envolvente a través del control “threshold”, que se acopla en alterna a través de C3 a un rectificador y detector de pico pasivo y a través de un buffer ataca a un filtro pasabajos ajustable (control atack).

La sección PWM (modulación por anchura de impulsos) la forma el tercio inferior del diagrama. Un integrador arriba y dos inversores como disparador schmitt.

La muestra de la envolvente de la señal de guitarra modula en anchura de impulsos la señal que comanda las resistencias variables del filtro biquad del audio. Suena un poco lioso, pero es efectivo. No es la técnica del “condensador conmutado”, en la que la se emula un potenciómetro a través de un condensador e interruptores, y variamos la resistencia cambiando la frecuencia de reloj. En este circuito, la resistencia se altera variando la anchura del impulso, o relación “on-off” de los interruptores.

La salida de la sección de control y de la sección PWM se unen en un comparador para proporcionar la señal de envolvente que hará al filtro cambiar su frecuencia de resonancia siguiendo a la envolvente de la señal de entrada.

Esta descripción puede resultar un poco liosa y excesivamente técnica, pero es lo que hay. Si no logras comprender todos estos términos, no importa, sólo lo he puesto aquí para documentar el tema para los más avezados en el campo teórico. De los efectos de Piso-Tones éste es el más complejo con diferencia en su aspecto técnico. Calculo que unas 30 o 60 veces más complicado que un Rangemaster, si tenemos en cuenta la cantidad de componentes y la técnica empleada, no en su realización práctica, que dependiendo como se mire puede ser si cabe, mas sencilla. Es un pequeño computador analógico.

Lista de componentes.

Consideraciones iniciales. Estudio de viabilidad del proyecto.

Para evaluar si un efecto es clonable o no lo primero que debemos hacer es estudiar si los componentes con los que fué construido siguen aún disponibles en las tiendas de electrónica. Desmontaremos el pedal y observaremos detenidamente sus partes, y tomaremos nota de ellas para hacer una lista con todos los componentes y sus valores. Prestaremos especial atención a los componentes “activos” del efecto, es decir, transistores, circuitos integrados, diodos, o cualquier componente que pueda resultar “especial” o poco común. Un punto conflictivo puede ser el hallar inductores o transformadores de señal en el circuito. Muchos de ellos están sin etiquetar y pueden ser imposibles de conseguir. Los condensadores y las resistencias suelen tener valores standard, pero no siempre. Ojo con esas resistencias de valores muy altos. Si la placa de circuito impreso es demasiado compleja, demasiado densa, o encontramos componentes SMD de "montaje en superficie" (de esos chiquitajos montados sin agujeros en la placa), puede ser también una dificultad seria a la hora de hacer el proyecto viable. En fin, comprobaremos que podemos conseguir todos los componentes y ¡a por ellos a la tienda de electrónica!.

Debemos considerar también nuestra disponibilidad de herramientas e instrumentos a la hora de emprender el proyecto. Herramientas de mecanización para la caja, herramientas e instrumentos de electrónica (obviamente), elementos químicos para la realización de la placa de circuito impreso, materiales de pintura para el acabado y finalmente, un ordenador, un programa de tratamiento gráfico, escáner e impresora, para el proceso fotográfico.

También debemos evaluar nuestras habilidades a la hora de trabajar en este campo multidisciplinar de la construcción de pedales. Un poco de experiencia en estos terrenos ayuda, aunque no es imprescindible. Si ya has construido otros pedales para ti, como los de Piso-Tones o has hecho proyectos por tu cuenta y han salido bien, adelante, tienes un buen camino recorrido.

En el caso de nuestro efecto, solo nos han dado un poco la lata las resistencias de altisimo valor que incluye. Si podéis conseguirlas, el resto de los componentes son estándar y no tendréis más problemas. Si no las encontráis, siempre podéis poner varias en serie hasta llegar al valor necesario.

Clonemos la placa. Procedimiento fotográfico.

Lo siguiente es copiar la placa de circuito impreso. Colocando la cara de las pistas sobre el vidrio del escáner, obtendremos una imagen de alta resolución en color de la placa. Utilizando un programa de diseño gráfico con capacidad para manejar capas, crearemos una nueva capa, transparente, y dibujaremos las pistas en negro, siguiendo el patrón del dibujo. Cuando hayamos completado dicho patrón, eliminaremos la capa escaneada e imprimiremos en una transparencia el dibujo de las pistas que hemos hecho. Así obtendremos el fotolito de partida con el cual, después de insolar, atacar y taladrar, tendremos una placa idéntica a la original. Este es el paso principal a la hora de clonar un efecto, y quizás el más trabajoso y tedioso. Revisaremos todas las pistas varias veces, no se nos olvide ninguna. No olvidemos imprimir a escala 1:1.


Placa1 del EF Placa2 del EF Placa3 del EF
Para ver el dibujo de la paca con acotaciones pincha aquí.

Esquema del MXR-EF

Placa del MXR Envelope Filter original

Olvidaba una cosa. Los puntos de conexión de la placa con los componentes exteriores van numerados del 1 al 8, de izquierda a derecha y corresponden a lo siguiente;

  1. Output
  2. Attack pot (cw)
  3. Attack pot (cursor)
  4. Vbatt(+)
  5. Threshold pot (cursor)
  6. Input
  7. Threshold pot (cw)
  8. GND

Construcción del pedal.

Una vez obtenida la placa, los siguientes procedimientos son los estándar en este tipo de trabajo. Insertamos y soldamos los componentes, cortamos las patas sobrantes, pintura, taladrado y montaje del hardware de la caja, cableado, prueba y montaje final de acabado (botones, conmutador, etc). Ahí es nada. Unas horitas de trabajo sí que lleva esto....

Cualquier circuito de este tipo es susceptible de mejoras, como añadir un true bypass DPDT (el original no lo trae), un millenium bypass para la indicación visual (led), alimentación externa, resistencias pull-down, en fin, todo lo que el Calambres y Rubén han relatado anteriormente en sus páginas de Piso-Tones tan magistralmente. Aquí está mi pequeña contribución para todos los que visiten estas páginas. Si tenéis alguna duda, escribidme sin problemas y procuraré ayudar en lo posible.


EF de Totufo / Piso-tones Ltd. Interior del EF de Totufo / Piso-tones Ltd.

EF de Totufo / Piso-tones Ltd.

Aquí tenéis el resultado final del proyecto. Todo el trabajo de serigrafía, pintura y el estupendo acabado exterior es trabajo de Rubén Hernández. Todo el trabajo de investigación, diseño, documentación, clonación y construcción de la parte electrónica es de Miguel Cejas. Todo el proceso de fabricación se ha realizado en Tenerife, Islas Canarias, con la muy apreciable ayuda de algunos compañeros peninsulares del Foro de Fendermanía en la difícil labor de conseguir algunos componentes clave. Este efecto FUNCIONA, está comprobado, y salvo error u omisión, es un clon perfecto, al menos en su funcionalidad, de un MXR Envelope Filter de 1981. Así que, a fabricaros uno y a comentar que tal os ha ido!.


Prototipo.

Prototipo de placa del EF de Totufo / Piso-tones Ltd.
Pincha en la foto para verlo ampliado.

Fijáos que falta el condensador electrolítico de 47uF, justo abajo y a la izquierda del integrado horizontal. Es un filtro de alimentación y se puso posteriormente a la foto.

Acabado de la placa

En algunas placas de aparatos comerciales veréis que toda la superficie de cobre viene estañada. Sobre todo en las fuentes de alimentación y en los pasos finales de los amplis a transistores, donde se manejan corrientes importantes, a veces decenas de amperios. Esto se hace para aumentar la sección del conductor que forma la pista del PCB, y con ello permitir que circule más corriente por ellos y evitar que se quemen. En otros casos, como en los pedales MXR, no sé exactamente a qué se debe el empleo de esta técnica de estañado, ya que un pedal no maneja corrientes importantes. Supongo que con buen criterio, MXR comprueba en su departamento de control de calidad, la continuidad e integridad de las pistas. Si están estañadas, es mucho mas facil hacer este control, además la placa es mas robusta y garantizada contra grietas en sus pistas.

Si os atrae dar este tipo de acabado a vuestras placas, he aquí como lo he hecho en mi Envelope Filter.

Una vez atacada la placa, con sus pistas visibles, pasad el taladrado a todos los agujeritos de los componentes. Seguidamente, usad un trozo de lana de acero de alambre muy fino para eliminar todo rastro de emulsión del revelado y de suciedad en general. Limpiamos con alcohol abundante para eliminar toda la grasa. Con un algodón, pasamos por la placa un poco (muy poco) de pasta de soldar específica para estos menesteres. En todas las tiendas de electrónica hay. Acto seguido tomaremos un caldero viejo (después de usarlo no servirá para nada más) puesto al fuego. Poco a poco derretiremos estaño en su fondo hasta formar una "gota" que cubra el tamaño de nuestra placa. Ahora tendremos que sumergir el lado de las pistas en esta gota de estaño fundido. Es fundamental tenerla en horizontal para que todas las pistas se estañen. Para ello, usad una primera cuerda de acero de guitarra, pasadla por dos agujeros próximos al centro de la placa, de manera que el "rabo" de la cuerda quede totalmente perpendicular a la placa. Sumergidla unos segundos en la gota gorda de estaño, sujeta con la mano por el otro extremo de la cuerda, mirando y observando cada pocos segundos que todas las pistas cubran, y que la temperatura no sea excesiva y se nos queme la placa. Una vez comprobado que el estaño se ha adherido a todas las pistas, rapidamente y sin dejar que se solidifique (menos de dos segundos o tres), sacamos la placa del estaño fundido y le damos un golpe contra el suelo, con decisión, para que el exceso de estaño se desprenda y quede la cantidad justa en las pistas de la placa. Revisaremos que no queden cortos entre las pistas y Ya está. Acabado totalmente profesional en nuestras plaquitas de circuito impreso....

Conclusión

Con esta técnica pretendemos demostrar que no solo se pueden clonar efectos a partir de información obtenida de la red o de otras fuentes, sino que partiendo de un pedal original, hecho por el fabricante, y con un poco de tesón, se pueden hacer réplicas exactas de cosas que no se encuentran en el mercado. Con ello me gustaría que alguno de vosotros aportara y compartiera un trabajo parecido a éste, siguiendo la técnica aquí descrita, así podríamos compartirlo y formar una pequeña “cooperativa” de clonación de hardware, y hacernos todos con un buen arsenal de efectos vintage que realmente merezcan la pena. Un saludo a todos los efectomaniacos. Rubén Hernández. Miguel Cejas “Totufo”.

Unas palabritas del Calambres (¡como no! Razzz! )

Bueno, queda claro que Piso-tones Ltd. no es tan "Ltd" como parecía. Afortunadamente hay gente, como el Totufo, que se lo curra de maravilla y tiene la generosidad de compartir su trabajo con todos nosotros. Tengo el placer de poseer uno de estos pedales y doy fé de que suena estupendamente.

Este proyecto no ha contado en absoluto con mi colaboración o al menos no más allá de haberle conseguido a Totufo algún que otro componente algo difícil como, creo, alguna resistencia de valor poco estándar y el haber transformado el documento original a formato "html" para su publicación en la web de Piso-tones, pero de todas formas creo que puedo añadir algo. Con las estupendas descripciones de Totufo y lo que ya se ha contado en otros artículos de esta web, podréis sin duda crearos este pedal sin muchos problemas pero hay un par de cosas que quiero añadir:

Recientemente he hecho una modificación en el circuito. Si os fijáis en la resistencia R12 de 200K, esa es la que proponen como sustituible por un pote para la regulación de "énfasis". Después de mucho probar me dí cuenta que no tiene sentido el andar modificándolo con un pote, pues siempre sonaba mejor en una misma posición. En mi caso lo que más me gustó fué el sustituir la R12 por una de 150K (en vez de los 200K) pero podéis hacer lo que hice yo: probad con un pote de 250K, elegid el "punto dulce", medid el valor y sustituir por una resistencia. En mi opinión, con ese valor de 150K suena mucho más "abierto" y bonito. Probad.

Por último tengo unas imágenes originales que pueden ser muy curiosas:

Para saber más:


Kilroy Was Here
© Totufo y Piso-tones Ltd. Calambres y Rubén Hernández | guitarristas.org