![]()
![]()
![]()
![]()
![]()
El ScrewFace. Un clon del Dallas Arbiter Fuzz Face

Por Miguel Cejas
El Fuzz Face de Dallas Arbiter y también
sus hermanos clónicos el "ScrewFace" y el "Fuzz Face" de PisoTones, son el objeto
de éste artículo.
Los clones que hemos fabricado son los que se exponen en este
artículo. Son aparatos en los que la robustez, la simplicidad y la facilidad
para efectuar su mantenimiento en caso de avería han sido los criterios de
diseño básicos. Todo ello le da este aspecto "vintage",
manteniéndonos fieles, en lo posible, a las tecnologías de montaje empleadas
en la época en la que se diseñó y se fabricó originalmente el efecto, con
todos los elementos a la vista, fácilmente accesibles, y a la vez, sólidamente
unidos para soportar condiciones de trabajo adversas, a las que siempre se ve
sometido un pedal de guitarra, constantemente en movimiento y soportando patadas
y "Piso-Tones" de sus brutos usuarios
Este efecto es muy especial. Es un Fuzz, un
distorsionador, pero tiene "sensibilidad al nivel de entrada". Los
puntos de trabajo en los que hagamos funcionar a los transistores marcarán la
diferencia. Dependiendo de como los ajustemos, haremos que el efecto se comporte como una "sierra mecánica de distorsion indiscriminada" , o que actúe como un sutil (aunque también potente) efecto musical en el que la cantidad y calidad de la distorsión viene manejada por el nivel de entrada, la sensibilidad del músico, y depende directamente de la manera de tocar su instrumento, del ataque que demos a las cuerdas. Esa es la "magia del Fuzz Face".
Dependiendo de cómo toquemos la guitarra, el Fuzz Face responderá. A niveles bajos, obtendremos un sonido limpio, enriquecido solamente por la suave distorsión asimétrica del efecto junto con la "redondez" en el clipping propia del germanio. A medida que vamos subiendo la intensidad de nuestra señal (ya sea tocando con más energía, ya sea subiendo el potenciómetro de la guitarra), la distorsión tiende a ser más y más simétrica, y la calidez comienza a apoderarse del altavoz del ampli, hasta llegar a un fuzz "de lo más clásico" cuando los niveles alcanzan el tope. La cremosidad y la riqueza en armónicos es progresiva, continua, a medida que tocamos más y más fuerte.
Este artículo consta de dos partes: En la primera se describe y se analiza el circuito, y pretende ser la parte teórica, y en la segunda, doy mi particular enfoque práctico al asunto y describo cómo fabriqué mi ScrewFace y sus gemelos rojos de PisoTones, para que el que quiera lo calque, lo clone, lo copie, tome ideas, le de la vuelta, y se construya uno con garantías de éxito. Quiero saber qué tal os ha ido construyendo vuestros Faces. Quiero noticias vuestras. Es una orden!

PARTE 1. TEORIA DE FUNCIONAMIENTO. (PARA LOS ESTUDIOSOS)
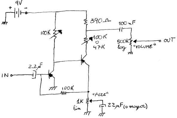
Este circuito es el típico distorsionador. El diseño que se ha empleado es un clásico, en el que se usan dos transistores de germanio (originalmente AC128 o NKT275) conectados en una configuración que originalmente fue concebida para obtener la máxima ganancia posible con dos "modestos" transistores de ganancia "modesta". Tanto el AC128 como el NKT275 no fueron elegidos por sus "soberbias cualidades" como transistores. El diseñador optó por ellos simplemente porque eran muy baratos y muy facilmente conseguibles. Los NKT275 fueron seleccionados simplemente porque el proveedor (Newmarket) estaba geográficamente próximo al fabricante Dallas Arbiter. Una simple cuestión de estrategia industrial por motivos exclusivamente económicos, y no por ninguna cualidad excepcional de los componentes. Me atrevería a asegurar que los transistores de germanio PNP para pequeña señal más empleados de toda la historia de la industria electrónica europea fueron los AC128. Los típicos "transistores de los pobres".
Es por ello que voy a insistir en un tema que puede resultar polémico y que generará controversias en torno a lo "esotérico" que pueda tener el rollo este del "efecto mágico" que hizo famoso el sonido de Mr. James Marshall Hendricks, y que ha traido de cabeza a todo el mundo que ha querido fabricarse uno. Los "gurus" de la electrónica, sobre todo los que trabajaron con Jimi para darle "ese sonido", han hablado del Face poniéndolo en un "estado de gracia semidivino", y diciendo que es poco menos que imposible conseguir clonar uno, y han contribuido a elevarlo a la categoría de "leyenda". Las modificaciones que han propuesto estos y otros muchos maestros gozan de prestigio demostrado en el mundo de los efectos. Mi intención no es teorizar sobre si los transistores tenían "mojo" dentro de ellos o no, o si la resina de color verde de los AC128 preferidos por Mike Fuller era la que daba el sonido peculiar a determinadas unidades, o que un determinado tipo de resistencias de carbón al 20% son mejores o peores que unas de película de metal al 1%. No quiero entrar en este tipo de discusiones. Me parecen tonterías sin importancia comparadas con un factor de demostrada criticidad en cualquier circuito: El punto de trabajo de los transistores.
Mi intención en este artículo es, como siempre, intentar desmitificar el tema. Intentaré dar explicaciones razonadas que simplemente describan el comportamiento de éste efecto cuando se conecta entre una guitarra y un amplificador, contando para ello solamente con mis experiencias particulares al respecto. Seguramente otras personas han tenido experiencias distintas a las mías y/o tendrán explicaciones u opiniones distintas a las mías con respecto al tema. Agradezco de antemano que os pongáis en contacto conmigo para discutir sobre este apasionante tema. Repito, intento ser riguroso y emplear el sentido común, los principios de la física y mis propias experiencias. Este efecto puede que tenga algo de "magia". Pero creo que la magia no es tal cuando indagamos en ella y se convierte en prestidigitación, habilidad conjugada con conocimiento, en la que la "intervención divina" o los "fenómenos paranormales" no tienen cabida. Todo tiene truco. Todo tiene su explicación.
También intentaré demostrar que las modificaciones que se publican en muchos artículos de estos maestros, no proponen un cambio importante en el circuito, simplemente son VARIACIONES EN LOS VALORES DE POLARIZACIÓN DE LOS TRANSISTORES, ajustes lógicos por otra parte si queremos que el efecto funcione "en su punto", como un Fuzz Face y no como una amoladora radial. El esquema básico es el mismo, solo se cambian los valores o se ofrecen "mejoras" con respecto a la ganancia o la estabilidad, que en ningún caso suponen cambios drásticos en el comportamiento del circuito. Muchas "modificaciones revolucionarias" son simples "operaciones cosméticas" que se han añadido al efecto con el paso de los años y con la experiencia de muchos diseñadores.
En este artículo propongo otra "modificación", pero en este caso no es para un determinado modelo de efecto. Se trata simplemente de construir un clon del Face con garantías reales de hacerlo funcionar tal y como debe hacerlo. Independientemente de la cantidad de "mojo" que contengan los componentes de que dispongamos. Con unos transistores de germanio de la época que no sean demasiado ruidosos y que no tengan unas fugas "inaceptables" SE PUEDE hacer un Face con un sonido más que decente. Hay quien incluso los fabrica con transistores de silicio y suenan MUY bien. Intentaré demostrar que la verdadera magia del efecto está en el ajuste cuidadoso del punto de trabajo de los transistores más que en ningún otro factor. Para ello, la amplitud de valores que he dado a dos componentes clave en el circuito es fundamental. He introducido dos trimmers que sustituyen a las dos resistencias que situan el punto de trabajo del circuito. Y he exagerado deliberadamente sus valores para poder variar en un márgen MUY AMPLIO las dos corrientes que contribuyen definitivamente a establecer estos puntos de trabajo. Las dos corrientes de colector de los transistores. Si observamos las modificaciones "populares" del FuzzFace, las que todos conocemos de haber buscado y rebuscado en la web, llegaremos a la conclusión de que con estos dos simples trimmers, tendremos TODAS las modificaciones en una. Variar los puntos de trabajo de los transistores marcará la diferencia en el sonido final de nuestro efecto. Las características propias de los transistores también tendrán algo que decir en el carácter del sonido, pero no tanto como yo suponía. No es necesario que los transistores estén en un estrecho márgen de ganancias. Eso de ganancia 90 en Q1 y ganancia 130 en Q2 es muy relativo. Mejor vamos a suponer que todos los germanios son de "ganancia 100" y después observemos como se comportan "en la vida real". Hay que oir cómo suenan. En los libros de diseño electrónico de la época se propone como criterio básico a la hora de hacer cálculos, que "dado el estado de la tecnología actual de fabricación de componentes, (......) el diseñador de circuitos electrónicos, admitirá y tendrá en cuenta como valores normales de tolerancia en los parámetros hfe, Ic0 y r'e hasta mas menos un 300% del valor nominal dado en las hojas de datos del fabricante". Con estas desviaciones, no me llaméis "exagerao" si sustituyo una resistencia de 8K2 por un trimmer de 47K y una resistencia de 33K por un trimmer de 100K. Esto puede darnos mucho juego. Suficiente para ajustar nuestro efecto en su punto y a voluntad. Es más, si el rango del trimmer se hace insuficiente, os animo incluso a probar con valores aún más grandes. No va a pasarles nada a los transistores por polarizarlos fuera de su punto, siempre y cuando no excedamos los 30V (imposible con una pila de 9V). Sin embargo, ajustando los trimmers, empleando el oido a fondo, conseguiremos ese sonido "mágico" del que hablamos.
Dos transistores, cuatro resistencias, tres condensadores y dos potenciómetros forman el circuito. El primer transistor está en la configuración más sencilla posible para obtener la máxima ganancia. Entrada con desacoplo por Cin directa a la base, el emisor a masa y resistencia de carga en el colector de 33K. Máxima ganancia en la primera etapa. Normalmente este primer transistor se polariza con una tensión en el colector muy próxima al medio voltio, cerca del punto de saturación, con lo que tenemos clipping asimétrico en ésta primera etapa. Si sustituimos la resistencia de 33K por un trimmer de 100K, podremos variar a voluntad la cantidad de distorsión asimétrica de esta primera etapa. Y de paso, la tensión de polarización en la base de Q2.
El acoplamiento de la primera etapa con la segunda es directo, de colector a base, de nuevo para conseguir la máxima ganancia. La resistencia de emisor de 1K estabiliza el punto de trabajo, y el condensador de 20uF deriva a masa sólo la señal alterna, por lo que su valor no resulta crítico si no lo hacemos demasiado pequeño. Rfb es el camino de la realimentación negativa. Para Q1, esta resistencia de 100K actúa como camino de realimentación, polarizando su base con una corriente proporcional a su propia tensión de colector. Este diseño es otro clásico. Se llama "Polarización por Realimentación de Tensión", muy empleado en la época para obtener la máxima ganancia de dos "pobres" transistores con un coste mínimo y una estabilidad "moderada". No es nada del otro mundo si observamos su filosofía de diseño, pero en su punto de trabajo está el sonido peculiar. Parece ser una feliz coincidencia. De nuevo el azar se alía con el diseño para dar un resultado único. No es magia, simplemente es prestidigitación.
Este diseño tiene también la característica de poseer una impedancia de entrada muy baja, lo que supone que actuará como una carga efectiva y notable ante la guitarra que conectemos a su entrada. Un tema importante. Además, la "Polarización por Realimentación de Tensión" tiene como uno de sus objetivos reducir la distorsión, hasta cierto punto. Cuando le metemos señal fuerte al circuito, la tensión de colector de Q2 tiende a venirse abajo, hacia la tensión de emisor, con lo que la tensión de polarización a través de Rfb disminuye y "shunta" a masa parte de la señal de entrada. La saturación se torna "acolchada", musical, sensible al nivel de entrada. Insisto: Si no conseguimos el punto de trabajo correcto para que nuestro Face se comporte de esa manera, de poco nos servirán los Transistores Super-Vintage que hemos comprado a nuestro guru preferido de la Red a precio desorbitado.
La polarización de Q1, como ya dijimos, se sitúa cerca de masa. Esta tensión es la que a su vez polariza la base de Q2 y le deja espacio suficiente para trabajar en la región lineal. Cuando Q2 satura, debe hacerlo de forma simétrica. A medida que metemos más y más señal en Q2, saturará fuertemente hacia el corte, hacia la misma polaridad en la que Q1 ya ha saturado suavemente con señales más bajas, asimétricamente y hacia la saturación. Esto hace que si tocamos suavemente, la distorsión sea muy suave, y a medida que damos fuerza al toque de cuerdas, y de manera suave, progresiva, obtengamos distorsiones más y más duras.
Bien, pues para poder ajustar este "punto dulce" en mi ScrewFace y en los FuzzFace rojos de Piso-Tones, he hecho uso de la siguiente "modificación" del circuito. Repito, no soy partidario de hablar de modificaciones cuando son simples "cambios en los valores". No he inventado nada, solo pretendo ser un poco pragmático.
Primera modificación: La resistencia Rc2 del esquema original dice 330 o 470 ohmios. Hemos optado por el valor intermedio, 390 ohmios. La red formada por Rc2 y Rc3 se comporta como un potenciómetro situado en un punto fijo, para que el nivel de salida sea (aproximadamente) igual al nivel de entrada.
Segunda modificación: Rc3 tiene un valor de 8k2 en el esquema. Un trimmer de 47K (o 100K en caso de fugas en Q2) será suficientemente amplio para rectificar el punto de trabajo del segundo transistor.
Tercera modificación: Rc1 tiene un valor de 33K. El trimmer de 100K nos da de nuevo mucho márgen de ajuste en caso de no tener (como es normal) un Q1 con los valores nominales que indica el fabricante.
El ajuste del efecto se comienza intentando obtener un sonido lo menos rasgado posible con pequeños niveles de señal. Hay que tantear muy despacio los dos trimmers para buscar la máxima limpieza en un principio. La cantidad de "suciedad" que después queramos darle es cuestión de matices, de movimientos muy pequeños de los cursores de los trimmers. Si tenemos dificultades en fijar el punto óptimo, podemos poner en serie otro trimmer de ajuste fino de un 5 o un 10% del valor de su correspondiente "de ajuste grueso", aunque esto no suele ser necesario. Incluso podríamos colocar potenciómetros exteriores de ajuste muy fino para controlar con precisión el punto exacto y enriquecer con más matices aún nuestro Face. Variando los puntos de trabajo, variando de manera muy leve la simetría de la señal, podemos dar sutiles cambios a nuestro pedal. Nunca he probado un "mercer box" de Jacques, pero apostaría que sus controles "Love-Hate" tienen algo que ver con esto. Aquí no hay mucho más misterio. Podemos también lograr un punto de trabajo definitivo y fijo sustituyendo los trimmers por resistencias una vez que estemos satisfechos con el resultado. Experimentad y comentad vuestras jugadas.....
Una herramienta muy útil para hacer estos ajustes es un osciloscopio. Podremos tener una indicación visual de lo que estamos haciendo. Pero yo recomiendo utilizarlo CONJUNTAMENTE con una guitarra y un amplificador. El osciloscopio establecerá una correspondencia visual con lo que estamos oyendo. Sin la indicación sonora, no nos estaremos enterando de lo que sucede. El oído es nuestro mejor aliado para ajustar un Face. Intentar hacerlo solo con un osciloscopio no da buenos resultados. Si lo hacemos con el oído, podemos obtener un buen sonido. Si lo hacemos con ambas cosas, pues mejor. A abrirse de orejas!!!
Bueno, ya vale de esquemitas y teoría y pasemos al tajo. Compra los
componentes y pon a calentar el soldador. Prepara kilómetros de estaño y
sumérgete en el mundo del metal fundido.... Terminator Skeleton ha llegado del
pasado para definir el sonido analógico del futuro.....
PARTE 2. REALIZACIÓN PRÁCTICA. (PARA LOS MANITAS).
La realización de este proyecto toma como compromisos de diseño las siguientes pautas:
Busca un trozo grueso de alambre de cobre, toma medidas, dale forma y construye un chasis que una los dos jacks con la unión de las dos regletas con un buen punto de soldadura, que será el punto común o masa del aparato (usa un soldador algo potente para soldar el alambre). He usado cables rígidos de colores para interconectar el resto de los componentes. Si te esmeras un ratillo en doblarlos a medida, soldarlos bien y luego atarlos firmemente, obtendrás un conjunto que se sostendrá por sí solo sin necesidad de alojarlo en una caja. El tema adquiere rigidez y fortaleza. Al final, suelda los componentes pequeños (transistor, resistencias, trimmers, condensadores, etc.) y listo. La disposición de los componentes se ha hecho siguiendo el sentido común. Mientras sigas el esquema, da igual de que manera los pongas. Que las conexiones sigan el esquema, el resto, a tu criterio. Fijate que incluso la posición de los potenciometros de fuzz y volume están intercambiadas en estas dos versiones del FuzzFace.
Bien, pues siguiendo las instrucciones de la página de Piso Tones y observando el aspecto terminado de nuestros faces, espero que os animéis a construir uno. Es sencillo. Un poco de paciencia y un puñado de componentes es todo lo que necesitáis.
Creo que se puede estudiar mucho más en profundidad el fenómeno Fuzz Face y por eso hay tanta información en la red. Usa tu buscador preferido con las palabras clave y lo comprobarás. Casi todo es verdad, pero creo que el dato fundamental no está bien explicado.
He llegado a varias conclusiones, todas ellas siguiendo en lo posible el "procedimiento científico" en la medida en que mi pobre experiencia me dicta, en la medida en que las leyes de la física no entren en conflicto con mis ideas y en la medida en la que mis medios materiales (e intelectuales) me lo permiten. Si alguien encuentra un fallo garrafal en éste mi artículo, que no se extrañe y que, por favor, me lo haga saber de inmediato. Rectificaré lo que sea necesario ante la evidencia. Todo por obtener y brindar toda la información que haya disponible para Ustedes, Lectores de Pisotones Ltd.
En el topic "Fuzz Face Casero" de guitarramania.com, encontraréis un foro abierto, relativo a la construcción, ajuste, modificación, reparación y tecnología del Fuzz Face. Allí encontraréis noticias y datos actualizados sobre el tema Fuzz Face.
Pues bueno, el peculiar diseño del Fuzz Face es el de polarización por realimentación de tensión, un clásico popular, nada del otro mundo, un amplificador en clase A. Pero las funciones de transferencia de entrada-salida y su figura de distorsión son complejas, sobre todo en las malas condiciones en las que hemos trabajado y probado los equipos. Habría que hacer un estudio estadístico muy extenso para llegar a conclusiones firmes. Los transistores eran pobres, muy pobres, sensibles a la temperatura, poco consistentes, con muchas fugas. Entonces, ¿Cómo es que algunas unidades sonaban estupendamente y otras eran una mierda?. Pues creo que por las tolerancias, las derivas y las inconsistencias de los componentes. Estamos hablando de tolerancias en los parámetros de los transistores de un 300% y de tolerancias en los componentes pasivos (resistencias y condensadores) de un 20% ó de un 10% en el mejor de los casos. Son errores acumulativos que afectan en gran medida al resultado final. Tengamos en cuenta que el punto de trabajo de los transistores es crítico para que el sonido sea bueno. Todos los factores apuntan a que el Fuzz Face era (y es) un efecto grandioso cuando las condiciones de trabajo de los transistores le acompañan. O es una mierda cuando está "fuera de punto". Imagínate cómo suena un motor Rolls Royce con el carburador desajustado. Pues eso, para que suene bien, hay que ajustarlo.
Los autores que proponen "modificaciones" y esquemas de "su" Fuzz Face, lo único que modifican es el valor de las resistencias de polarización para encontrar el punto de trabajo idóneo de los transistores y apuesto a que suenan bien. A veces también aportan alguna modificación real con respecto a estabilidad térmica o la ganancia y nada más. Pero suenan bien no porque sus transistores tengan "mojo" (no dudo que lo tengan), sino porque sus transistores ESTAN trabajando en la región lineal, y en el justo punto de trabajo que el efecto requiere para sonar como un Fuzz Face. También hablan de que los transistores han de tener una ganancia en continua determinada para poder sonar bien.
Discrepo en este punto. Los transistores tienen sus amplias tolerancias en este parámetro y es practicamente imposible hallar una pareja con esos valores tan ajustados. Opino que los transistores no tienen porqué tener una hFE determinada para conseguir clipping asimétrico en la primera etapa y clipping simétrico en la segunda. De nuevo, todo depende de la zona de trabajo en la que se muevan, dentro de la región lineal. Me da igual poner el que tiene mas hFE en la primera etapa que en la segunda. Después lo corrijo con el trimmer y listo, ya está trabajando en su punto. Otra cosa es la ganancia en alterna que tenga el transistor, el ruido, las fugas. Estos parámetros no se pueden medir con un polímetro, y la única prueba que es fiable es el oido.
Ahondando en el tema del mojo de los transistores, he de decir que me siento muy afortunado al haber encontrado un stock en el que el 60 o 70 por ciento de ellos suenan bien. Suenan bien polarizándolos en su sitio. Si no ajustamos el punto, no me consideraría tan afortunado. Sólo el 5 o el 10 por ciento serían válidos. Después de haberlos ajustado, de los buenos voy a destacar lo que mi experiencia me ha enseñado hasta ahora:
En fin, una auténtica lotería. Si te toca uno bueno, pues mejor. Lo peor que puede pasarte es que sea muy ruidoso, que esté en cortocircuito, abierto, o que suene extremadamente flaco. Pero si los transistores están bien, lo demás es coser y cantar.
Hacedme caso, ajustando las corrientes de colector de los dos transistores, el efecto adquiere su famosa "magia". El resto son cuestiones secundarias que afectan en menor medida al sonido. Aunque si queréis verdadero sonido Fuzz Face, seguid destripando radios viejas...
Un saludo.