Sans Amp GT-2

¿Es o no es una auténtica chulada???

El GT-2

Es un "Emulador Analógico de Amplificadores"... toma ya!. Es el equivalente a lo que hace un "POD" pero en analógico, sin DSP (Digital Signal Processor) por medio ni Software ni nada. Tampoco tiene efectos como el POD, pero ofrece un interfaz mucho más intuitivo, emulaciones buenísimas y, sobre todo, un circuito al alcance nuestro, cosa que con el otro... ¡ni lo sueñes!. Con él podremos simular un ampli tipo Fender, Marshall o Mesa-Boogie pero con tres "personalidades" cada uno y, como regalito, un emulador de altavoz con posiciones virtuales de micrófono.

Si antes os decía que fabricarse un POD está fuera del alcance de los "Piso-toneros" al uso, no os creáis que este es moco de pavo. Es, con mucho, el proyecto más complicado que hemos hecho hasta la fecha, tanto de electrónica como de cableado como de caja. Pero tampoco os asustéis... con un poco de paciencia y con la ayuda que aquí os encontraréis esperamos que seáis capaces de hacerlo. Si bien es nuestro proyecto más difícil también es nuestro proyecto más documentado. Espero que se entienda todo bien.

También hemos de advertir que es el proyecto más caro, pues tiene muchísimos más componentes que cualquiera de los otros Piso-tones.

Makoki

¿Os acordáis de Makoki???, pues eso es lo que parecía el prototipo del GT-2 cuando estaba sin caja. Para los que tengáis menos años, Makoki era un personaje de comic de principios de los '80 que pululaba por la revista "El Vívora" y creado por "Gallardo y Mediavilla". Era un "peligroso sosiá" escapado de un hospital frenopático cuando estaba en plena sesión de electroshock, por lo que iba permanentemente vestido con el típico camisón hospitalario y con el casco de eletroshock puesto, con todos los cables de los electrodos colgando de la cabeza. Por eso me recordaba a Makoki.


Humm... lo de Makoki me recuerda a algo y no sé muy bien a que...

El Circuito

Sinceramente... ni se me habría pasado por la cabeza el acometer este proyecto si no fuese porque el amigo Francisco Peña, en su página Tonepad ya se había trabajado el "layout" de la placa de circuito impreso. Este no es un efecto que se pueda hacer fácilmente en placa preperforada. Sería una locura intentar hacerlo. Afortunadamente, Francisco vende sus placas en Tonepad. Contactad con él si estáis interesados.

Francisco califica sus proyectos según el grado de dificultad y este lo ha tildado de "Insane" (de locura) ya que es muy trabajoso de hacer con muchísimo cableado. Desde luego no es lo que yo recomendaría como "primer proyecto" pero con paciencia y mucho cuidado se puede llevar a buen fin. Por otra parte los resultados son asombrosos. No se me ocurre otro calificativo... las emulaciones son fabulosas. Sinceramente no nos esperábamos que fuesen tan buenas.


Cuando digo que hay muchísimo cableado, no estoy de broma...

Aunque parezca mentira, el cableado está estructurado y muy "limpito", sólo que la foto plana hace que parezca un plato de espaguetti de colorines. Fijáos que los cables de señal In/out son coaxiales apantallados, necesarios para evitar en lo posible las oscilaciones e interferencias. Más adelante lo explicaré con más detalle.


Placa según el diseño de Francisco Peña con los componentes ya puestos.
¡Son un montón!
Aquí puedes ver la placa por el lado de las pistas aún con la emusión, aquí sin emulsión y una vez que ha sido estañada.

Importante: no os asustéis con la complejidad de la placa. En caso de que os parezca demasiado complicada de hacer, siempre podéis compársela a Tonepad por un precio módico.

Siguiendo con el tema del circuito, lo podéis ver en la página del Sans Amp GT-2 en Tonepad. Allí podréis leer comentarios de usuarios que ya lo han hecho. Por cierto que os he de avisar de algo. Hace tiempo que le estábamos dando vueltas a este proyecto por lo que tenía el fichero "pdf" impreso desde hace meses. El caso es que la primera versión de ese "layout" tenía un error en la parte del control de tono. La placa original de prototipos de nuestro GT-2 estaba hecha según ese fichero erróneo. Al tiempo se corrigió el error y, francamente, suena mucho mejor con el trazado correcto. Las placas que podéis ver más arriba llevan ese error, pero afortunadamente era poca cosa y se pudo arreglar fácilmente cortando una pista y puenteando con un trocito de cable. Ya digo que la versión actual en Tonepad está corregida. Pincha aquí para ver remarcados los dos errores que había. Ahora hay en Tonepad una nueva versión más de la placa del 2007. Nosotros usamos la anterior pero seguro que esta es también correcta y, según parece, mejor diseñada.

Si os fijáis en el PDF que aparece en la página del Sans Amp GT-2 de Tonepad, veréis que abajo a la izquierda de la placa hay una resistencia de 1M marcada en rojo. Francisco peña no lo indica pero esta es una resistencia opcional de "pull-down". Recomiendo usarla para evitar chasquidos en la conmutación On/Off.

Una cosa que recomiendo encarecidamente es que pongáis un diodo de protección contra inversiones de polaridad. Podéis intercalarlo en cualquier parte del circuito donde vayan cercanas las vías de +9V y masa (pistas Rojo y Verde respectivamente en el pdf). El método es muy sencillo, poned el diodo rectificador (de la serie 1N400x siendo la x cualquier número entre el 1 y el 7) al revés, con el cátodo (la "rayita") a +9V y el ánodo al masa de un modo análogo a como se explica en la página de la placa del TubeScreamer. El diodo opcional aparece allí en rojo.

IMPORTANTE: Como acabamos de decir, la versión que usé en este proyecto no es la que actualmente reside en Tonepad (Rev.3 de 2007) sino una anterior que ya no está disponible allí. En el siguiente enlace podréis ver el fichero pdf con el esquema y la placa de la versión Rev.2 de fecha 24/01/2003 de Tonepad que usamos en este proyecto.


Otra cosa muy importante es que este circuito tiene una particular oscilación cuando se desactiva. En él hay muchas etapas de ganancia y teniendo en cuenta que nos será bastante difícil el poder llevar a cabo tantísimo cableado sin que parezca por dentro un nido de lombrices, al final tanto cable y tanta ganancia provoca esa oscilación. Afortunadamente sólo aparece cuando el efecto está en "By-Pass".

Al principio cableé el switch de pié del modo habitual de los demás Piso-tones, pero cuando lo probé me dí cuenta del efecto. El caso es que, en "By-Pass", dependiendo del "Amp" que usemos y del "modo" y sobre todo si subimos el control de agudos, aparece una oscilación muy desagradable. Al principio pensé que era a causa del follón de cableado que tenía mi prototipo pero tras rehacer dicho cableado y dejarlo mucho más limpio, la oscilación seguía allí. La solución es sencilla pero acarrea un problema secundario. Se trata de poner "a masa" la salida del circuito (el "Out" del circuito) cuando esté en "By-Pass" para lo que necesitaremos utilizar la conexión de control del "Millenium-2" en el DPDT. En efecto, si desconectamos ese cable de control y en su lugar conectamos el terminal libre del DPDT a masa, al poner el efecto en Off la salida de este se cortocircuita a masa con lo que desaparecen del todo las oscilaciones. El problema que nos queda es que ahora no podemos disponer del "Millenium-2" para activar y desactivar los LEDs. Esto nos deja tres posibles vías de solución:


Método de enviar a masa la salida del efecto usando un DPDT
En azul se representan los actuadores del conmutador.

Con este método del DPDT tendréis que tener permanentemente conectados los LEDs con el consiguiente consumo de pilas. Si lo que queréis es que los LEDs se activen sólo cuando el pedal está en "On" (cosa que recomiendo) aquí tenéis el método del 3PDT:




Se han quitado las descripciones de patitas por claridad del dibujo.
Los dos circuitos superiores del 3PDT se cablean de modo idéntico al DPDT anterior.

Otra cosa útil para evitar ruidos y oscilaciones es el utilizar cable apantallado para las conexiones de In y Out entre los Jacks-Switch-Placa. Conviene conectar la malla a masa en un extremo del cable unicamente, así evitaremos bucles de masa. El otro extremo lo podemos aislar con cinta aislante o, mejor aún, con macarrón termorretráctil. Lo podéis apreciar en la foto del interior que tenéis más arriba.

Supongo que con un ruteado de cables más adecuado y de menos longitud y una disposición de placa mejor se podría eliminar o al menos paliar el problema pero... ¿que quieres?... esto es DIY!. Desde luego en el GT2 original no ocurre.


En cuanto a los componentes a usar, utilizad los más pequeños que encontréis, pues el espacio está muy restringido en la placa. El espaciado de taladros está diseñado para resistencias de 1/4 de vatio como mucho. De 1/8W también valen, pero son más difíciles de encontrar. Los condensadores deberán ser de polyester pequeños (64V ó 100V según la capacidad). Los electrolíticos os valdrán de 16V y los cerámicos de lenteja pequeños.

El transistor recomendado es el BC413B que es el que yo he usado y va bien. Cualquier equivalente, tipo 2N5088, 2N5089 o similar os valdrá pero... cuidado con el patillaje. Es algo que no queda nada claro en el pdf de Francisco Peña. Ampliad bien la zona y veréis el esquema. De izquierda a derecha: Colector, Base y Emisor... Lo véis... ¿no?... pues el dibujo del contorno del transistor está al revés!!!. Fijáos en el Datasheet del BC413 y veréis que en el dibujo de F. Peña (a fecha 22/05/03) el símbolo está invertido de arriba a abajo. El "chaflán" del transistor debe estar "hacia abajo" para que coincidan las patitas en su sitio. Cuidado con esto. El dibujo parece que está hecho basándose en el otro propuesto, el 2N5088_2N5089, que tiene un patillaje diferente al BC413B.

Más adelante os describiré qué hacer con los LEDs y cuales usar.

Circuitos Integrados

Los circuitos integrados propuestos por F. Peña son los típicos TL072, muy comunes y baratos y de bastante buen sonido. Se trata de "Dobles Operacionales" de configuración estándard. Se trata de unos operacionales del tipo "J-FET" que, a priori, parecen especialmente adecuados para este diseño. Con lo de "Configuración Standard" indico que podréis encontrar docenas de otros dobles operacionales que serán sustitutos "pin a pin" de este y con los que podréis jugar a ver qué pasa, como por ejemplo, los (J)RC4558, RC4559, LM833, LM358, LM1458, TL062, TL082, OP275, TLC2262, etc, etc. En mi opinión esta es una aplicación en la que no deberéis usar los famosos JRC4558 y demás familiares allegados. La configuración "FET" de los TL072 parece en buena parte responsable de la calidad de las emulaciones. No olvidéis usar zócalos y prestad atención, pues "IC4" está orientado al revés que los otros tres.

Sin embargo aquí radica la truco de este proyecto. Como ya conté en el foro de Guitarramanía, los integrados son en realidad otros. Tras realizar el GT2 con los TL072 antes descritos y estar bastante contento con los resultados, surgió la duda tras lo propuesto por Darkangel en su web rusa. El proponía varias diferencias que, según él, estaban mal en el esquema de J. Luja. Lo más interesante es que insistía en que para poder obtener el sonido "auténtico" del GT2 era imprescindible el uso de integrados "rail-to-rail" del tipo TLC2262, que eran según él los que originalmente llevaba el GT2. El caso es que me picó la curiosidad y me puse a investigar el tema para lo cual le pedí a Rubén su Sans Amp GT-2 original. Cuando me llegó lo abrí (no sabéis lo complicado que es abrir un GT-2 original) y pude comprobar varias cosas:

Antes de entrar en faena con lo de los integrados, acalrar lo de la resistencia y el condensador:

Volviendo al tema que nos ocupa, el de los integrados, en efecto en la placa del GT2 de Rubén aparecían claramente tres a la vista, todos ellos del tipo "montaje en superficie":


Placa del GT-2 original de Rubén.



Detalle de la foto anterior conde se aprecia el TL072 y el otro chip lijado.
Arriba a la derecha, parte de la zona escondida tras una masa de epoxi.

El HEF4013BT es un integrado de 14 patitas del tipo "Dual D-type flip-flop" utilizado para la conmutación del efecto, pues el original no lleva switch DPDT ó 3PDT. No es necesario para nuestro GT2 y no influye en absoluto en el sonido.

Si os fijáis en la siguiente foto de la placa de J. Luja en axiomdrift.com (OJO, esta web ya no existe, por eso os he puesto aquí las fotos y el esquema) arriba a la derecha podéis ver la zona en donde se quitó la placa negra que escondía los componentes. Veréis que hay una zona, debajo de R5 y R6 con unos "pads" que son el resultado de haber arrancado un chip de montaje en superficie de 14 patitas. Ahí es donde estaba el cuádruple operacional que nos faltaba.


Foto de J. Luja donde se ve la zona inicialmente ocultada con epoxi y
ya liberada de la resina. Se pueden apreciar daños en el proceso de
limpieza y los pads donde iba el cuádruple operacional.
Abajo del todo se ve el chip HEF4013BT que no nos interesa para este montaje.

Suponiendo que el chip "lijado" es otro doble operacional y teniendo en cuenta el TL072 que sí se ve, evidentemente los otros cuatro operacionales (o dos dobles) que nos faltan están en la "zona escondida" debajo del cuadrado negro de resina, puesta allí con la intención de ocultar los componentes que hay debajo.

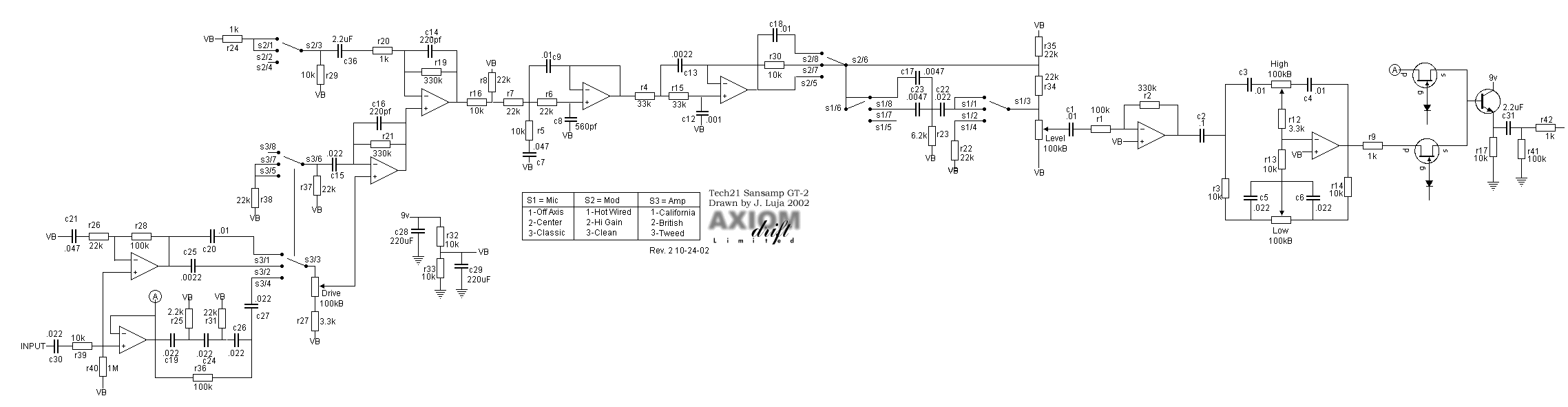
A continuación podemos ver el esquema trazado por J. Luja a partir de la placa de la foto anterior:


Esquema del SansAmpGT-2 trazado por J. Luja.
Como podéis ver hay 8 operacionales que corresponden a dos chips dobles y uno cuádruple.
También podéis ver dos FETs a la salida que son para conmutación y que debemos ignorar.
Pincha en la imagen para verla a tamaño ampliado.


Pues bien, Darkangel insiste en que ese es un integrado del tipo TLC2264, que es un cuádruple operacional equivalente a dos TLC2262 (dobles, como el TL072) y que ocupaban el lugar asignado a IC2 e IC3 en el esquema de J. Luja / F. Peña. Evidentemente la placa de F. Peña que estamos proponiendo está diseñada para usar integrados del tipo "doble" (8 pines) por lo que me puse manos a la obra a buscar una pareja de TLC2262CP para probar y... es cierto!!! el truco está en estos integrados. Una vez puestos y comparado con el GT2 original de Rubén sonaban tan iguales que era asombroso... sin embargo todavía había "algo" en el original que hacía que sonase mejor... sobre todo en el modo "Fender".

Me acordé del integrado "lijado" (IC4) y pensé que si fuese un TL072 no tendría mucho sentido el haberlo ocultado cuando ya había otro TL072 a la vista (IC1), así que puse otro TLC2262CP allí y.... ¡¡¡ BINGO !!! ahora si que sonaban EXACTAMENTE iguales los dos GT2.

Llegué un poco más allá y probé con integrados del tipo TLC2272CP que son del mismo tipo que los TLC2262CP pero de menor ruido y algo más de consumo... algo así como las equivalencias entre un TL062 y un TL072, ¿véis las analogías de códigos? Pues bien, no fuí capaz de apreciar absolutamente ninguna diferencia de sonido o incluso de ruido entre ambos por lo que dejé los TLC2262CP por su consumo más bajo.

¿Qué diferencias hay con respecto a usar 4 TL072?... pues que con los TL072, a pesar de que ya de por sí suena muy bien, parece como que las saturaciones de los modos Plexy y Mesa son más "sucias" y el modo Fender resulta francamente más "abierto" con los TLC2262CP.

Pienso que lo que hace que el GT2 suene TAN bien es el cuidado diseño del circuito por parte de Tech-21 alrededor de las funcionalidades de la tecnología "rail-to-rail" de los TLC2262.

En síntesis y sin entrar en muchos detalles, los operacionales con tecnología "rail-to-rail" ofrecen la posibilidad de entregar salidas de un nivel pico a pico de casi igual amplitud en voltios a la alimentación simétrica (rails) de los propios chips. Esto quiere decir que son capaces de entregar "mucha más salida sin distorsionar" que otros operacionales comunes como los TL072 o, dicho de otro modo... la saturación que oís con los TLC2262 es la deseada, sin ningún tipo de distorsiones propias del chip o, mejor aún... que si llevas los operacionales a los niveles de amplificación necesarios para que el circuito funcione como debe, los operacionales normales "tosen, carraspean y se quejan" mientras que los "rail-to-rail" son capaces de funcionar como se les pide. Sin embargo, el diseño de alta impedancia de entrada J-FET del primer integrado IC1 sí que parece ideal para un TL072 y de hecho así es en el original.

Ese es el truco del almendruco. Hacedme caso y probad unos TLC2262CP y ya veréis...

En resumen, si queréis que vuestro GT2 suene idéntico al original, seguid la placa de F. Peña y poned:

Por último hay reportes en el foro de Guitarramanía de ocasiones en las que se poducen zumbidos o pitidos en las emulaciones de alta ganancia. Yo también lo he experimentado y resultó ser un caso de operacional estropeado, lo cual tal y como se indica en el artículo de R.G. Keen: When good opamps go bad..., parece ser algo bastante común. Si te pasa, sustituye uno a uno los operacionales por otros nuevos hasta que deje de pasar.


J. Luja también hizo esta gráfica con la respuesta de los tres simuladores de micrófono/altavoz.

Funcionamiento

El manual indica que está "diseñado para usarse con amplificadores 'Full Range' o PA". Pues bien, enchufado a la entrada directa de un buen ampli a válvulas suena de impresión. El consenso general entre los usuarios de los SansAmps es que el modelo "Classic" es más versátil y completo pero más orientado a ser usado en un ampli de P.A. o directamente a mesa y el GT-2, bastante más simple, es más útil para ser usado como "pedal".

A pesar de lo que dice el manual original de que está basado "en la auténtica tradición de los amplificadores a válvulas en su totalidad", la etapa de tonos está basada en el modelo "Baxandall" activo de Graves y Agudos que no se encuentra en los amplificadores de guitarra sino en los de Hi-Fi. El control de agudos es quizá demasiado presente y requiere que lo tengas más bajo de lo que sería normal en otros pedales. Tened cuidado con esto pues a valores medios el sonido puede ser un poco estridente. Dependerá de vuestros gustos pero afortunadamente, en mi opinión, bajando el pote se puede llegar a un ajuste muy bueno. De todos modos, el ajuste final también estará controlado por el ampli o mesa o P.A. al que lo conectéis.

Al principio me asombró el encontrarme con esta configuración pues al fin y al cabo estamos intentando emular amplificadores que llevan controles de Graves/Medios/Agudos. El caso es que funciona de maravilla... no puedes hacer el típico "scoop" de medios en plan Heavy-Metal, pero... con esa emulación de Mesa Boogie que trae y el control de micrófono, ¿quien lo necesita?.

De todos modos, si queréis aumentar los medios bajad un poco los graves y agudos y subid el volumen. Para bajar medios haced justo lo contrario.

Para obtener una emulación tipo:


y a partir de ahí, juega con los controles. A continuación os explico lo de "las tres luces".

LEDs

Dancing in the Dark...
LEDs en acción. El efecto es estupendo.

Si os fijáis en la foto veréis que debajo de cada uno de los conmutadores hay una lucecita de diferente color. Realmente se trata de LEDs bicolor que tienen tres "patitas" en lugar de dos. Estos componentes son realmente dos LEDs dentro de una sóla cápsula. Los hay de muchos tipos, pero los más comunes y que vamos a usar aquí son los "Rojo-Verde de cátodo común". Esto quiere decir que uno de los dos LEDs que incluye es Rojo, el otro Verde y la "patita" central que comparten es el cátodo.


LEDs Bicolor

Con estos LEDs, aunque se denominan "Bicolor", realmente disponemos de Tres colores pues si activamos los dos ánodos se encienden ambos LEDs (Rojo y Verde) dando un resultado de luz Ambar. El Cátodo es común:




Esquemas de un LEDs Bicolor de cátodo común.
Los hay de otros tipos y colores, pero estos son los más fáciles y baratos de encontrar.


Esto nos provoca algún que otro inconveniente pues hay que tener en cuenta que los dos LEDs que están presentes dentro de la capsulita, aunque están muy cercanos uno del otro, no comparten exactamente la misma posición física. Con esto quiero decir que cuando estén ambos encendidos y según desde donde miremos al LED, lo veremos como "Ambar", "Rojo con algo de Verde" o "Verde con algo de Rojo". Conviene que hagáis pruebas para encontrar la posición más adecuada en la caja. Si no se ve bien, girad un poco los LEDs. Para ello os recomiendo que dejéis sus patitas largas.

Es muy importante que sepáis que los LEDs no funcionan exactamente igual que una simple bombilla. Un LED siempre ha de tener una resistencia en serie limitadora de corriente que para una alimentación de 9V como es nuestro caso oscilará entre 1K y 4.7K y de 1/4W de potencia. Cuanto más alto el valor menos luminosidad pero menos consumo de pila y viceversa.

Aunque los LEDs pueden ponerse en serie con una sola resistencia limitadora de corriente, en paralelo es imprescindible que cada LED lleve la suya. Nuestro LED bicolor realmente está compuesto de dos LEDs en configuración paralela con cátodo común por lo que cada ánodo deberá llevar imprescindiblemente su propia resistencia. No os olvidéis de esto pues si no lo hacéis, feiréis el LED. Os recomiendo que hagáis pruebas fuera de la caja para encontrar también el valor adecuado de resistencia limitadora de corriente.

Fijáos más abajo en el esquema que hay una resistencia por cada elemento emisor de luz, esto es, seis en total o dos por cada uno de los tres LEDs bicolor.

Por otra parte y al igual que los LEDs normales, los hay de tipo "Alta Luminosidad" que lucen más intensamente lo que os permite que los hagáis trabajar con menos consumo de pila, esto es, poniendo resistencias de 4.7K lucirán suficientemente y el consumo será mínimo. Desgraciadamente no son fáciles de encontrar LEDs bicolor de este tipo y de 3mm de diámetro, que es el tamaño que habitualmente usamos en Piso-tones Ltd. por lo que si usáis estos mismos deberéis bajar el valor de las resistencias para que luzcan lo suficiente. Yo he usado resistencias de 2.2K pero puede que si pensáis usarlo en zonas muy iluminadas o al aire libre tengáis que poner resistencias de 1K o buscarlos del tipo "Alta Luminosidad".

Tened cuidado con este tema pues pensad que este es un circuito que de por sí lleva ya 4 integrados que hacen un total de 8 amplificadores operacionales a lo que hay que sumarle hasta 6 LEDs (con los tres en "Ambar") por lo que el consumo total puede dispararse si pensáis usarlo a pilas.

El sistema de LEDs de colores me parece utilísimo para discernir de un vistazo que opciones tenemos seleccionadas. Además están elegidos de modo creciente, esto es, las selecciones más "suaves" son Verdes y las más extremas son Rojas:


lo cual en mi opinión es bastante intuitivo, como un semáforo. Esto puede tener el inconveniente de que en "By-Pass", con los LEDs apagados, la cosa no es tan fácil de ver, aunque para eso ya tenemos los marcadores de los botones. Se deja a vuestra elección. Si decidís que los LEDs estén siempre encendidos (ojo con el consumo!!!!) entonces recomiendo poner otro LED rojo normal con su propio Millenium-2 para indicar el On/Off.

En cualquier caso, he visto que para poner los 3 LEDs bicolor en la caja lo mejor es montarlos sobre una tira de placa preperforada en la que también podréis ubicar el circuito Millenium-2. Nos hará la vida mucho más fácil. Más abajo os muestro los esquemas de estas regletas.

Regleta de LEDs
Detalle de la regleta de montaje de LEDs.
Más abajo os cuento cómo hacerla.

Yo he optado por utilizar los tres LEDs también como indicador de On/Off, esto es, cuando el pedal está en "ByPass" todos los LEDs se apagan y se vuelven a encender cuando activas el efecto. Más abajo indico como lo he hecho.

Conmutadores, métodos de conmutación y sus esquemas.

En el SansAmp GT-2 original los conmutadores son deslizantes pero de un tipo bastante difícil de hallar en tiendas de electrónica. Por ello me decidí a usar conmutadores giratorios que son mucho más fáciles de encontrar y baratos y que además facilitan el montaje pues con un simple taladro en la caja vale. Los originales requieren un agujero rectangular algo más complicado de hacer.

Realmente se necesitan 2 circuitos y 3 posiciones (DP3T) pero se me ocurrió que si usaba los de 4 circuitos y 3 posiciones (4P3T) podría hacer una chulada con LEDs que ya hemos visto antes y que os cuento en detalle más abajo.


Conmutadores giratorios 4P3T
Hemos usado el de la izquierda, que es más barato y fácil de localizar.

Deberéis poner muchísimo cuidado con el cableado de los conmutadores pues es bastante complejo y si os equivocáis puede ser bastante difícil el que os déis cuenta del error. El efecto no sonará todo lo bien que es debido. Esta es la parte más delicada del montaje y a la que tendréis que prestar especial atención y cuidado.

Os ofrezco un esquema de conexionado de los 4P3T giratorios que he usado y que os recomiendo por las razones antes descritas. Este conmutador lleva grabados los terminales con un número del 1 al 12 y con letras A a D en los comunes. Os aconsejo que destinéis los circuitos A y B para la conmutación del Sans-Amp propiamente dicha, ya que aparecen reflejados en el esquema con esas mismas letras y así os será mucho más fácil. Los circuitos C y D los dejaremos para los LEDs. Representaremos el circuito C como Rojo y el D como Verde para que sea más intuitivo a qué parte del LED bicolor se refiere cada uno.


Esquema del conmutador. Cuatro circuitos y tres posiciones.
Los colores identifican cada uno de los cuatro circuitos.
La línea de puntos indica que los cuatro actuadores se mueven a la vez.

Para que veáis claro cómo van conectados los conmutadores os recomiendo que ampliéis el dibujo de la placa de Tonepad hasta un tamaño bastante grande, lo imprimáis (si puede ser, en color) y lo estudiéis detenidamente. El método de identificación descrito puede ser un poco lioso pero si lo analizáis con un poco de cuidado veréis que está claro. El sistema de pads de esa placa está previsto para unos conmutadores deslizantes, pero nosotros usaremos los giratorios, así que habrá que "traducir" un sistema al otro.

Os recomiendo el que uséis un código de colores para los cables de conexión. No tiene por qué ser el mismo que he usado yo, pero hacedlo para evitar equivocaciones. Hay mucho cableado en este pedal. Fijáos en los pads de la placa reservados a los cables que irán a los conmutadores, pues no todos están conectados. Esto os permitirá ahorraros algunos cables dentro de la maraña que de todos modos tendréis. Además, algunos pads están unidos al adyacente por lo que esas parejas de pads funcionarán con un sólo cable siempre que respetéis también la unión en el lado del conmutador. En caso de duda o si no lo tenéis muy claro, poned todos los cables, ahorrándoos sólo los que no tienen pad conectado a nada.

Mirad el detalle del conexionado de la base nuestros conmutadores giratorios y las letras y números que aparecen grabadas en el plástico indicando claramente sus terminales. Como ya hemos visto, cada color indica un circuito independiente:



Recordad que habíamos quedado en que los circuitos C y D los dejábamos para la conmutación de los LEDs bicolor, por lo que nos quedan los circuitos A y B que, como veréis, comparten denominación con los originales de la placa. Ahora ved la identificación de terminales de conmutador que propone Tonepad.

Sxyz

Así, por ejemplo, el primer pad que se ve en el dibujo de la placa, arriba a la izquierda: S3A0 significa "Terminal común del circuito A del conmutador nº3 (AMP)"

Si lo habéis captado y si os fijáis en lo que os dije antes, los siguientes 3 puntos de conexión no es necesario que lleven cables:

Por otra parte, las parejas de pads pueden utilizar un sólo cable de conexión al conmutador, siempre y cuando en este último también se unan sus correspondientes patillas. Con ello nos ahorramos otros 3 cables:

En total nos podemos ahorrar 6 cables, que no es poco entre tanta maraña.

Los otros dos circuitos de nuestros conmutadores giratorios, los C y D como ya quedamos se destinan a la conmutación de los LEDs bicolor. Propongo tres posibilidades de conmutación de LEDs y sus correspondientes esquemas en placa aparte preperforada:

Hay una cuarta opción que es una variante de esta última. Si preferís que los LEDs estén siempre encendidos para tener una visualización permanente del estado del GT-2 (insisto en que los botones también sirven para esto) podéis poner permanentemente a masa los cátodos de los LEDS y usar el tercer circuito del 3PDT para activar el cátodo un cuarto LED rojo con el ánodo conectado a +9V (con una resistencia en serie, claro) y que de este modo os indicará el estado de On/Off del efecto. Si elegís este método, ojo con el consumo de pilas.

Otra cosa muy importante es que si váis a serigrafiar o pintar o poner algún tipo de carátula en la caja que indique las posiciones de los conmutadores y usáis los mismos que nosotros, poned mucho cuidado en que los ángulos de giro de cada posición coincidan con lo que dibujéis. En el caso de los conmutadores que hemos usado, el ángulo de giro de cada "click" es de 30º.

Por último, indicaros que los conmutadores de los que he podido disponer son del tipo "Ruptura antes de Conmutación", pero existen los mismos con "Conmutación previa a la Ruptura". Esto quiere decir que, con los nuestros, cuando giramos el mando lo primero que ocurre es que el actuador (A a D) pierde contacto con los puntos de destino (1 a 12) y al final del "click" es cuando se conecta a la siguiente posición. Sin embargo, los que son de "Conmutación previa a la Ruptura" primero conectan con el siguiente punto y luego desconectan del anterior, por lo que hay un "punto intermedio" en que ambas posiciones están conectadas al mismo tiempo. Para que nos entendamos, como los famosos switches de tres posiciones de las primeras Stratocasters. La gente aprendió a poner esas "posiciones intermedias" tan interesantes. Pues bien... según he leído de gente que lo ha hecho, esta posibilidad funciona bastante bien en el GT-2. El problema es que este tipo de conmutadores es bastante raro. No he sido capaz de encontrarlos en tiendas de electrónica pero si estáis interesados en probarlos, los venden en R.S. Components. Buscad la referencia "320-742". Cuestan algo menos de 1.5€.

Caja


El original y el nuestro.... ¿Cual os mola más?

Este es un efecto mucho más complicado que los demás Piso-tones y sería imposible meterlo en la caja Retex RI-414 que habitualmente usamos. Por eso nos hemos decidido por la Retex RI-415 que es más grande.

Caja de frente
La caja Retex RI-415 es más alta y grande que las que usamos en otros Piso-tones.

En honor a la verdad, aún así la cosa va un poco justa pero hemos decidido trabajar un poco más en ajustar todo dentro y en hacerlo todo con más cuidado del usual para no tener que ir a una caja demasiado grande que sería un engorro. Aquí tenéis un esquema en el que se vé cómo hemos diseñado el interior. Todos los componentes que véis están a escala.


Diseño propuesto con la caja Retex RI-415.

Si os fijáis con detenimiento en la foto del principio de esta página y la comparáis con el esquema propuesto os daréis cuenta de que los jacks de Input/Output no cuadran. Pues bien, el dibujo inicial corresponde con las cajas que se han serigrafiado para nuestros GT-2. Posteriormente descubrimos que esa disposición de los jacks nos creaba problemas por lo que recomendamos ponerlos como aparecen en estos croquis.


Esta es una "Radiografía" de la caja vista desde arriba y con los componentes dentro.
Los números en los círculos indican el diámetro en mm del taladro.

Hemos tenido que hacer una pequeña chapucilla y es que debido al tamaño de la placa y a no querer usar una caja más grande, no hemos podido fijarla del modo habitual, esto es, en posición vertical entre las solapillas que llevan esas cajas en las caras interiores. No ha habido más remedio que dejarla "flotante" tal y como se muestra en el dibujo. El propio cableado interno se encargará de mantener las cosas en su sitio. Si acaso la pila puede que necesite de velcro adhesivo o algún sistema similar. La tapa de la caja deberá llevar un recubrimiento interior aislante para evitar que se hagan cortocircuitos a masa.

Hablando de esta tapa, al principio se diseñó con un sistema de cambio fácil de pila análogo al de los otros Piso-tones, pero al final nos dimos cuenta de que era un poco inútil, pues de todos modos hay que sacar los cuatro tornillos para cambiar la pila debido al gran tamaño de la placa, así que no os molestéis en hacerlo. Eso sí, la goma "bisagra" que cubre todo el interior de la tapa nos ha servido de maravilla para el aislamiento que os acabo de contar.

Que se note que es un Piso-tones Ltd.
El Piso-tones más versátil y gamberro hasta la fecha Chúpate esa!...
Eso si...lo del truco de acceso fácil a la pila no vale para nada Estoooo... Glups!...

Pilas

Como ya he dicho antes, este efecto consume bastante por lo que es más necesario si cabe el disponer de alimentación externa opcional que en el resto de los Piso-tones. De todos modos, como ya hemos visto en el dibujo anterior, hay espacio para poner dos pilas que se deberán conectar en paralelo. Aún así os quiero advertir que si no hacéis el cableado interno muy "limpio" tendréis problemas para poner la segunda pila y sólo podréis poner una.

Jacks
Junto al Jack de Input podéis ver el jack de alimentación externa.



Modelos y controles

Como ya conté antes, estos son los modelos que emula el GT-2:

Estos son los modos de funcionamiento:

Estos son los controles de Micrófono:

Y en cuanto a los potenciómetros:

En Internet (¡cómo no !) hay una Página Extraoficial del Sans-Amp GT-2 con mucha información sobre presets y hasta un foro de usuarios. Muy interesante. La página original hace años que ya no existe así que el link os redirige a la Wayback Machine de la organización Internet Archive.

Rubén ha hecho una versión particular de los modelos de "presets" de esa página, que a su vez están sacados del manual del GT-2. Seguid este link para ver los Modelos personalizados para el SansAmp GT2 de Piso-tones Ltd.

¿Cómo suena?

Claro... todo este rollo no tendría sentido si después de todo no sonase bien. La verdad es que no es precisamente el caso Cágate, lorito... como podréis comprobar vosotros mismos.

Por favor, tened en cuenta que estos ejemplos han sido obtenidos con un poco de prisas, en plan muy casero y no reflejan del todo la calidad del efecto.

Otro posible uso

El GT-2 conectado a mesa de mezclas y de allí a equipo de P.A. suena fabuloso. El rango de salida es lo suficientemente amplio como para soportar todo tipo de amplis de salida. Además, conectado a equipo de Hi-Fi nos puede solucionar perfectamente la papeleta de no tener ampli en casa.

Conectado a un amplificador de auriculares el resultado es también buenísimo. Originalmente, cuando estábamos en fase de desarrollo del proyecto y con el prototipo "Makoki" ya hecho se nos ocurrió la idea de incluir un pequeño amplificador de auriculares en la misma caja y así utilizarlo directamente como sistema personal de prácticas.

En la web hay varios esquemas de amplis de auriculares, algunos de ellos muy buenos, de bajo consumo y lo suficientemente pequeños como para que quepan en la misma caja. Buscad, por ejemplo, en HeadWize, que tiene varios excelentes. Eso nos permitiría tener todo integrado en un paquete compacto y la mar de útil. Con un sistema de conmutación en el propio jack de auriculares podríamos activar este pequeño ampli al introducir el jack y así poder mantenerlo desactivado mientras usamos el GT-2 de modo convencional.

Quizá en un futuro nos metamos con esto. Ya os lo contaríamos por aquí.

Conclusión

Como ya os dije antes, es un efecto trabajosísimo de hacer, más caro que el resto de los Piso-tones y que requiere de cierta experiencia y habilidad, pues con tanto cableado no se permiten demasiadas chapuzas. Dicho todo esto y volviendo a repetir que es trabajosísimo, que quede claro que merece la pena. En mi opinión es el Pedal de Distorsión Definitivo, versátil como pocos, muy configurable y que suena de impresión. Si leéis Inglés, echad un vistazo aquí y hacéos la boca agua.

...Ah!... se me olvidaba una cosa muy importante: El Sans-Amp GT-2 también vale para bajo Lo que yo te diga!

Vuestros GT2s"

Para saber más: GT-2 en el foro de Guitarristas.org
Archivo en: GT-2 en el foro de Guitarramanía

¡Ánimo!


Kilroy Was Here
©2003 Piso-tones Ltd. Calambres y Rubén Hernández | guitarristas.org