Harmonic Clipper
por Calambres



Introducción

En esta ocasión rescato un efecto poco conocido que originalmente no era un pedal, ni siquiera un efecto independiente sino parte integrante de un poco frecuente amplificador de los '70. Se trata del Harmonic Clipper, perteneciente al elenco de efectos incluidos en el amplificador Kustom 200B-4, un ampli de transistores conocido en USA por el enorme tamaño de su pantalla, extravagante diseño, gran volumen de sonido y precio asequible, y en todo el mundo por ser el mítico cabezal de John Fogerty, guitarrista principal y líder indiscutible de Creedence Clearwater Revival.

Los fans de ese grupo reconocerán inmediatamente el sonido típico de Fogerty con buena dosis de trémolo, reverb y una distorsión/fuzz muy característica. Como ya he dicho, no usaba efectos independientes sino que tiraba de los efectos incluidos en su versión a medida de este amplificador en el que había una sección en el panel etiquetada como Harmonic Clipper, con un sólo mando de volumen del efecto y accionable mediante interruptor de pedal externo.


Amplificador Kustom 200B-4. Un ampli con bata boatiné.
Arriba a la derecha vemos el Harmonic Clipper

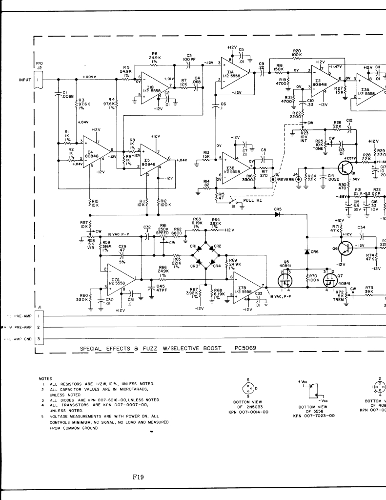
El modelo en cuestión es el 200B-4. Los tres primeros dígitos indicaban los vatios de salida multiplicados por dos. Así este es de 100W, los modelos 100 eran de 50W, etc. Curioso truco de marketing. El "4" indica el número de efectos incluidos que llevaba, pues los había de 1, 2, etc. Este lleva cuatro: Trémolo, Reverb, "Selective Boost" (realmente unos presets de tono) y el Harmonic Clipper. Aquí tenéis un esquema de la parte que incorpora ese efecto en dicho amplificador:

.
Enmarcado en rojo, el módulo del Harmonic Clipper.
Pinchad en el esquema para verlo ampliado.
Si queréis ver la parte izquierda del esquema de esa sección, pinchad aquí.

Circuito y esquema

Se trata de un Fuzz "raro" en el sentido de que se queda a medio camino entre un Fuzz y una Distorsión siendo más de la última que del primero. Este es el esquema del circuito tal y como aparece en el Kustom 200B:

Al circuito le precede el previo del amplificador y está alimentado a 12V por lo que hay que hacer unas cuantas correcciones. Para adaptarlo a los típicos 9V que usamos habitualmente hay que modificar algunos valores de resistencias. También debemos modificar algunos condensadores para adaptarlo a la típica cadena de guitarra-pedales y alguna que otra cosilla más. Veamos cómo va quedando:

Esta es la forma básica en que nos queda. Como véis se han modificado algunos valores obtenidos de la experimentación, como veremos más adelante. Como transistores se usan unos típicos 2N5088 pero os valdrá cualquier transistor de pequeña señal y con no demasiada ganancia. Entre 200 y 350 de hFE irá bien. Si acaso uno de los dos tiene más ganancia, ponedlo en la segunda posición, a la derecha en el esquema. No está de más el añadir un nuevo condensador de 100µF entre los +9V y masa como filtro de alimentación. Más adelante lo veremos. Como acabo de decir, en la web hay varios esquemas basados en este efecto pero ninguno de ellos me ha parecido satisfactorio. Este es un circuito que pide a gritos el montarlo en una placa de prototipos (breadboard) e ir cambiando valores de componentes hasta adecuarlo a lo que más nos guste. En efecto, dependiendo de qué componentes cambiemos y cómo lo hagamos, podemos obtener desde el típico fuzz barroso hasta una distorsión muy potente pasando por algo más parecido a un overdrive que a otra cosa. Propongo que sigáis el siguiente modelo de placa de proyectos:

Debéis probar ajustando los valores de la resistencia de 22K para obtener los valores de tensión adaptados al primer transistor que aparece en el esquema de más arriba y lo mismo con la resistencia de 620K y la de 4,7K para el segundo. Del mismo modo, podéis sustituir los valores de los diodos y de algunos condensadores para modificar la respuesta del efecto. Sugiero que empecéis seleccionando los diodos que más os gusten, pues estos producen un cambio radical en el resultado y luego afinéis con los condensadores:

Diodos

El circuito original utilizaba una pareja de diodos 1N270. Estos diodos son de Germanio y del tipo "Gold Bonded". Tienen una tensión directa típica de unos doscientos y poco milivoltios y no son fáciles de encontrar. En ebay pululan por doquier pero yo iría con cuidado porque hay muchas falsificaciones, sobre todo chinas. En cualquier caso yo he probado con una pareja de Ge de este tipo, CG84H auténticos, y el resultado no me gustó mucho como ya veremos más abajo. Para poder hacer un análisis fácil de diferencias entre diodos, me hice el siguiente montaje:

Ahí podéis ver un montaje breadboard más complicado que el propuesto arriba. Además de un conmutador DPDT que hace de True Bypass para poder comparar el efecto con el sonido directo, puse un juego de conmutadores "miniDIP" a la derecha que me permitía escoger fácilmente entre unas cuantas parejas de diodos o incluso entre parejas de distintos tipos:


Detalle.
La pareja de diodos negros de la izquierda son los CG84H

Las combinaciones pueden ser muchísimas. Se pueden incluso poner varios diodos en serie en cada sentido, pero al final los mejores resultados los obtuve con parejas idénticas de diodos. A continuación os relato los resultados de mis experimentos. Para las gráficas en osciloscopio he utilizado un generador de funciones ajustado a onda senoidal de 440Hz (un "La") y un valor de 800mV pico a pico:


Generador de Funciones.

Evidentemente esto es sólo para "ver" las ondas resultantes; para las pruebas de sonido usé una guitarra y amplificador.

  • Diodos CG84 "Gold Bonded": Estos, a pesar de ser del tipo indicado en el esquema original, me ofrecieron unos resultados muy pobres. Demasiado fuzz y "barro" para mi gusto. Como podéis ver en el oscilograma, la salida "pico a pico" es inferior a la entrada sin embargo el resultado audible es de más ganancia debido a la compresión generada. Suena "más fuerte" que en bypass.


    Diodos CG84.
    Arriba la señal de entrada y abajo la generada por el Harmonic Clipper.


  • Diodos de Germanio genéricos: ¡Estupendos!... este es el sonido que esperaba obtener y que me hace pensar en Fogerty inmediatamente. La señal es un poco mayor que en el caso anterior aunque aún menor que la entrada. De nuevo, el resultado es que suena "más fuerte" que en bypass. Un efecto que es medio "Fuzz muy redondo" y medio "overdrive casi distorsión", ahí es nada, jajaja... ¡Buenísimo!

    En un segundo Harmonic Clipper puse los famosos diodos rusos D9E que tan buenos resultados me dieron tanto en el Klon como en el Buzzaround pero en este montaje en concreto no los recomiendo; se quedaron un poco "anémicos". Conseguid o comprad algunas parejas diferentes de diodos de Germanio para probar pues este circuito parece ser bastante sensible al tipo de diodos de Ge que uséis.


    Diodos de Germanio "genéricos".
    Estos diodos, recuperados de algún cacharro viejo, me resultaron buenísimos.
    Son los diodos de amplolla grande de cristal con franja roja que se ven en una foto anterior.


  • Diodos de Silicio 1N4148: Aquí ya apreciamos que la señal, siendo de la misma forma de onda, es bastante mayor que la anterior y superior a la de entrada. El resultado es de mucha más salida que el anterior pero ya abandonamos el territorio Fuzz y se convierte en una distorsión en toda regla. No está mal pero para eso prefiero el siguiente caso.


    Diodos de Silicio 1N4148.


  • Diodos LED rojos de 3mm de baja intensidad: ¡Distorsión potentísima! Muy, muy bueno pero ya no hay ni rastro de la Creedence ahí... Es mi segunda opción. MUCHA más salida que los anteriores casos. ¡Tremendo!


    Diodos LED rojos.


  • Diodos LED verdes de 3mm de baja intensidad: Demasiado bestia. Apenas un pelo más de salida que el anterior pero pierde toda la claridad y se vuelve demasiado bruto. No me gusta.


    Diodos LED verdes.


  • ¡Sin diodos!: Pues si, sin diodos. Sacándolos del circuito observamos que la onda resultante es del mismo tipo, lo que implica que no todo el recorte se hace en los diodos. Sin embargo la salida es tan grande que satura la entrada de todo lo que vaya detrás provocando una distorsión horrible. Como experimento no está mal pero no es ni medio usable.


    Sin diodos. Demasiada señal.

Como habéis podido observar en todos los oscilogramas anteriores, la señal queda invertida de fase, cosa que no nos debe preocupar a menos que usemos sistemas stereo.

Os animo a que hagáis vosotros mismos vuestras pruebas. No os tenéis que ceñir a estos tipos de diodos pues también prodéis probar con Schottkys, rectificadores, LEDs de otros colores, tamaños e intensidades, parejas diferentes, asimétricas, etc.

Condensadores

Hay cuatro condensadores que nos pueden hacer cambiar la respuesta del efecto. Son los tres de 47nF y el de 68nF. El efecto tal cual está con esos valores produce un efecto un tanto "Treble Booster" que, aunque puede tener su gracia y, quizá, asemejarse más al sonido Fogerty, no acaba de gustarme del todo. Tras muchas pruebas he llegado a la conclusión siguiente, de izquierda a derecha en el esquema:

  • Primero: Definitivamente me gusta más con uno de 100nF. 47nF es demasiado agudo y más de 100nF me resulta demasiada "bola".

  • Segundo y tercero: Esta combinación de dos de 47nF está muy bien. Le da alegría y medios muy pronunciados. Corta bien en un entorno de banda. Sin embargo cuando los sustituyo por dos de 100nF el sonido se vuelve más potente y con cuerpo a expensas de cortar menos en la mezcla. Fantástico para cuando tocas solo. Ambas soluciones son muy válidas.

  • Cuarto: La opción de 68nF del esquema original me ha resultado, tras varios cambios, perfecta. Ni mucho ni poco; lo justo.

Estas son mis opiniones personales y de alguno más que ha hecho las pruebas conmigo, por aquello de que cuatro orejas son mejores que dos. Probad otros valores a ver qué os parecen.

Los otros dos condensadores, el de 100µF y el de 4,7nF, no afectarán al sonido. El primero, como ya dije antes, es opcional y es de filtrado de alimentación. El segundo es de desacoplo a masa para evitar posibles oscilaciones. No lo subáis mucho o perderéis agudos.

El último condensador de la derecha del esquema original del Kustom 200B, el de 220nF, no es necesario en este caso.

Otros cambios

  • Potenciómetros: En el esquema original hay un potenciómetro de salida (volumen) de 10K al que le siguen dos resistencias en serie de 10K también. Esto es así porque, como ya hemos dicho, este efecto iba en el amplificador después del previo y la señal ya era de por sí muy fuerte. Como pedal haría que la salida cayese muchísimo por lo que he eliminado esas dos resistencias y he sustituido el potenciómetro de salida por uno de 100K log.

    Por la misma razón el esquema original no llevaba control de entrada o de ganancia, ya que este era el del propio previo. En nuestro caso puede ser sustituido por el propio control de volumen de la guitarra pero eso puede ser poco práctico así que he decidido añadir un control de entrada mediante otro potenciómetro de 100K lin. para así prefijar la ganancia del efecto. Podéis poner aquí un potenciómetro de más valor para obtener un poco más de ganancia, por ejemplo de 200K o de 250K.

    Precisamente por ser este último precedido por el previo en el esquema original, veréis que en dicho esquema hay marcada una tensión de base del primer transistor de 0.5V, valor al que no podréis llegar en formato pedal, sino más bien a unos más discretos 0.16V ó 0.2V como mucho.

  • Resistencias: Además de las dos resistencias de 10K eliminadas que acabo de contar, hay otras que han de ser ajustadas y que ya comentamos antes. Nos serviremos de las tensiones que se muestran en el esquema para ajustar estos valores:
    • La de 47K ha de ser menor ya que no usamos 12V como en el Kustom sino 9V. En mi caso, el valor elegido ha sido de 22K pero dependerá del transistor que uséis en la primera posición.
    • La de 3,3M influye en la ganancia de este primer transistor y por la misma razón que la anterior, hay que modificarla. 2,2M en mi caso.
    • La de 2,2K, por la misma razón también, ha de ser eliminada. En mi caso, la he sustituido por otra de 33Ω al principio de los 9V como freno contra ruidos de alimentación, pues este es un circuito con bastante ganancia. Junto al condensador opcional de 100µF hace un filtro de alimentación bastante eficaz.
    • La de 470K, por la misma razón, ha de ser mayor. En mi caso, de 620K y también dependerá del transistor que uséis en la segunda posición.
    • La de 3,3K es el mismo caso. Mi valor ideal fué de 4,7K.


  • Transistores: En el esquema original no se especifican los transistores usados pero eran unos normales de silicio de no mucha ganancia. He optado por los 2N5088 porque tengo unos cuantos pero, como ya dije más arriba, cualquiera con ganancias moderadas entre 200 y 350 de hFE irán bien. Los 2N2222 de baja ganancia tambien son ideales para esto. Incluso podéis probar con transistores de germanio, si es que pilláis algunos NPN.

  • Switches: Como ya he contado antes, me pareció que había al menos dos opciones muy usables en cuanto a parejas de diodos y otras dos en cuanto a condensadores de paso, así que me he decidido por añadir dos switches para conmutar estas dos opciones.

Esquema final y placa

Con todo lo que hemos visto hasta ahora, he diseñado un esquema definitivo y una placa de tiras preperforadas para incluir todo lo discutido:

.
Diseño final.
Pincha en la imagen para verla a tamaño real ampliado.

Este diseño incluye todas las modificaciones que a mí personalmente me han gustado. Ten en cuenta estos comentarios:

  • Switches: Para seleccionar parejas de diodos y de condensadores:
    • SW1: Conmutador de bola DPDT. Permite seleccionar los dos condensadores de paso que flanquean los diodos de modo que en una posición permanece la pareja de 47nF original. En la otra posición se le une a cada uno otro de 47nF en paralelo para (casi) llegar a los 100nF de la prueba con la placa de prototipos (caso representado en el esquema). Además, cuando se selecciona la posición de una única pareja de condensadores de 47nF, los otros dos se cortocircuitan para que se descarguen y así evitar ruidos al volver a conectarlos en paralelo. Para más seguridad se puede poner esta opción con unas resistencias a masa de unos 2M2 en modo pull down. Lo etiquetaré como "Solo" (94nF) y "Banda" (47nF) por lo ya expuesto más arriba.
    • SW2: Conmutador de bola SPDT. Permite seleccionar la pareja de diodos de Ge (caso representado en el esquema) o la de LEDs rojos... o los que hayas elegido en tucaso.
  • Cortes de pistas: Todos están a la vista y ninguno queda oculto debajo de algún componente. Hay 10 en total.
  • Componentes con montaje vertical: El SW que utilizo no representa(ba) los valores de las resistencias o diodos cuando estos van montados verticalmente. Para evitar problemas he escrito el valor al lado de cada uno.
  • Condensadores: Presta atención en que, de izquierda a derecha, los tres primeros (100nF, 47nF y 47nF) van entre tres pistas y los dos siguientes (47nF y 47nF) van entre sólo dos. Lo mismo el último, el electrolítico de 100µF.
  • Diodos y/o LEDs: Fíjate bien que están invertidos uno con respecto al otro en cada pareja.
  • RLED: Resistencia para el LED. Dependerá del LED que uses; poco valor de 1K o menos para los LEDs de baja intensidad y más si son de alta luminosidad.

Como la placa puede ser un tanto confusa a continuación os pongo una imagen de la misma en la que se aprecian los puntos de soldadura de los componentes y que os puede ser de ayuda:

Al final la cosa resulta en una buena cantidad de cables. Con un poco de maña nos podemos evitar alguno, por ejemplo, al empezar a construir el pedal hice esto:

Si os fijáis bien en la placa, de este modo nos ahorramos dos cables. Unimos el que parte de D9 al centro del switch SPDT (el pequeño) y ya no tenemos que poner los que parten de D8 y D11. Con las masas podemos hacer algo parecido llevando un cable a un pote y de este al otro, y de ahí al LED de On/Off, masas de los jacks, etc.


Interior del Harmonic Clipper.
No hubo sitio para pila...


Proyecto Simplificado

La verdad es que el conmutador de condensadores de paso entre 47nF y 100nF produce una diferencia bastante sutil. Si os queréis ahorrar el follón de complicar la placa y añadir un conmutador extra, aquí tenéis una versión más sencilla sin esa opción:

.
Sin opción de cambio de condensadores de paso.
Pincha en la imagen para verla a tamaño real ampliado.

OJO: Hay un corte de pista que no se ve bien, justo debajo de la resistencia de 620K en la coordenada G9. En la siguiente imagen se aprecia mejor:


A la izquierda, vista frontal de la placa con los 3 puentes necesarios.
La imagen de la derecha está espejada horizontalmente. Representa la vista trasera de la placa. Corte de pista en G9.


...y si todo esto os parece aún demasiado complicado...

Puede que tanto diodo, tanto condensador o tanto conmutador os resulte mucho lio, así que si queréis un simple Harmonic Clipper como el original aquí tenéis el esquema inicial y su placa sin estos añadidos. Se respetan los valores originales de condensadores. Podéis cambiarlos según os parezca.


Se añade una resistencia de 1M como Pull Down para evitar ruidos de conmutación.
OJO: En esta placa hay un par de cortes de pistas que no se ven en las coordenadas B6 (bajo el condensador de 47nF) y C18 (bajo el de 68nF)

No os olvidéis de que este último esquema tiene los valores adaptados a mis transistores. Probablemente tendréis que cambiar los valores de algunas resistencias del modo que ya hemos hablado más arriba para así obtener las tensiones indicadas.




Dedicado a la memoria de mi amigo Asier, el Pulpo.


Para saber más: Harmonic Clipper en el foro de guitarrista.com


Kilroy Was Here
©Piso-tones Ltd. Calambres | Guitarrista.com