Mu-Tron Micro V


Por Miguel Badía


Mu-Tron Micro V
Bonito... ¿eh?

Mu-Tron Micro V

Desde que me aficioné a la guitarra eléctrica y a los artilugios que la rodean (amplificadores, pedales, etc.) allá por lo años 70 hasta ahora, he coleccionado una cantidad sorprendente de pedales. Y sigo haciéndolo. Y, la verdad, resulta la mar de satisfactorio destriparlos, fusilarlos y clonarlos. Y si encima funcionan, mejor que mejor.

Tengo un Mu-Tron MICRO V de musitronics que me malvendieron en una tienda hace la tira de años (adjunto unas imágenes escaneadas). Ya era viejo entonces y lo tenían tirado por allí. Por lo visto alguien lo había llevado a reparar y cuando le dijeron lo que iba a costarle que lo miraran el dueño pasó de él. En esa tienda trabajaba un técnico amiguete que falleció, desgraciadamente, hace unos años. Un día que no tenía trabajo lo vió por allí, lo destripó y descubrió que lo único que le pasaba era que tenía el diodo de protección cortocircuitado. Le ponías la pila y se la merendaba en dos minutos. Y hay que ver lo que se calientan las pilas de 9 voltios cuando las cortocircuitas ¿eh?. Lo reparó y lo dejó por el taller. Y yo, que iba a verle bastante, reparé en él y el técnico no puso reparos en que me lo llevara prestado. Lo cloné y ví lo que había creado y ví que era bueno. Muy bueno. De hecho, tenía una respuesta más clara que el original. Cuando fui a devolverlo me lo ofrecieron por 2.000 pelas, así que lo compré. Y lo conservo todavía, no como otros pedales (muchos) que he tenido y que, en sucesivos accesos de enajenación mental, he vendido (no sin antes clonarlos, como es lógico).


Trasera del Mu-Tron Micro V

Yo no sé absolutamente nada de electrónica teórica. Sólo tengo algo de práctica a la hora de examinar un pedal original y ver si es clonable o no. Sin embargo, considero imprescindible saber deducir el esquema teórico partiendo del aparato original para poder hacer un clon. De otra manera sería prácticamente imposible rediseñar la placa para adaptarla a las cajas que hay en el mercado o sustituir componentes que ha estén obsoletos por sus equivalentes actuales.


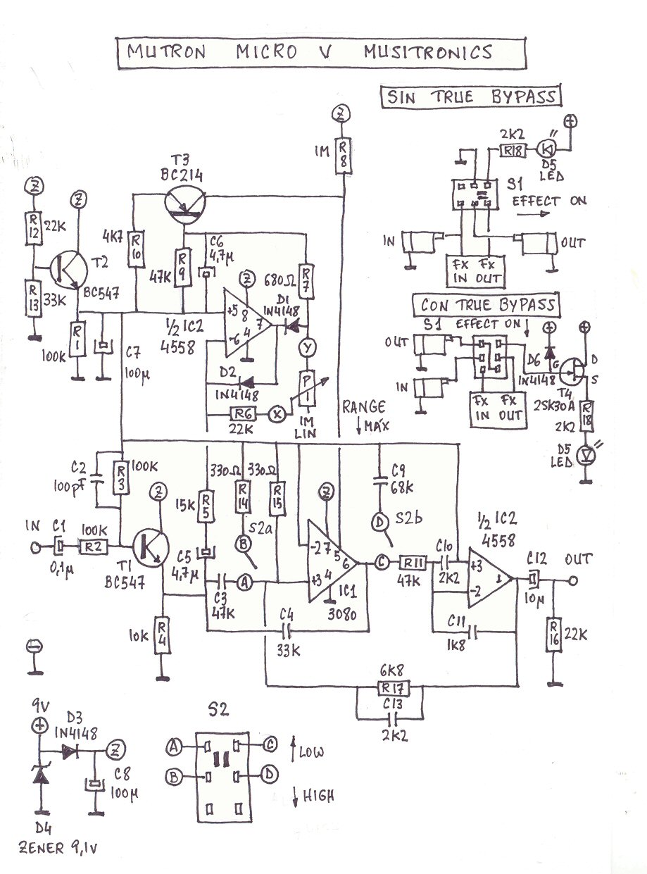
Esquema del Mu-Tron Micro V

Aquí tenéis el esquema original de Musitronics, publicado en diystopmbox forum para que lo comparéis con el propuesto.

Tras comparar el esquema con el original quedaron claras algunas cosas:

Hablando del pedal original, juzgad vosotros mismos el aspecto tan chapucero de la placa. Hay componentes soldados sin taladro, otros tienen taladro pero no hay pista al otro lado, conque han usado la misma pata del componente para acercarlo al punto de soldadura; el diodo de protección está soldado directamente sobre la toma de alimentación; en fin, un montón de gurruños que, sin embargo, no impiden que el aparato funcione (que es de lo que se trata, ¿no?) En definitiva, tiene casi el mismo aspecto de prototipo que el mío (y yo no soy fabricante ni vendo mis productos).


Interior del Mu-Tron Micro V original.
Abre las imágenes en otra ventana para verlas ampliadas.

Vamos al efecto. Es un auto-Wah del estilo del Envelope Follower Dr.Q de Electro Harmonix. Tiene un control de Range y un selector para efecto agudo o grave. Tengo que reconocer que con el potenciómetro he debido equivocarme en algo. Sólo actúa en el último tercio superior. Por debajo, el efecto no se produce. Quizás sea un bicho raro como el control BOOSTER del MXR DISTORTION +. Un potenciómetro antilogarítmico o algo así. No lo sé. El original está soldado a la placa y no quiero sacarlo de allí. Además funciona de una manera rara, no hay más que ver el esquema. Cuando está al máximo, entre los puntos de conexión "X" e "Y" hay 1 megaohm. Cuando esta resistencia decrece, el efecto desaparece. El control HIGH-LOW, en cambio, es superefectivo.


Mi clon del Mu-Tron Micro V

Otra ventaja que tiene frente a otros AutoWah's es que no necesita ningún ajuste. Los componentes son muy fáciles de conseguir. No lleva valores I-M-P-O-S-I-B-L-E-S como otros y a mí me ha funcionado siempre a la primera. La placa tiene una forma un tanto extraña. Está medida para que quepa dentro de la caja RETEX RI413. El hueco superior está pensado para que quepa la toma de alimentación. Yo uso las que monta BOSS en sus pedales. No son fáciles de conseguir, pero son estupendas porque tienen unas guías ideales para encajarlas en la caja. En todo caso, se puede recurrir a las de siempre (las del jack de 3,5 mm), aunque a mí no me gustan porque se produce un cortocircuito en el momento de meter el jack: la punta lleva el positivo y siempre se toca el anillo externo, que está conectado a masa. En esto de la alimentación hay gustos para todo. Yo estoy dejando hueco para la pila (cosa que no hacía en anteriores montajes) aunque creo que es un poco tonto. Lo digo porque las pilas son caras y un alimentador es muy (MUY) barato. Se lo puede hacer uno mismo por cuatro duros. Además, para cambiar la pila hay que quitar cuatro tornillos y dejas todo el interior del pedal al descubierto, incluidos los trocitos de cartón o de goma que pongo yo para evitar cortocircuitos. Ya digo que ahora dejo el hueco por mantener un poco el aspecto de los pedales de MXR, pero eso me ha traído de cabeza, ya que he tenido que rediseñar todas las placas de mis circuitos. Eso me ha forzado a poner algunos puentes y a apretar mucho los componentes y las pistas. Sin embargo, se pueden realizar todavía sin recurrir a métodos fotográficos. Yo soy de los que se las hacen a mano con el rotulador. De momento, paso de insoladora, aunque reconozco que evita muchos problemas de errores en el trazado a mano alzada. Adjunto las imágenes a tamaño real de la placa por el lado de cobre, la vista de la situación de los componentes y la placa donde se ven los componentes y las pistas a la vez. Es el material que uso normalmente para el pintado de las placas.


Placas del Mu-Tron Micro V

No olvidéis los dos puentes que hay en la placa, uno entre los puntos "M" y "N" y el otro que se ve dibujado directamente a la derecha de C10.

Para hacer la placa, usad este fotolito con las medidas exactas para que lo podáis imprimir sin problemas.

No hay ningún problema en añadir un True Bypass Millenium. Lo he probado y funciona perfectamente. Incluso la resistencia R18 puede utilizarse. Solamente hay que tener en cuenta que el LED (D5) irá colocado entre R18 y negativo en lugar de como lo coloqué en el primer esquema. Como más vale una imagen que mil palabras, adjunto esquemilla (supersencillo) y recableado del DPDT.


Esquema del Millenium-2 en el Mu-Tron Micro V

El transistor propuesto es el 2SK30A pero si no lo encontráis, probad el del esquema del artículo Acerca de 'True ByPass'.

ACLARACIONES PARA LOS NOVATOS.

En el listado de componentes veréis que en los condensadores electrolíticos no he puesto el voltaje. Como el circuito trabaja con 9 voltios, basta con que el voltaje sea levemente superior. Los de 100 uF procurad que sean de 10 voltios. Son pequeñitos y no tendréis problemas para meterlos en la placa. El de tántalo es, pues eso, de tántalo. Los demás son de tipo lenteja. Los transistores no son los originales, pero funcionan perfectamente. A propósito, si os fijáis veréis que el BC214 lo había dibujado como si fuera un NPN cuando en realidad es un PNP (punta no pincha, o sea, que la flechita del emisor va dirigida hacia la base y no hacia el exterior) A efectos del montaje esto no importa; lo que importa es soldar cada pata en su sitio. Ya está corregido en el esquema que aparece más arriba.

Sobre el transistor que uso para el Millenium, he optado por el 2SK30A por dos razones: este transistor está prácticamente en todos los pedales BOSS, en la sección del conmutador electrónico. Usando otros FETs (como el BF245 o el 2N3819) he tenido problemas. Por otro lado, hace un par de meses encargué 100 de estos transistores en ELHECA (en Valencia) y me salieron tirados de precio. Supongo que para el Millenium dará igual un FET que otro. En la imagen del interior de mi clon del Mu-Tron podéis ver, junto al DPDT una pequeña plaquita. Contiene solamente el FET (T4) y el diodo 1N4148 (D6). Son, junto con la resistencia R18 (que está en la placa principal) los tres componentes del Millenium.

Aquí tenéis una lista con los componentes necesarios para el montaje.

Cómo suena

En los tres ficheros he repetido el mismo riff (más o menos) usando primero mi clon del EH Doctor Q (versión Improved), mi clon del Mutron Micro V (idéntico al original) y mi clon del Mutro Micro V más antiguo (con la variante del condensador C4 de 10K en lugar de los 33K del circuito original)


Para saber más acerca de este montaje: Mu-Tron Micro V. Archivo en Mu-Tron Micro V casero.

Links





Kilroy Was Here
©Miguel Badía para Piso-tones Ltd. | guitarristas.org