Phase 45/90 (MXR) con Vibrato




Los dos Phase 90

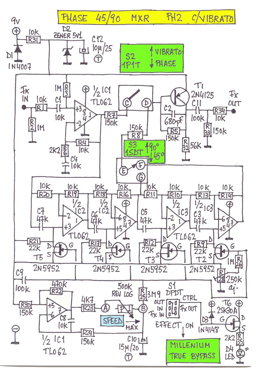
PHASE 45/90 MXR CON VIBRATO

Hace mucho tiempo que tenía ganas de enviar esta colaboración. El Phaser y el Chorus son los efectos que más me molan. Lo notaréis por la cantidad de pedales de Phase que tengo. En esta misma página podéis encontrar un extensísimo artículo sobre el maravilloso Phase 90 de MXR a cargo de Psst. Yo también quiero contribuir un poquillo con un par de cosas que he descubierto.

La primera es que, con un simple conmutador 1PDT, podemos conseguir el Phase 90 o el Phase 45. Ambos circuitos son muy similares. La diferencia está en que el Phase 90 tiene 4 etapas de desfase de señal y el Phase 45 sólo tiene dos. Como podéis ver en el esquema, cuando las patas E y F del conmutador S3 están conectadas, tenemos el Phase 90. Cuando E se une con G (punto de salida de la segunda etapa de desfase), tenemos el Phase 45. Ambas posiciones suenan muy bien, aunque en el Phase 90 el efecto es mucho más profundo.



Esquema del Pase 45-90.
Pincha en la foto para verlo con más detalle.

La segunda modificación es la más interesante. Se me ocurrió al ver algo parecido aplicado a un EH Small Stone. Se trata de instalar un simple interruptor (S2) entre R7 (señal sin modificar) y la base de T1 (que es donde llega la señal desfasada a través de R8). Cuando el interruptor está cerrado, tenemos el Phase original. Cuando lo abrimos, C se separa de D, con lo que la señal que se aplica a la base del transistor de salida es únicamente la que viene desfasada. Os juro que vale la pena. Esta modificación se la he hecho incluso a mi Phase 90 original, pedal que amo con ternura y que me costó 20.000 pelas de vellón allá por el año 85 de nuestra era. La señal desfasada ES UN VIBRATO. No es un trémolo. El trémolo varía rítmicamente el volumen de la nota. Aquí varía la afinación. Lo podéis oir en los ejemplillos que, con mi habitual cara dura, he puesto al pie del artículo.

En los dos clones que he montado he puesto únicamente la modificación del vibrato. La de combinar Phase 45 y Phase 90 la encontré menos chachi. Además ya tengo un Phase 45 clonado y un Phaser que monté hace unos mil millones de años, dicho sea sin exagerar, y que ya contaba con esa opción. Por cierto que este último está dotado de conmutador electrónico en lugar del DPDT mecánico que está tan de moda ahora. Podéis ver las fotos de ambos. El Phase 45 es el dorado, aunque le falta la pegatina con el nombre del circuito.



Phase 45 y Phase 90-45

Como tercera modificación os diré que lo he implementado con el Millenium True Bypass habitual. Esto me ha obligado a dividir la placa en dos secciones para poder meterlo todo en la cajita.




Fotolitos de las dos placas

Ahora vamos con algunas salvedades. En primer lugar, se oye un ruido que no se puede calificar de "pop" sino más bien de "KROK" cuando accionamos tanto S2 (vibrato) como S3 (Phase 45/90) con el efecto conectado. La solución es que cambiemos de posición los conmutadores con el efecto en bypass. Se ve que T1 tiene la base muy sensible y le sienta como el culo que se la vayamos toqueteando. Para este transistor podemos usar tanto el 2N4125 como el 2N3906, el 2N5087, SC157 o el BC557 teniendo en cuenta, como es natural, los distintos encapsulados.

Esto nos lleva a la segunda salvedad: los componentes. Me refiero concretamente a los cuatro transistores 2N5952. Debe ser de características electrónicas similares. Leed el artículo de Psst y veréis a lo que me refiero. Deben estar "matcheados".

Yo los compré en www.musikding.com ya que en el mercado nacional no los encontraba. Compré un montón (salen muy baratos) y, después de analizarlos con el matcheador, ahora tengo un montoncito de grupitos de a cuatro. Se pueden usar los 2SK30A, que son los que monta el Phaser Boss, aunque tienen que ser igualmente matcheados.

También compré allí el potenciómetro de 500K Reverse Log (así como el botón, que es un auténtico MXR). Es fundamental para tener un control lógico y efectivo de la velocidad del oscilador. Si lo ponemos lineal el paso de lento a rápido es muy brusco.

Otro asuntillo peliagudo es que el circuito no me cabía en una caja Retex i413. He usado una Hammond tipo B para el primer clon (se puede ver en la foto que he dejado hueco para la pila, aunque ya sabéis mi opinión sobre la alimentación. También se puede ver la cagada que hice con la pintura (foto inicial) ya que cuando le puse la laca transparente la tinta de las letras no se había secado del todo) y una Hammond BB, hermosota y grande ella, para el segundo. El primero lleva el circuito separado en las dos placas de que os he hablado. El segundo lleva una copia descarada de la placa del pedal original.



Interior del primer Phase-90


Interior del segundo Phase-90

En este último he usado un conmutador triple (también proveniente de musikding) para obtener true bypass.

En la lista de componentes observaréis que he eliminado algunas de las resistencias que venían en el circuito original y he cambiado el valor de otras (no he podido encontrar resistencias de 24K ó de 750K). He usado los integrados TL062 tal como vienen en el original, aunque el RC4558 (que monta el Phaser Boss) funciona también muy bien.

El ajuste de R28 no es complicado. Lo mejor es hacerlo con el oscilador girando rapidito (aunque no a tope) en lugar de lento. Se aprecia enseguida dónde está el punto adecuado.

Montaje en las placas:



Pincha aquí para ver las placas guía.

Lo de siempre. No quiero engañaros. Es un montaje bastante complejo. Del estilo del AutoWah Maplin. No es para principiantes. Hay muchos cablecitos uniendo las placas y tal. Y también muchos componentes y muchas oportunidades para meter la pata. El resultado, sin embargo, creo que merece la pena:

Aquí podéis ver algunos otros Phasers que tengo:




Para saber más: Phase 45-90 en guitarristas.org



Kilroy Was Here
©Miguel Badía. | Guitarristas.org