ProCo RAT


Por Miguel Badía


RAT
Foto retocada por ordenador.

DISTORSIÓN PROCO THE RAT

Como hago siempre con este tipo de colaboraciones, quiero dejar claro que el objeto este artículo es completar o enriquecer los que se han publicado previamente sobre este mismo tema. En esta misma web tenéis el de Martín, magistralmente realizado y con algunos añadidos del colega Luichi. Yo sólo os propongo alguna idea nueva y mi versión de la pcb, por si alguien quiere meter este distorsionador en un caja Retex Ri413, que es mi preferida como ya os habréis dado cuenta.



Interior del RAT.

Hace ya bastante tiempo, por la época en que compré mi Big Muff soviético, pasó por mis manos una rata de éstas. Le fusilé el esquema y lo guardé por ahí, sin decidirme a clonarlo en aquel momento.




Esquema del RAT.
Pincha en él para verlo con más detalle.

Me llamó la atención que llevaba incorporado algo similar a lo que ahora llamamos Millenium True Bypass (entonces no lo sabía) Después empecé a visitar pisotones.com y otras páginas dedicadas al pedaleo y me dí cuenta de lo interesante que era incorporar este bypass "verdadero" a todos los pedales. También vi que circulaban por la red varias versiones de este aparato con leves diferencias entre ellas. La que os presento aquí es muy similar al original, aunque el Millenium lo he tratado como si fuera algo exterior al esquema del circuito principal, como he hecho en todos mis otros artículos que podéis encontrar en esta página.

La foto del exterior del aparato está trucada. Lo tengo todavía sin pintar y sin letreritos. El diseño de la placa creo que ha quedado bastante bien. Los componentes caben holgadamente en la plaquita y no he necesitado colocar ningún puente.



Placa del RAT. Pincha en ella para verla con más detalle.
Aquí podéis ver la placa guía.

También he cambiado el cableado del potenciómetro de "Filter". En el aparato original, cuanto más lo giras a la derecha, más oscuro suena. Yo lo he cableado al revés, ya que considero más lógico que responda aumentando los agudos a medida que lo giramos hacia la derecha. Para T1 he usado un 2SK30A (de los casi 100 que tengo) en lugar del original 2N5458. Como ya sabréis, para este transistor se puede usar también el BF245, el 2N3819 o el 2N5457. El condensador que va entre las patas 1 y 8 del integrado lo he puesto de 33pF en lugar del inencontrable valor original (30pF).

Para muestras de sonido os remito al artículo de Martín.

Y creo que no tengo nada más que añadir. Sólo deciros que es un pedal extremadamente fácil de realizar y que suena muy muy bien. Hasta pronto.


Nota del Calambres

Cuando recibí este artículo de MBC me extrañó su comentario acerca del "Millenium" que ya tenía originalmente ese RAT. Según el famoso artículo de J.F. Keen, Millenium ByPass, él se refiere a un circuito basado en un transistor "Darlington" y no en un FET como indica MBC. Tras discutirlo, me confirmó que era así. Sin embargo también me comentó que no consiguió hacer que funcionase bien ese "Millenium" ya que el LED no respondía del modo correcto. Lo achaca a que el FET que usó no era exactamente el usado en el RAT original (2N5458) sino el 2SK30A que utiliza habitualmente. Ambos son "N-Channel J-FETs" aunque con diferente patillaje. Por eso al final se decidió por el modelo de J.F. Keen que es el que aquí nos presenta.

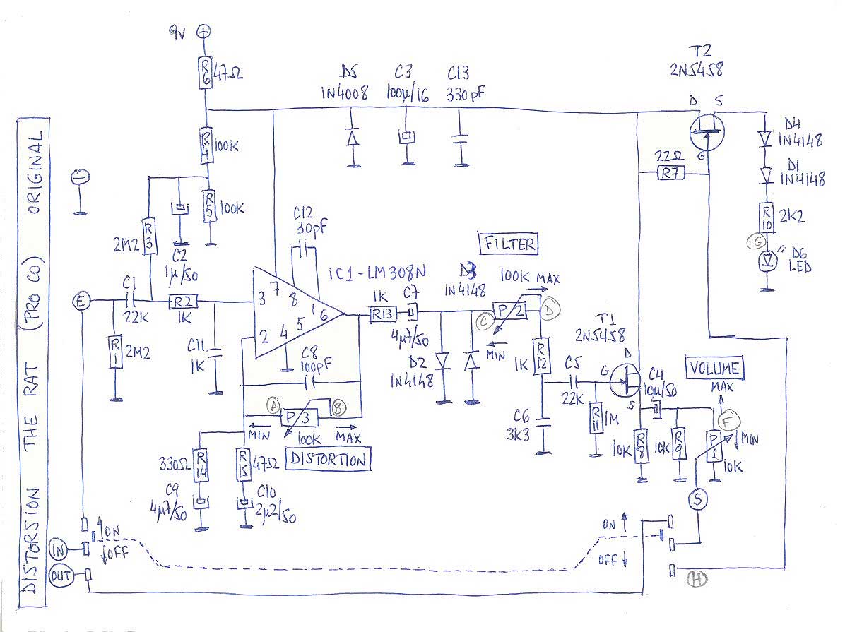
Aquí tenéis el esquema del RAT original en el que se vé ese antecesor del Millenium-II de R. G. Keen.


Para saber más acerca de este montaje: RAT, en guitarristas.org.


Kilroy Was Here
©Miguel Badía para Piso-tones Ltd. | guitarristas.org