Los pedales de Tokai
|
Los pedales de Tokai por Willie
|
Gama de pedales Tokai.
Los pedales de Tokai
Pues sí, además de guitarras y bajos de varios tipos, junto con estuches y un tipo de ampli a transistores, Tokai comercializó pedales durante la década de los 80, una época dónde la marca tuvo su cénit en cuanto a producción a la par que su mayor pesadilla debido a su quiebra ante los cambios y gustos del mercado de instrumentos musicales, allá por el año 1986. La serie denominada “Tokai Effects” constaba de nueve pedales más una pedalera para conectarlos.
No se conoce al cien por cien cual fue la empresa a la que se le encargó su fabricación pero todo apunta a que, por su similitud con los BOSS, bien pudiera ser esta la que se los fabricaba o bien otra empresa que los copiara. Desde luego lo que es un hecho es que tanto switches como jacks son idénticos. De acuerdo con el gran Roberto de Thundertomate “las placas de circuito impreso son muy parecidas a las BOSS de la época: fenólicas de simple cara con la clásica máscara de soldadura verde y un artwork que parece salido de la misma oficina de diseño, incluso la serigrafía es similar”.
Roberto sigue comentándonos: “El cableado también está distribuido en la parte superior de la placa. El sistema de conmutación con pulsador, jfets y un biestable con dos transistores bjt también es el mismo de BOSS”. Siguiendo con el alimentador externo, Roberto añade: “al menos en la primeras series de chásis metálicos, era compatible con BOSS "ACA": lleva un diodo y una resistencia de 470R en serie conectados entre el terminal negativo del conector y masa”.
Respecto a los componentes utilizados en las placas afirma que “son del mismo tipo que los utilizados en BOSS: condensadores greenie” (también llamados “green chicklet” por los anglosajones y colocados también en las guitarras comercializadas por la marca) “de poliéster metalizado con recubrimiento transparente, electrolíticos Rubycon, transistores 2SC1815, chips JRC, Matushita/Panasonic. Los prenciómetros de la marca Alps y el jack son del mismo tipo que los de BOSS”. Vamos que la mayor diferencia entre ambas marcas vendría a ser la estética se la caja.
TCO1 "Silverface" con su caja original y con la etiqueta del precio.
Tres placas Tokai
Detalle de una de ellas.
TCH-TTDL-TFL
LOS MODELOS DE PEDALES TOKAI
La serie ofertada estaba compuesta por los siguientes:
- TOD u Overdrive. Este pedal es un efecto muy vintage diseñado para producir un overdrive dulce y suave recordando un ampli a válvulas. Este pedal tiene tres potenciómetros llamados Level, Tone que regula el rango tonal permitiendo obtener registros que van desde tonos overdrive cálidos hasta una distorsión “natural” y Drive quien controla la “profundidad” de la distorsión. Se puede usar para “bostear” la señal limpia de un ampli teniendo el músico la posibilidad doble de un sonido ligeramente saturado al estar encendido y un sonido limpio al desactivarlo.
Controles:
- Level: Esta perilla controla la cantidad de distorsión. A medida que se gira hacia la derecha, el efecto de overdrive se vuelve más fuerte
- Drive: Esta perilla regula el nivel de salida del sonido del efecto. Determina el equilibrio entre el sonido del efecto y el sonido normal
- Tone: Esta perilla regula la calidad del tono. Girándola hacia la derecha se aumenta el agudo. Puede crear desde un sonido de overdrive cálido y suave hasta una distorsión clara y natural.
TDS o Distortion. Es muy similar al modelo SD-1 de Boss de manera que si no encuentras el muy buscado de esta marca lo puedes reemplazar con este de Tokai. Hay quien lo llama “a screamer alternative full of attitude”. También que es un TubeScreamer (Maxon) con algo más rango medio-agudo. Lo que no cabe duda es que estamos ante un pedal con carácter y a la vez transparente, construido usando una caja rígida que resiste el uso continuado y el paso de los años. Girando el control de tono conseguimos variar ampliamente el sonido: si está en seteos bajos, obtenemos un sonido tipo “whammy”. Como el resto de fectos, se ofrece en tres versiones, teniendo la última (Z-II) más carga de agudos que las otras dos anteriores.
Uno de sus usarios más conocidos es Lips, guitarrista del grupo de heavy metal Anvil. Otro usuario es el guitarrista del grupo japonés “Number Girl “ Hisako Tabuchi. Este pedal se asemeja a los primeros ACA de BOSS en que suelen ir mejor a 12V.
TDM Metaldriver. Posteriormente se añadió un noveno modelo que es una evolución de la distorsión TDS llamado METALDRIVER o TDM que lleva un cuarto pote para añadir ganancia. Este modelo se implementa a partir de la segunda “era” a la que vamos a llamar “Blackface”.
Tal y cómo su nombre indica, este pedal surgió de la necesidad de conseguir un sonido con más ganacia de la que el TDS podía dar. Ojo que hay que tener en cuenta que lo de “metal” hay que cincurscribirlo a la época de los ´80 que es cuando se lanzó este efecto. Añade ese filo “high-gain” al sonido (posiblemente lo que buscase sería algo similar al que produce un Marshall JCM800 que era el que se solía usar por los grupos heavys de la época).
Este TMD es lo suficientemente versátil como para poder obtener de él tanto riffs clásicos de rock como solos de heavy con un sencillo ajuste , permitiendo a los músicos navegar en la mezcla entre distorsión y limpio según sea necesario.
El Tokai Metal Driver TMD-1 presenta una sólida construcción que le permite aguantar un uso continuado. El pedal tiene cuatro controles denominados Level, Drive y Bright y Frecuency (que sustituye al Tono).
En resumen, esto es lo que nos ofrece:
- Un overdrive de más alta ganancia que los otros modelos perfecto para sonidos rock y metal.
- Unos controles muy intuitivos con ajustes Level, Tone y Drive.
- Una construcción robusta para que dure en el tiempo y permita un uso continuado en directo.
- Versatilidad tonal que permita tocar varios estilos musicales distintos.
- Es true bypass, lo que se traduce en que la señal no se ve alterada cuando el pedal está encendido.
TXC o Exciter. Este es un pedal un tanto raro que actúa “al revés” de cualquier otro, es decir, va quitando efecto en lugar de ir añadiendo como es habitual.
Produce un efecto de sonido original claro con un armonico; además, se puede hacer el efecto de sonido más claro mediante el control de brillo. Los músicos pueden disfrutar del sonido humbucker con el armónico y pueden compensar la distorsión del tono alto que ocurre cuando se conectan ciertos efectos.
Uso como ecualizador: Al tocar una guitarra con humbucker, por ejemplo, simplemente pisar el pedal y activarlo produce un tono más agudo de bobina sencilla.
Ajustar así:
- Balance: 5
- Frecuencia: 5~7
- Brillo: 5~10
Los controles de frecuencia y brillo se han de ajustar según la configuración del amplificador y la guitarra.
Uso como Buffer (Pre-Amplificador): Cuando varios efectos están conectados, los agudos disminuyen. Mientras que muchos músicos utilizan buffers o pre-amplificadores para corregir esto, el TXC puede ser utilizado para aprovechar al máximo las propiedades originales de la guitarra y los efectos de manera natural y sin ninguna disminución en el sonido. El sonido puede ser ampliado aún más con los dos controles de Frecuencia (Frecuency) y Brillo (Brigth) . Por ejemplo, se puede añadir al sonido la "Presencia" (agudos muy altos) que algunos amplificadores no tienen, y combinar con distorsión para crear un sonido fuzz antiguo. El TXC se complementa perfectamente con cualquier otro efecto.
TDL o Delay:
El pedal de efecto delay de Tokai es analógico y con una repetición no muy alta (360 ms máximo) para los estándartes actuales, suficiente para muchas de las cosas que toco con un rango que va desde 20 ms hasta esos 360 ms de tope. Además de ese amplio rango, es más que posible conseguir un sonido claro y agudo. Va alimentado tanto a corriente (ACA) como con una pila (de 9V. típica) pues consume 12 mA.
Controles del pedal y su uso:
- Delay Time: Este control regula el tiempo de retardo que puede producir el pedal. Si lo giramos hacia la derecha se alarga el tiempo de retardo de la señal. Por contra, girándolo hacia la izquierda el tiempo de retardo se reduce.
- Feedback: Con él regulamos la frecuncia de la repetición del delay. Si giramos el mismo hacia la derecha aumenta y si lo hacemos hacia la izquierda disminuye. En caso de que esté en su posición de todo a la izquierda se convierte en un delay “simple”.
- Echo Level: Regula el balance entre sonido directo delay y sonido natural. En el caso de que giremos el control hacia la derecha predomina el delay, mientras que si lo hacemos hacia la izquierda predominará el sonido natural.
TCH o Chorus. Es el pedal ideal para aquellos guitarristas que buscan añadir amplitud a su sonido.
Este pedal analógico de agradable efecto “chorus” puede dar tanto registros muy atenuados como muy pronunciados y una amplia gama entre ellos, siempre respetando el sonido de tu guitarra, convirtiéndolo en un muy versátil efecto indicado para todos los estilos musicales. También usa un “true bypass” que lo hace silencioso cuando el efecto no está en uso.
Parece ser muy similar a un CE-2 de Boss, con operacionales BA728 en la versión 1 y IR94558 (766D Sharp) en la versión II, la cual produce electrónicamente un desfase del sonido mediante junto a un retardo BBD creando un efecto de chorus expandido al mezclar el sonido retardado con el sonido directo. Al cambiar el selector de modo, puedes obtener dos modos de sonido de chorus con características completamente diferentes.
Fruto de su anunciada versatilidad, con este pedal es posible conseguir un sonido tipo Leslie vintage cuando llevas un seteo ajustado a repeticiones rápidas.
Los muy intuitivos controles tienen las siguientes funciones:
- Speed: Esta perilla regula la velocidad del vibrato del efecto de coro. Al girarla hacia la derecha se aumenta la velocidad, mientras que al girarla hacia la izquierda se disminuye. También se pueden obtener efectos de trémolo y vibrato.
- Depth: Este botón controla la profundidad del efecto de coro. Girándolo hacia la derecha produce un efecto de coro más profundo, mientras que girándolo hacia la izquierda produce un efecto de coro más ligero.
- Rev./Sep: Cambia las salidas entre diferentes combinaciones de efecto y sonido directo:
Rev:
- Out: sonido directo + sonido procesado
- Sub Out: sonido directo - sonido procesado
Sep:
- Out: sonido procesado
- Sub Out: sonido directo
En resumen, este efecto presenta:
- Tonos de chorus cálidos y analógicos.
- Disposición de controles intuitiva para una fácil personalización de efectos.
- True bypass switching para conservar la integridad de la señal.
- Construcción duradera adecuada tanto para uso en estudio como en el escenario.
- Un rango de sonido versátil desde efectos de coro sutiles hasta intensos.
TFL o Flanger. Se trata de un pedal relativamente económico pero de calidad, al que se le sacan fácilmente diversos registros.
Produce un efecto de flanging dinámico al mezclar un sonido retrasado electrónicamente con el sonido original. Este es el flanger básico que, con la adopción de un sistema de cuatro controles, ha hecho posible un ajuste fácil y una amplia gama de creación de sonidos. Ofrece una variedad de efectos de flanging, desde un sonido de "jet" fuerte e individualista hasta un sonido de chorus o similar al vibrato. Con la adopción de un sistema de cuatro controles, el TFL-1 es el dispositivo de efectos más perfeccionado en su categoría.
Se puede usar con guitarras eléctricas, pero también se puede utilizar con pleno efecto con bajos eléctricos y teclados.
Controles:
- Manual: Este botón regula el tiempo de retraso. Girarlo hacia la derecha acorta el tiempo de retraso, mientras que girarlo hacia la izquierda lo alarga.
- Depth: Regula el rango de barrido del tiempo de retardo o profundidad del efecto. Girarlo a la derecha aumenta el rango.
- Speed: Este botón regula la velocidad del efecto de flanger. Girarlo hacia la derecha aumenta la velocidad, mientras que girarlo hacia la izquierda la disminuye.
- Feedback: Este botón regula el volumen de retroalimentación. Girarlo a la derecha intensifica la retroalimentación.
TPH o Phaser. Este dispositivo de efectos clásico, robusto y libre de ruido utiliza un circuito original de cambio de fase de Tokai que crea un chorus suave y profundo, así como un temblor expansivo similar al producido por un altavoz rotatorio. El TPH-1, equipado con un circuito original que puede regular el volumen de retroalimentación (resonancia) en un efecto de fase normal, ofrece una mayor variedad de expresión.
Controles:
- Depth: Este botón controla la profundidad del efecto de fase. Girarlo a la derecha produce un efecto de fase más expansivo.
- Speed: Este botón controla la velocidad del efecto de fase. Girarlo a la derecha aumenta la velocidad, mientras que girarlo a la izquierda la disminuye. Se puede conseguir un amplio rango de velocidades de fase, desde muy rápidas hasta muy lentas.
- Feedback: Este botón regula el volumen de retroalimentación. Girarlo a la derecha produce un efecto de streaming fuerte (fase de flujo).
TCO o Compresor. Este compresor produce un efecto de sustain claro sin distorsionar el sonido original. El tiempo de ataque puede variar ampliamente, proporcionando un sonido potente para todo tipo de fraseo, así como creando un sostenimiento natural, claro y largo. imprescindible para grabaciones y actuaciones en vivo. El modelo TCO-2 que es el que actualmente tengo, controla una señal de entrada de volumen alto y una señal de entrada de volumen bajo para un efecto de sostenimiento claro. Esta unidad es una de las unidades de efecto básicas que se utilizan como limitador para controlar la dinámica de la señal o para producir un tono largo.
Controles del compresor
- Sustain: Controla la longitud del sostenimiento. Girarla a la derecha aumenta el efecto de sustain.
- Level: Regula el nivel de salida del sonido del efecto. Determina el equilibrio entre el sonido del efecto y el sonido normal.
- Attack: Regula la fuerza y debilidad del sonido del ataque al puntear. Al girarla hacia la derecha, se fortalece el sonido del ataque.
El famoso catálogo de Tokai con Stevie Ray Vaughan en la portada (1985/86) contiene una página donde nos muestra los modelos existentes junto con sus especificaciones y que os muestro a continuación. Normalmente estos pedales no suelen venir en ningún catálogo posterior o ,al menos, no lo he podido encontrar (y eso que los no originales los tengo casi todos impresos en alta resolución), salvo en éste que menciono y que tiene su valor sentimental al ser un regalo con el que me agasajó el entonces Presidente y miembro de la familia fundadora de la marca el Sr. Shohei Adachi.
Catálogo de 1985.
PDF del Catálogo de pedales de Tokai.
LAS ÉPOCAS EN LOS PEDALES DE TOKAI
Diferentes eras.
Continuamos con las épocas de fabricación y retomando lo anticipado en el párrafo anterior, las podemos clasificar en:
Pedales Silverface, Blackface y Whiteface.
- SILVERFACE (año 1984):
Los pedales de esta era tienen una carcasa color plateado-metálica. Los botones son de color negro y estriados y la rotulación de lo que hace cada uno es de color negro también, destacando sobre la base plateado-metálica. La pieza donde vamos a pisar para activar el efecto es de plástico duro con el nombre del efecto en color blanco colocado encima en una chapita metálica de un color diferente para cada efecto (naranja para el overdrive, rojo para la distorsión, negro para la distorsión más potente llamada Metaldriver, verde para el flanger y violeta para el delay).
- BLACKFACE (años 1984 (final)- 1986):
La carcasa sigue siendo metálica pero está pintada de negro. Los botones de control o “knobs” son negros similares a los de la serie anterior pero la serigrafía de lo que hace cada uno (level, dostortion o tone, por ejemplo) viene en color blanco y en unas letras de mayor grosor. La fuente de las letras dónde se indica el tipo de efectos ante el se está es similar al de la era “Silverface”.
- WHITEFACE o Z-II series (1986 (final)-1989?):
Los pedales comercializados durante esta época se caracterizan por tener una carcasa exterior de plástico duro finalizado en color blanco a diferencia de sus antecesores. Esto puede ser un evidente signo de recorte en la calidad aunque los ejemplares que tengo en mi colección han resistido perfectamente el paso del tiempo.
Las diferencias estéticas con respecto a las series anteriores se presentan, además de la ya mencionada carcasa exterior, en la forma de dar referencia al nivel de giro del potenciómetro (cantidad de efecto añadido) que aún a pesar de su imprimación en blanco como el la serie “Blackface”, es similar a la primera época “Silverface” en cuanto a su sencillez y posición.
Con respecto a las cajas de nuevo el amigo Roberto “Thundertomate” sale al rescate: “La segunda serie, los de caja de plástico no los tengo tan controlados pero me da la sensación de que la electrónica y los componentes son básicamente los mismos, simplemente cambiaron a cajas más baratas, como la marca MXR en la época, cuando sacaron esa serie de pedales en caja de plástico, solo que MXR sí hizo cambios en el diseño”.
Independientemente de la época en que hayan sido hechos, todos los pedales llevan una etiqueta en tono plateado con las letras en negro con instrucciones de uso y el comercializador de los mismos y su procedencia en letras mayúsculas “TOKAI GAKKI CO. LTD” MADE IN JAPAN.
Etiquetas traseras de las 3 eras.
Otra de las similitudes entre todos estos efectos es que llevan un led en color rojo y redondo.
Detalle de los LEDs.
Una vez señaladas las similitudes, paso a enumerar las diferencias:
- Situación del modelo del efecto en la caja: En las primeras y segundas series viene situado en la parte inferior central pero con distinta serigrafía. Mientras que en la primera el grosor de las letras es fina y el color es negro, en la segunda es más gruesa y es blanca. En la tercera serie el modelo lo encontramos en la parte superior derecha y el color de las letras sigue siendo blanco aunque el grosor es más fino.
Posiciones de etiquetas de modelo.
- Color y textura de la placa superior donde van los controles:
En cuanto al color, debido a la caja, la placa superior donde van los controles en un caso es de color metalizado y en los otros dos es negro (uno por la caja y el otro por lo que parece una imprimación en dicho color).
- Situación de la plaquita con el nombre del efecto: En las dos primeras series está situada en la parte inferior dónde se pisa para activar el efecto mientras que en la tercera y última serie está encima.
- Perillas de control: En unas series son negras estriadas, mientras que en otra son de colores (el mismo que la plaquita donde viene el nombre del efecto- naranja en el Compresor o verde en el Exciter).
Los Marcadores de referencia situados debajo de las perilas en unas series tienen tres rayas ladeadas en ángulo, formando un círculo o dos rayas ladeadas.
Los números de serie en los pedales de Tokai
Los números de serie de estos pedales de efectos que me he encontrado presentan un patrón de 6 números y el patrón formado por la letra H seguida de 7 dígitos para las series “Silverface” y “Blackface” y 7 dígitos (ZO-II) mientras que en lo correspondiente a la serie Z-II no he encontrado número de serie alguno en ese emplazamiento sin embargo sí dentro de la caja dónde va toda la electrónica.
El número de serie está un tanto escondido dentro del compartimento dónde va la pila que no es el lugar habitual de otras marcas dentro de la caja, sino que se accede girando un tornillo situado en la parte fronto-lateral que nos permite abrir el compartimento y verlo. Por lo tanto, analizando los más de diez pedales que tengo junto con otros de otros propietarios miembros del Tokaiforum, he llegado a la conclusión que el primer número de la serie de 6/7 corresponde al año de fabricación.
- 402602 (6 dígitos) = 1984
- 600079 (6 dígitos)= 1986
- H5000312 (H+7 dígitos)= 1985
- H6003805 (H+7 dígitos)= 1986
Serials Silverface
Serials Blackface
Serials Whiteface
COMO DETERMINAR EL MODELO DE PEDAL
Finalmente, la cuestión era cómo conectar todos estos pedales que ofrecía la marca. Pues bien, hasta eso estaba pensado pues se comercializaba una base que se podía enchufar a la corriente bajo la denominación TEB-6 en la que, como su nombre indica, tiene cabida para seis pedales de la marca en un formato 2 (arriba)+4 (abajo).Lleva fuente de alimentación incorporada y podía ir también a pilas.
ALIMENTACIÓN EN LOS PEDALES TOKAI (“power supply”)
Estos pedales son muy parecidos en cuanto a alimentación a los de BOSS en el sentido que funcionan mejor con una alimentación de 12V. (sistema ACA, diferente del actual PSA). Este tipo de pedal consta de un “smoothing circuit” del que los PSA carecen.
Cuando se utiliza un alimentador este tipo para pedales de tipo ACA, no puede proporcionar suficiente energía de 9Vcc para el circuito de efectos, lo que puede ser causa de que el efecto sea insuficiente, que se oscurezca el indicador LED o mal funcionamiento en el peor de los casos. Para usar pedales ACA (pedales antiguos y bonitos, de todos modos), se deben aplicar los siguientes métodos:
- Usar una batería cuadrada de 9V
- Usar adaptador de corriente ACA. Pero no es realista ya que BOSS ya no lo produce y es difícil encontrar uno incluso de segunda mano.
- Usar pedales BOSS como fuente de alimentación. Se pueden usar TU-2, TU-3, LS-2, PSM-5 y otros (recomendación oficial de BOSS).
- Modificar a PSA. No es tan difícil, pero significa que el pedal dejará de ser original.
Aplicar 12V mediante una unidad de suministro de energía especial (centro negativo) no se recomienda oficialmente.
Power supply type: ACA
Algunos viejos pedales BOSS fabricados en los años 70, 80 y 90 tienen un sistema de alimentación único llamado “ACA” que es diferente del actual sistema “PSA”. Los pedales con el sistema ACA tienen un circuito de suavizado en sí mismos, pero los pedales PSA no lo tienen, ya que dicho circuito de suavizado está integrado en la unidad de alimentación, como el BOSS PSA-100, por ejemplo. Cuando se utiliza tal unidad de alimentación para pedales tipo ACA, no puede proporcionar suficiente potencia de 9Vdc al circuito de efecto (suavizado después de la señal suavizada), lo que puede causar un efecto insuficiente, una luz más oscura del indicador LED o un mal funcionamiento en el peor de los casos. Para utilizar pedales ACA (buenos pedales antiguos de todos modos), se deben aplicar los siguientes métodos:
- Usar una batería cuadrada de 9V.
- Usar un adaptador de corriente ACA. Pero no es realista ya que BOSS ya no lo produce y es difícil de encontrar incluso uno de segunda mano
- Usar pedales BOSS como fuente de alimentación. Se pueden usar el TU-2, TU-3, LS-2, PSM-5 y otros (recomendación oficial de BOSS).
Modificar a PSA no es tan difícil pero significa que el pedal dejará de ser original. Aplicar 12V mediante una unidad de alimentación especial (negativo en el centro) no se recomienda oficialmente.
ESQUEMAS DISPONIBLES
No es nada sencillo encontrar esquemas oficiales de estos pedales para su mantenimiento o reparación. Hay que tener en cuenta que estas series de pedales fueron discontinuados a finales de los años 80, es decir hace 45 años... ¡ahí es nada! Aún así, después de una exhaustiva labor de investigación por la red, he sido capaz de encontrar cuatro esquemas que os dejo a continuación por si necesitáseis reparar alguno o bien incluso construir uno desde cero. Para aquellos modelos que no se muestran, siempre se puede utilizar los de los pedales BOSS de la época que, como se ha indicado al inicio de este artículo, son muy similares por no decir idénticos.
Esquema TDS-1
Esquema TMD-1
Esquema TDL-1
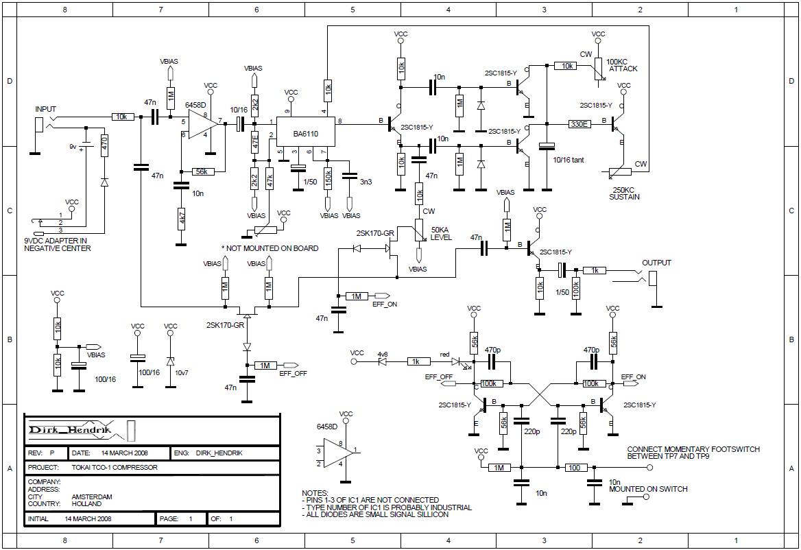
Esquema TCO-1
Me gustaría agradecer a mi buen amigo Roberto “ThunderTomate” sus excelentes aportaciones técnicas para este artículo. Señalar que conozco a Roberto desde los primeros tiempos del foro, incluso pude encontrame con él en persona en esa época en una escapada que hicimos a su ciudad, además de haber sido un fiel cliente suyo (actualmente conservo como oro en paño cinco pedales suyos que no suelto ni con agua caliente).
También a mi mentor en asuntos de Tokai el australiano Peter Mac Govern así como al también miembro del Tokaiforum el sueco Michael Liebgott , aka “javelin70”, uno de los pioneros en usar estos pedales de Tokai y una persona súper amable y abierta a compartir tanto su información como su expreriencia con productos de la marca.
Muchísimas gracias a los tres!
Mención especial final:
Quisiera dedicarle este artículo a nuestro buen amigo Rubén Hernández alias RH, co-fundador de esta magnífica página y al que tengo especial cariño por todo lo vivido desde que nos conocimos a principios de este siglo, primero on-line cuando esto de los foros era una delicia y después en persona en la primera quedada forera en A Estrada 2002, que fue el gérmen de este nuestro foro, un lugar virtual dónde aprendíamos unos de otros en lugar de competir. ¡Va por tí amigo Rubén!
REFERENCIAS
Catálogos publicados en papel por la marca Tokai Gakki Co. Ltd.
Para saber más: Pedales Tokai en el foro de
guitarrista.org
©2025 Willie para Piso-tones Ltd.
Edición y maquetación por Calambres.
|
Guitarrista.org