Tri-Wah

Prototipo del Tri-Wah

Este es un proyecto que llevo mucho tiempo intentando llevar a cabo. Había dos cosas que me echaban para atrás con él pues a pesar de ser electrónicamente un circuito sencillísimo, tenía dos problemas que eran muy difíciles de solucionar. Afortunadamente ambos se han podido solucionar y de un modo muy satisfactorio.

El primer problema era el del inductor. El que no sepa de qué se trata, es una "bobina" de hilo de cobre bobinada alrededor de un núcleo de "ferrita". Hasta aquí la cosa no es nada grave, excepto por el pequeño detalle de que hablamos de una "inductancia" (valor en el que se miden los inductores) muy alta, alrededor de 600mH ("miliHenries").... o eso creía yo que debían de tener. Más adelante lo aclaro. Todos los inductores que se suelen venden comercialmente en las tiendas de electrónica son de valores mucho más pequeños, en el orden de microHenries, esto es la milésima parte de un miliHenry. Si bien las inductancias se suman cuando pones los inductores en serie, como las resistencias, la cantidad de ellos que tendría que encadenar para conseguir el valor adecuado era enorme y no era posible en la práctica.

Había, cómo no, la opción de comprarlo en la web en alguno de los sitios que te ofrecían repuestos para los pedales originales, pero eran carísimos.

Al poco descubrí que había un tío que había escrito un artículo desmenuzando los pormenores del pedal. ¿a que no os imagináis de quién hablo?.... ¡como no!, de nuestro ubícuo amigo R.G. Keen y su espléndida página acerca de The technology of Wah Pedals, extraordinaria página en la que se desvelan todos los misterios de estos pedales. En ella se indicaba cómo sustituir el inductor por un pequeño transformador de impedancias de "Radio Shack", cosa que tampoco me sacaba del atolladero, pues Radio Shack no tiene sucursales aquí.

Afortunadamente, al poco encontré que en RS-Components vendían inductores con muy buena pinta de 100mH, lo cual me facilitaría mucho el tema, pues con 6 ya obtendría los 600mH que creía necesarios. Si queréis verlo, id a RS-Components y en buscad por "Inductor 100mH" o por el código "228-371". En la foto que veréis es exactamente el de enmedio, para lo que deberéis seleccionar la opción de mostrar los resultados en imágenes. Los de 100mH cuestan 1.47€ + I.V.A. (Febrero 2002).

Desgraciadamente quedaba lo peor... ¿de donde saco un pedal de expresión donde meterlo?. Leyendo el artículo de R.G. Keen veo que en los wahs convencionales, el pedal acciona un potenciómetro logarítmico de 100K... ¡ caramba, qué casualidad ! igual que en los "pedales de volumen" que venden por ahí. Luego recordé que yo tenía uno, con lo que sólo me hacía falta conseguir los inductores para probar que tal.

Decidí darle una pensada un poco mayor al tema y me estuve informando acerca de construirme mi propio inductor. Afortunadamente tengo un polímetro con medidor de inductancias, por lo que podría saber si el resultado era bueno. Conseguí un núcleo prácticamente idéntico al que llevaban los originales y, mediante un trabajoso bobinado en mi torno conseguí un resultado bastante pobre. Sólo obtuve 160mH a causa de que el hilo que tenía era demasiado grueso (.25mm ó 1/100"), por lo que abandoné esa línea de investigación.

Continué dándole vueltas e informándome. Los núcleos toroidales (con forma de "donut", para que nos entendamos) tienen poquísimas "pérdidas" por lo que con muy pocas vueltas podría conseguir inductancias enormes. Lo malo es que bobinar "rosquillas" es trabajosísimo. Hay que hacerlo a mano. Así que me compré un núcleo toroidal grandecito para aliviar en lo posible este problema y usando el núcleo bobinado del inductor anterior me puse a fabricarlo. Para que no se me deshilachase en medio de la faena ya que tenía que estar todo el rato metiendo la bobinita por el agujeto del "donut", la sumergí en cera líquida, así la cosa era más controlable. Además, el hilo encerado se sujetaba mejor en el núcleo toroidal.

Me pasé una tarde bobina que te bobinarás y dí tres vueltas completas al toro. Cuando por fín decidí cortar el hilo para medir.... me había pasado un montón... medía 2.6H, esto es me había pasado en 2000mH!!!!. Total, que a deshacer lo hecho, como la famosa Penélope... Cruz no... la otra :-)

Con esto y con el pedal que tenía construí un prototipo que podéis ver aquí:

Prototipo del Tri-Wah

Si os fijáis bién en la foto veréis claramente el "donut" del que hablo, pero también veréis que están los 6 "botes" de los inductores. Pues bién, cuando probé el inductor casero con el resto del circuito es resultado fué estupendo. Me llevé un alegrón pues sonaba la mar de bien, pero la verdad, me asaltaba la duda de qué tal iría la cosa con los inductores comerciales en serie, así que me decidí y me los compré y los instalé en la placa de prototipos. Si os fijáis con más detenimiento, veréis que justo detrás del "bote" de la izquierda del todo hay un conmutador. Con él conseguía cambiar un inductor por los otros fácilmente y así se podían comparar sonidos. Fijáos en la siguiente foto donde se aprecia mejor:

Prototipo del Tri-Wah

Francamente, el resultado de los seis inductores comerciales en cadena era mejor. Me gustaba más cómo sonaba. Sin embargo no acabó ahí la cosa... aún sonando muy bién y mucho más "orgánico" que el wah de mi multiefectos Boss GT-3, había algo ahí que no acababa de cuadrar... era una chispita muy chillón, estridente y no me acababa de gustar.

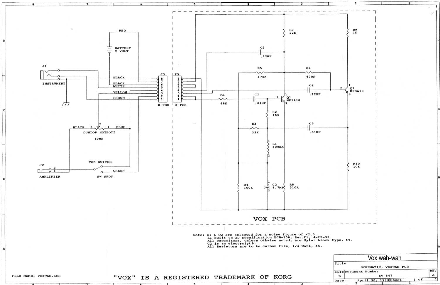
Era hora de releerse otra vez The technology of Wah Pedals. Al poco ya tenía pistas pero me puse a buscar opiniones de usuarios. (casi) Todo el mundo está de acuerdo en que suenan mejor los wahs "VOX" que los "Crybaby", por citar los dos estándares del mercado. El artículo de R.G. Keen estaba basado en los CryBaby. Total que me puse a buscar esquemas como loco. Encontré este esquema del wah VOX. Fijáos que se indica que el inductor "debe" ser de 660mH. ¡Que casualidad!... los inductores aunque nominalmente eran de 100mH, una vez medidos daban unos 110mH, lo que hacía un total de 660mH exactamente. Sin embargo, en la estupenda página Wah Wah Mods se insinúa que los buenos son de 500mH, por lo que seguí mi búsqueda y me encontré con el siguiente esquema auténtico de wah-wah VOX de 1993 en el que se indica claramente que el inductor es del 500mH, al igual que en este esquema de wah-wah VOX de 1980 . Así que decidí quitar uno de los seis inductores y dejarlo en cinco, dando un total de aproximadamente 550mH. El resultado fué de lo mejor, ahora sí que sonaba el wah como tenía que sonar, muchísimo más "orgánico" y "vocal" que antes, más "gordo" y gruñon. ¡Espléndido!.

Decidí insistir con el "donut" casero quitándole vueltas. Al final quedó con un poco más de 3/4 partes del círculo recubierto de espiras y exactamente 550mH. También mejoró la cosa, pero los inductores comerciales seguían sonando mejor.


El núcleo toroidal de ferrita mide:
32mm de diametro, 14mm de altura y el agujero central es de 18mm de diámetro.

Al final no hacía falta ni siquiera una vuelta completa al toro. Usé el trocito de placa preperforada que véis para facilitar las conexiones al hilo.

Por cierto, si os decidís por los inductores comerciales hay algo que conviene que sepáis. Un inductor como ya os dije antes es una bobina y en este caso con un núcleo de ferrita. Pues bien, esa bobina está hecha con hilo de cobre fino y, como es lógico, tiene un principio y un final. En el exterior tiene dos terminales y es importante que sepáis que el principio del bobinado está marcado. Si os fijáis al lado de los terminales, cerca de uno de ellos habrá un pequeño punto en forma de rebaje en el relleno de resina. Ese punto indica el terminal conectado al principio de la bobina y os será muy útil para poder llevar un orden. Es importante que pongáis las bobinas en serie respetando este orden, así un terminal no marcado de una bobina continúa con el que sí está marcado en la siguiente. Así, el resultado final será un conjunto que forma una sóla bobina que a su vez también tendrá principio y fin. De este modo, el "punto" o principio de la primera bobina de la serie deberá estar conectada al punto de "más arriba" según miráis el esquema, esto es, el único lado conectado a la resistencia de 470K.

El proyecto ya estaba "a punto" para Piso-tones Ltd. con lo que me puse en contacto con Rubén para empezar el proyecto. Rubén se lo tomó con el entusiasmo habitual e hizo un diseño soberbio. Si íbamos a tener las tripas de un VOX, deberíamos tener un exterior similar. Como estábamos restringidos al pedal de expresión de plástico convencional no se podían hacer grandes virguerías, por lo que tuvo que tirar de mucho ingenio. A continuación el propio Rubén os relata lo que tuvo que hacer y os presenta el excelente resultado.


Mecanización del Tri-Wah por Rubén Hernández.

[NOTA] Este artículo tiene muchos años ya, más de 20. Hoy en día es muchísimo más sencillo que entonces el encontrar carcasas específicas para wah.

La verdad es que para mi sorpresa, el pedal Proel resultó ser mucho mejor de lo que esperaba. Al principio supuse que iba a ser muy frágil y que el recorrido del potenciómetro iba a ser inadecuado, sin embargo no fué así. El pedal es muy robusto y aguanta mucha tralla, sobre todo tras las modificaciones de Rubén y además el recorrido del pote es muy superior al de los VOX y Crybaby. Todo un hallazgo.

Bueno, supongo que a estas alturas, algún avezado lector estará pensando: Bueno... ¿y por qué lo de "Tri-Wah"?. La razón es muy simple y a la vez muy útil; son tres wahs en uno. Una vez conseguido que el circuito funcionase no sólo correctamente sino que además sonase muy bien, decidí ir un paso más allá y hacer caso a las sugerencias de R.G. Keen acerca de modificación de la respuesta y "barrido" del wah. Además de eso, cuando me llegó el pedal modificado por Rubén, me dí cuenta de que había un sitio "a huevo" para alojar lo que estaba pensando. Aquí lo podéis ver con su botoncillo de mando. Ni hecho a propósito podría quedar mejor:

Lateral del Wah

Mi intención era dotar al wah de un conmutador giratorio de varias posiciones con las que poder conmutar el condensador de 10nF (0.01uF) de retorno desde el emisor del segundo y último transistor hasta el inductor para variar la respuesta del circuito. Evidentemente debería ser un conmutador que tuviese varias "posiciones" y que en la primera posición el wah quedase en modo "Standard". Aquí podéis ver como queda por dentro el pedal. Se parecia el conmutador en la zona de abajo.

Vista interior del Tri-Wah

Vista interior del Tri-Wah 2

Observad cómo quedó todo con el apantallado y como se colocó la serie de inductores. Por cierto, fijáos en la colocación de la pila. Creemos que estos pedales han sido diseñados para contener circuitos activos y el que la pila quepa *perfectamente* allí, no es una casualidad.

Volviendo al tema del conmutador, estuve haciendo pruebas y los resultados eran muy buenos, pero al poco me dí cuenta que si además y al mismo tiempo modificaba también el primer condensador de 10nF de la entrada, los resultados podrían ser mucho más espectaculares. El caso es que al final conseguí tres posiciones que me satisfacían mucho:

Durante algún tiempo, Rubén y yo nos estuvimos refiriendo al proyecto como "Wah-Wih-Woh" e incluso nos planteamos llamarle así, hasta que nos dimos cuenta de que era un nombre horrible, cursi y muy poco serio. Así que decidimos llamarle "Tri-Wah" que queda mucho mejor.

Por cierto, yo usé un conmutador giratorio de 4 circuitos tres posiciones, pero como no se usan más que dos circuitos podéis usar otros de la misma serie de cuatro o incluso de seis posiciones y así tener más modalidades. Como queráis.

Decidí incluir los diferentes condensadores en la placa final. Aún así había un problema que me tuvo bastante tiempo fastidiado. Cuando accionabas el conmutador para seleccionar un modelo u otro, se producía un chasquido fortísimo por el ampli a causa de la descarga instantánea de los condensadores que se seleccionaban. Despué de mucho investigar encontré la solución al problema: hay que poner en el conmutador entre el común de cada uno de los dos circuitos y cada uno de los terminales de los condensadores una resistencia de 4.7M (MegaOhmios). Es resultado es perfecto. No más chasquidos. Mucho ojo, no confundir con el sistema de las resistencias de "Pull-Down", que van a masa. Es como acabo de contar.

Hay otra opción que no he probado, pero debe funcionar y es la de comprar conmutadores "make before break", o "conmutación previa a la ruptura", como los conmutadores de 3 posiciones de las viejas Stratocasters. Quién sabe, a lo mejor encontráis también "posiciones intermedias" interesantes. Buscad en RS-Components por la referencia "320-219". Ese es el que usé yo, pero os pueden ser más útiles de otros tipos que allí veréis. Por ejemplo, el "Bipolar de 6 vías y conmutación antes de ruptura (327-658)". Seis posibilidades y quizá no hagan falta las resistencias de 4M7. Si alguien lo prueba, ¡que nos cuente qué tal!...

Conmutador Giratorio
Conmutador giratorio

Al tiempo hice un diseño en placa de circuito impreso y gracias a nuestro colega "Totufo" conseguimos unas placas la mar de majas, aunque nuestros wahs están hechos en placa preperforada. El circuito es tán sencillo que no hay problemas en hacerlo así y cabe perfectamente.

Una cosa que deberéis tener en cuenta es que si usáis el pedal Proel propuesto, los dos jacks que trae son "mono", por lo que deberéis comprar uno análogo "Stereo" para realizar la conmutación de alimentación al pedal o bien sustituir los dos si no lo podéis encontrar con la misma pinta.

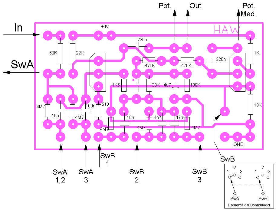
En cuanto al circuito impreso, aquí tenéis el resultado:

Placa con componentes del Tri-Wah

Fijáos abajo a la derecha que está el esquema del conmutador. Se obtienen las tres posiciones antes citadas y, quitando la primera que es la standard VOX, las otras dos son a mi gusto. Jugad con los condensadores para obtener otras respuestas. En el esquema, la posición 1 es "Wah", la 2 es "Wih" y la 3 es "Woh". Creo que queda claro a qué punto de la placa vá cada teminal del conmutador. Por cierto, prestad atención al dibujo del conmutador en la parte "SwA", pues los terminales 1 y 2 están permanentemente unidos eléctricamente entre sí.

¿Véis arriba a la derecha que pone "HAW"?. No es un saludo comanche, es "WAH" al revés, para indicaros de qué lado debéis poner la transparencia para que al final en el cobre quede escrito como es debido. También prestad atención al esquema del inductor. Viene reflejado el "punto" de comienzo de bobina que os contaba antes, justo entre las resistencias de 1K5 y 33K.

En cuanto a lo de "POT" y "POT. MED." se refiere a los terminales del potenciómetro. "POT. MED" significa "Terminal medio del pote". Si os fijáis en el esquema, uno de los terminales de los extremos va a masa y otro al circuito. Soldad uno a cada extremo y si os equivocáis y hace "AUW" en vez de "WAH" jijiji invertís los cables y ya está.

Para obtener el dibujo para transferir a la placa, pinchad en wah-pcb.bmp o bien en wah-ecopcb.bmp si queréis una versión para ahorrar "ácido" (¡ojo con los "cortos" entre pistas!). Ambas están creadas a 600 dpi, así que si las imprimís de ese modo quedarán a tamaño perfecto.

Aquí tenéis la lista de materiales necesaria para la contrucción del Tri-Wah.

Os recomiendo también la lectura de la página del wah de J.D. Sleep, así como esta estupenda página del wah en donde se cuentan muchísimas cosas de los wahs a lo largo de la historia.

También podéis visitar la página del wah de Guitarkit en donde encontraréis interesantes links e información y fotos de cómo retocar un wah para dejarlo a vuestro gusto. Hay también instrucciones para que modifiquéis un wah que ya tengáis y que no os guste por alguna razón y también un modo ingenioso (aunque feo) de que os fabriquéis el propio pedal con material de ferretería.

Por cierto, si os decidís a haceros el inductor... ¡ también cabe perfectamente!. Fijaos:

Interior del Tri-Wah con inductor toroidal.

... ah!... si queréis ver al "Tri-Wah" junto al "auténtico" (cortesía de Lapsteel) pinchad aquí.



¿Queréis oirlo?:



Modificando el Inductor

En la página The technology of Wah Pedals R.G. Keen indica que hay algo realmente "mágico" en los inductores originales de los primeros wahs y lo razona científicamente. Tras conseguir uno de esos pedales se propuso investigar el inductor y llegó a unas conclusiones muy interesantes. El inductor que llevaban esos pedales era "malo"... de mala calidad y barato lo que produjo un resultado asombroso. Leed los detalles concretos en su artículo pero en resumen se trata de que el propio inductor "distorsionaba" a causa de la mala calidad de sus componentes y producía un efecto de distorsión de armónicos pares que era lo que les daba ese sonido tan peculiar y deseable, ese efecto "Vocal y Orgánico" que todo el mundo parece estar buscando en un wah.

El diseño del circuito permitía que pasase corriente a través del inductor y debido a la característica magnética del núcleo del inductor, este llegaba a magnetizarse permanentemente con el tiempo, cosa que no debería haber hecho. Pues bien, a ese magnetismo permanente es lo único a lo que se puede achacar ese comportamiente extraño y deseable de estos inductores. Este es un caso de "accidente feliz".

R.G. Keen propone la idea de crear un magnetismo inducido a base de sustituir el inductor por un pequeño transformador en el cual el secundario es el inductor en sí y el primario es utilizado como "electroimán" para reproducir el efecto. Sugiere un modelo de transformador que venden en "Radio Shack" en USA.

El caso es que, digo yo.... si lo que se trata es de provocar un campo magnético en el inductor.... ¿por qué no hacerlo simplemente con un imán"?.

Pues bien, le propuse el truco a dos amiguetes de Fendermanía: a mi "socio" Rubén y al siempre solícito Lapsteel.

Rubén lo probó en su Tri-Wah de Piso-tones con una tira de imán de esas que se usan en las neveras para cerrar la puerta. Ya sabéis, esa tira "por metros" que va al rededor de toda la puerta de la nevera y asegura que esta quede bien cerrada. Me comentó que en efecto encontró diferencia en forma de una especie de saturación que no estaba muy seguro de que le gustase del todo... Tras darle al "coco" y probarlo yo mismo, me dí cuenta de que el problema estaba en la gran cantidad de campo magnético que se inducía a causa de la forma tan especial que tenían los inductores del Tri-Wah. Son cinco "botes" puestos en línea y Rubén usó una tira de imán de esa misma longitud pegada a lo largo de las partes de arriba de la cadena de inductores. Eso era demasiado pues el campo magnético permanente que aparecía en los inductores de los primeros wahs de VOX era muy pequeño, así que les envié una nota a los dos para que en vez de ese tipo de imán, probasen con esos imanes con forma de hoja que suelen dar de publicidad para pegar en las puertas de las neveras... ya sabéis, esos anuncios flexibles magnéticos de TelePizza y cosas por el estilo que tiene forma de hoja un poco gorda y que "pegan" bastante poco.

Yo hice la prueba y me gustó mucho, pero necesitaba más datos.

El caso es que Lapsteel hizo la prueba, pero no en un Tri-wah, sino en su VOX. Recortó un trocito con forma de moneda del mismo diámetro que el inductor e hizo un agujero en medio con un taladrador de hojas para que pasase la tuerca. Pinchad aquí para ver una foto de "Green-Fuz" (Green-Fuz) del circuito VOX donde se ve el inductor.

En mi opinión, el efecto es "asombroso"... pero no soy el único que lo dice. En las propias palabras de Lapsteel:

"Por fin he podido probar hoy lo del Wah con el imán. (...) Lo he puesto, después de estar un rato tocando para "hacer oreja" y la diferencia es sensacional. A mí no me distorsiona (bueno, algo más guarrillo sí que es), pero el pedal parece que tiene ahora el doble de recorrido y en todas las posiciones suena con más dinámica que antes, es como si le hubiera añadido un "enhancer". De hecho le he pegado el imán con pegamento de ése marca "Pritt" de pegar papeles y ahí se va a quedar mucho tiempo. ¿Por qué no lo traerán de serie?"

Bueno, chic@s... esta no es información estrictamente de Piso-tones, sino aplicable a todos los que tengáis un Wah, ya sea VOX, Crybaby etc... Probadlo en vuestros wahs; es algo que no cuesta dinero y, si no os gusta, lo quitáis y en paz. En el caso del Tri-Wah, usad una tira de esa misma "hoja" de imán puesta sobre "la cabeza" de los inductores e id jugando con el ancho hasta conseguir el sonido que más os guste, o, mejor aún, probad con el método que ha usado Rubén de recortar cinco redondelillos usando como plantilla una moneda de 1 céntimo de Euro. Estos redondeles se pegarán a las carcasas de los cinco imanes, pero si os gusta cómo suena, sugiero que hagáis como Lapsteel y los peguéis con algún adhesivo suave para evitar que se descoloquen con algún golpe o caída del Tri-Wah.

Estas son unas fotos de cómo Rubén lo hizo con su Tri-Wah PisoTones:

 

¡¡más fácil imposible!!


He podido comprobar que la polaridad magnética de estos imanes también influye. Si no obtenéis los resultados apetecidos, probad a darle la vuelta a los imanes o, más bien, girarlos. Yo lo he probado en dos Wahs y según el caso, el efecto es bastante notable. Es curioso, pero a la misma conclusión ha llegado el amigo "Totufo" en su estupendo artículo Modificación del Inductor de un CryBaby/VOX


Por último, si sois lo suficientemente aventureros como para haceros vuestro propio "pedal" en vez de usar el Proel u otro similar, visitad esta página en donde encontraréis tres métodos ingeniosísimos para que os la hagáis vosotros mismos sin demasiados problemas.

Para saber más: Tri-Wah en el foro de guitarristas.org

Archivo:

Kilroy Was Here
©Piso-tones Ltd. Calambres y Rubén Hernández | guitarristas.org