Zen Drive


Por MBC


Zen Drive

Zen Drive

Esta es mi versión de este estupendo overdrive. Se trata de un efecto de tipo dulzón si se usa en solitario pero bastante burro si se usa en combinación con una distorsión o con el canal saturado del ampli.

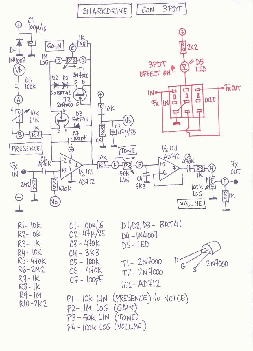
Esquema

Es muy sencillo de construir y todos los componentes (sobre todo el integrado AD712, los transistores 2N7000 y los diodos Bat41), se pueden conseguir en Musikding.de, donde está también el esquema (con algunas diferencias con el mío) También te venden el kit por cuatro perras.

Tenemos un control de volumen, otro de drive, otro de tono y un cuarto que no sé si llamar "presencia", "voice" o cómo ("Voice" en el Lovepedal Hermida Zendrive original). Acentúa determinadas frecuencias en función de su posición.

Con este aparato me ha ocurrido algo raro. Lo he montado con un conmutador triple (3PDT) porque el Millenium True Bypass presenta un problema: NO ES TRUE BYPASS. Cuando el pedal está en modo bypass se oye (perfectamente) un pitido que va variando cuando giramos los controles. Ya sé que no debería ocurrir, pero ocurre. Se dio cuenta mi hermano, que es muy tiquismiquis. Monté otra unidad y el problema se repetía. Rápidamente sometí a examen TODOS los pedales que tengo con el Millenium. No he encontrado ese defecto en ninguno de ellos pero este problema me ha replantearme las cosas. Yo usaba el Millenium True Bypass porque desconfío de los conmutadores triples. Son (o eran) más caros que el DPDT y me he encontrado algunos que tenían estropeado alguno de sus tres circuitos. Por otro lado, también es verdad que con un 3PDT se simplifica el montaje ya que te ahorras el transistor y el diodo. Además, he encontrado un modelo en Musikding.de que tiene un tamaño similar al DPDT y es bastante barato.


Esquema y lista de materiales del Zen Drive.

Placa y fotolitos



Fotolito.


Placa.


Placa guía.

Caja

Podéis ver cómo queda metido en una caja de aluminio Retex i413.


Zen Drive en una caja Retex i413.

Os presento también una versión realizada en madera de iroco, en plan pedal de boutique. El iroco es una madera tropical de gran resistencia y que soporta muy bien la humedad. Se usa en marinería y en puertas y ventanas exteriores. Cada pedal se ha realizado vaciando un solo taco de madera, lo que les confiere gran solidez. La tapa inferior sigue la veta del resto del aparato, lo que lo convierte casi en un mueble de lujo. Los letreros están grabados con láser y la madera ha sido pulimentada a muñequilla. El interior está revestido de papel de aluminio adhesivo para evitar interferencias. Lleva unos bonitos botones de aluminio pulido, como podéis ver en las fotos.


Zen Drive en una caja de madera.


Detalle de la caja.



"Estuche" para el Zen Drive, también en madera.


Sonido

En el siguiente enlace podéis ver una demo colgada en Youtube e interpretada por mi hermano Javi, que es un artista:

https://www.youtube.com/watch?v=8luoix7hmwU

Y eso es todo. Espero que os guste.

Para saber más:

  • Zen Drive en el foro de guitarrista.com


    Kilroy Was Here
    ©Miguel Badía. | guitarrista.com