Big Muff Pi "Ruso"
Por MBC


Big Muff Pi

Como en otras colaboraciones que he enviado a esta página, sólo pretendo complementar el artículo ya publicado con la intención de animaros a que os lo montéis, aclarando alguna duda o dando alguna idea nueva.


BMPi "Ruso"

Tengo este pedazo de bestia de pedal desde hace 3 ó 4 años. Cuando me lo compré me pareció un bicho raro. De fabricación soviética pero con licencia americana (¡¡lo que hay que ver!!) Una especie de hijo bastardo de Electro Harmonix. La caja de madera donde venía es excelente. Los componentes electrónicos, en cambio, parecen sacados de un almacén de misiles en desuso: oxidados, cada resistencia y condensador de un padre y una madre diferentes. De los transistores ni hablamos, los cables de conexionado de distintos e inexplicables grosores y colores. Por otra parte, las dos piezas que forman la caja no encajaban bien. Había que forzarlas para que los tornillos se encarasen. Además, el mío en concreto tenía el DPDT roto y, aunque conmutaba el efecto, el Led no se encendía. Me lo arreglé yo mismo (sustituyendo el conmutador) ya que lo compré en la tienda de un amigo y el precio que me hizo era A-B-S-O-L-U-T-A-M-E-N-T-E inmejorable (aparte del detalle de que era el único que tenía). Le añadí también una toma de alimentación externa para huir de las pilas. El caso es que el aparato, a pesar de los defectos de fabricación y de la falta de homogeneidad en los materiales utilizados, funciona perfectamente (Sobre la calidad del sonido que entrega, me remito al artículo de Pisotones).

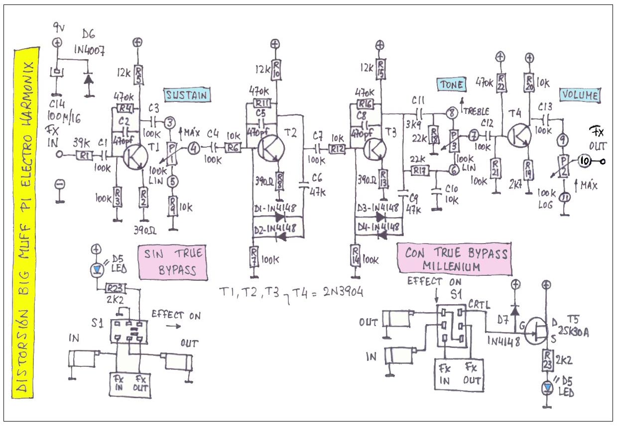
Y después le fusilé el esquema:

Cuando leí el artículo de Pisotones) comparé rápidamente el esquema con el que yo tenía y me llevé la sorpresa de que había bastantes componentes cuyos valores no coincidían. Descubrí que existen varias versiones de este efecto. Como esta pluralidad de versiones suele crear indecisión, os pongo aquí el esquema del "Ruso" para que no haya dudas.


Esquema del BM "Ruso"
Pincha en la foto para verlo con más detalle.

Y aquí tenéis el fotolito acotado:

Aquí podéis ver la placa por el lado de los componentes:

...y la misma imagen pero sin las pistas para que no haya dudas sobre la colocación de cada componente.:

En este enlace tenéis la ista de materiales.

He diseñado la placa para que quepa en la cajita Retex 413 y le he incorporado el Millenium true bypass. Creo que no ha quedado mal. Aunque hay muchos componentes, el diseño me resultó bastante fácil. No hay resistencias ajustables ni circuitos integrados ni componentes de gran tamaño. No obstante, dado que hay tres potenciómetros, os recomiendo como siempre que os fijéis bien en todo el cableado, que no es poco. Cuestión distinta es el acabado final de la caja. Aquí sí que tengo que reconocer que es ampliamente mejorable. Uno hace lo que puede, oye. Podéis comparar los tamaños y aspectos del original y el clon en esta foto.

Que lo disfrutéis con salud.


Kilroy Was Here
©MBC | Guitarramanía