Zombie Chorus

Por MBC


Zombie Chorus
Zombie Chorus.

EL ZOMBIE CHORUS

Antes que nada quiero comentar que esta colaboración es sólo una ampliación, como ya he hecho otras veces, de artículos que ya se han publicado en esta página. Me refiero en concreto al Zombie Chorus de Martín Luciano Bello, colega del otro lado del charco grande. Leed ese artículo para ampliar detalles que aquí no se cuentan ya que, como en esas otras ampliaciones de las que hablo ( Fender Blender, Big Muff Pi y Tube Screamer TS-808), sólo pretendo ser una alternativa y, quizás, animar a los indecisos a que se monten estos magníficos efectos mostrando alguna nueva idea y tal.


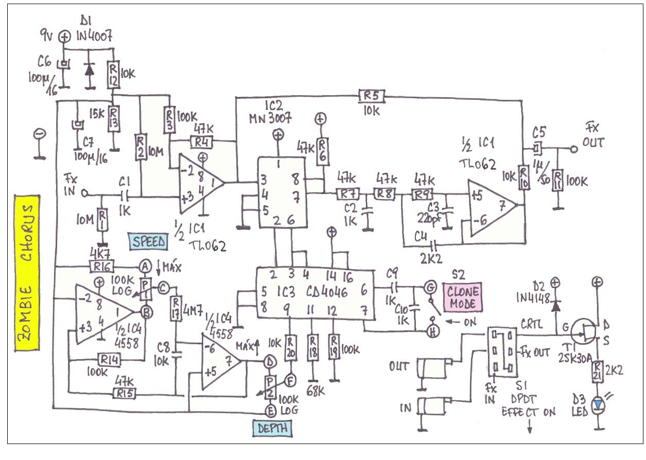
Esquema del Z.C.
Pincha en la foto para verlo con más detalle.

El Chorus es un efecto mágico. Para mí, junto con el Phaser, es el efecto más bonito. La pega que tiene es utiliza unos integrados jodidillos de encontrar. Se trata de los "Bucket Brigades", integrados de línea de retardo de señal (delay lines) que contienen gran cantidad de condensadores que se descargan cada uno sobre el siguiente como si fuesen bomberos de los de antes que se pasaban los cubos llenos de agua. La descarga de los 1024 condensadores que lleva el MN3007 se realiza a una velocidad determinada por el CD4046, que actúa como un reloj.

MN3007
El puñetero chip.
Datasheet

Para conseguir el MN3007 os propongo dos posibilidades. La primera es una tienda de Madrid llamada ADO. Está en la C/ Barquillo, no recuerdo el número. Allí los tienen a unos 4 euros. La otra posibilidad es Valencia. La tienda se llama ELHECA, SL y está en la C/ Bernia, 24 Bajo. Su teléfono es el 963337961. El fax, 963746158. Su página Web, www.elheca.com. A mí me costaron 3,88€ + IVA y me los trajeron al día siguiente de haberlos pedido, o sea que la cosa fue rápida.

Solventado el problema del integrado, y asumiendo que el conmutador DPDT también lo tenemos (pasaos por www.musikding.de, que tienen los de la marca Alpha a buen precio) os comento algunas particularidades de la placa que os propongo. Aunque tiene la misma forma de mis otras placas, veréis que es 3 mm más larga. A pesar de ese aumento de tamaño, he podido colocar el resto de elementos (bases de jack, DPDT, base de alimentación, etc.) en la misma posición de mis otros montajes. La pila también cabe aunque, como digo siempre, es mejor el alimentador. La caja, la habitual Retex RI-413. El acabado exterior admite críticas.


Interior del Z.C.

No he tenido más remedio que poner dos puentes. Uno lo podéis ver dibujado directamente sobre la placa y sirve para alimentar al integrado IC1. El otro une los puntos "I" y "J". Fijaos bien en el cableado de los potenciómetros y del interruptor "S2". El circuito no necesita ajustes, de manera que si no funciona a la primera daos por jodidos porque habéis cometido un error (o varios) Los errores más comunes suelen provenir de cortocircuitos entre pistas muy próximas. Si tenéis ocasión, usad el sistema fotográfico para la realización de la placa. Eso evitará que os quede como un truño, que es lo que me suele pasar a mí.

Usad SIEMPRE zócalos para los integrados. A propósito de integrados, yo he usado el TL062 para la parte amplificadora y el 4558 para el oscilador. No he tenido ningún problema de clics. Podéis observar que he añadido el condensador de filtro C6, el diodo de protección D1 y toda la parafernalia del Millenium True Bypass (gracias y loores al bendito R.G.Keen). Por cierto, los transistores 2SK30A también los compro en ELHECA (muy baratos)




Placas del Zombie Chorus.

En el siguiente enlace tenéis la lista de materiales .

¿Y qué tal suena?. Pues suena que te pasas. Ya os digo que a mí es el efecto que más me gusta y, desde luego, no tiene nada que envidiar a los otros Chorus que tengo y que podéis ver aquí:



Podéis oirlo en el artículo de Martín. También podéis montároslo vosotros mismos y oirlo en casa, en directo, con vuestra propia guitarra y vuestro propio ampli tan ricamente.

Y de momento eso es todo, amigous (ahora tenemos otra vez amigous en los USA, ya ves). Hasta la próxima.


Para saber más: Zombie chorus en guitarristas.org.

Archivo: Zombie chorus casero en el foro Guitarramanía.com.


Kilroy Was Here
©MBC | Foro Guitarramanía