Zombie Chorus 2
Zombie Chorus Deluxe

Por MBC


Zombie Chorus
Zombie Chorus.

EL ZOMBIE CHORUS 2

Antes de seguir leyendo quizá sería mejor que le echárais un vistazo a los dos proyectos que hay ya sobre el Zombie Chorus en esta misma página:

  • Zombie Chorus de Martín Luciano Bello,
  • Zombie Chorus de MBC.

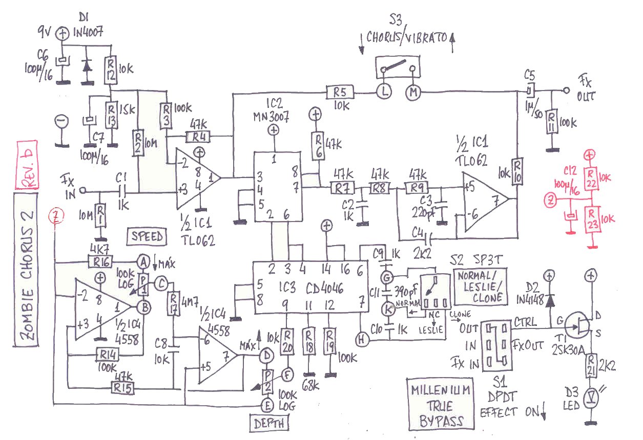
    El Zombie Chorus 2 es una modificación al original añadiendo Zombie Chorus con vibrato y leslie... y más cosas si queréis como ya veremos. Hacía tiempo que tenía localizadas estas modificaciones en un esquema titulado Zombie Chorus Deluxe, debidas al insigne John Hollis en combinación con el gran Mark Hammer y el imprescindible R.G.Keen pero no me había decidido por purita pereza. El caso es que ahora que he tenido unos días de asueto me he tirado al toro y el resultado me parece interesante. Se trata de añadir un vibrato (no trémolo) y un efecto Leslie.


    Esquema del Z.C.
    Pincha en la foto para verlo con más detalle.

    Vibrato

    La idea es idéntica a la que os propuse en el artículo del Phase-90: El interruptor S3 corta la señal directa de la guitarra que viene a través de R5 con lo que a la salida del efecto tendremos únicamente presente la señal retardada por IC2. Esto produce una variación rítmica en el tono de la nota que da un efecto vibrato. La diferencia con el vibrato obtenido en el Phase 90 es que en aquél el efecto es siempre igual mientras que en éste será más o menos intenso (o marciano) en función de la posición de S2; máxima intensidad en posición "Clone", mínima en posición "Leslie" y media en posición "Normal".

    Leslie

    El efecto Leslie consiste en origen en hacer girar el altavoz de un amplificador, con lo que se obtiene un efecto tridimensional, ya que el sonido se acerca y se aleja. El efecto obtenido con el Zombie Chorus no es ni de lejos tan efectivo como un altavoz rotatorio, pero es bonito. Es similar a un trémolo. la cuestión es que añade una opción más a las muchas que ya tiene el aparato, simplemente cambiando el original selector de dos posiciones (Normal/Clone) por un conmutador (S2) de tres posiciones (Normal/Leslie/Clone) y un condensador de 390pF (C11). El funcionamiento de S2 es el siguiente: en la posición "Normal" las patas "G" y "K" están conectadas, con lo que entre las patas 6 y 7 del IC3 tenemos dos condensadores de 1K (C9 y C10). En la posición "Leslie" las patas "G" y "K" están desconectadas, con lo que entre las patas 6 y 7 del IC3 tenemos C9, C10 y C11(de 390pF). En la posición "Clone" las patas "G" y "H" están conectadas, con lo que entre las patas 6 y 7 del IC3 sólo tenemos C9. Supongo que está claro. El conmutador que yo he usado, comprado en Valencia, tiene el aspecto exterior de un conmutador de palanca tipo DPDT, pero dispone de una posición central en la que todas sus patas están desconectadas. He visto en Musikding conmutadores simples de tres posiciones, pequeños y muy baratos. Para conseguir el MN3007 leed mi artículo del Zombie Chorus normal.

    Otras opciones

    En el mismo esquema en el que he basado este proyecto había dos modificaciones más que no me han parecido tan interesantes: una consiste en añadir un potenciómetro de 10K lineal en serie con R5, cuyo valor habría que cambiar a 5K6. Ese pote funcionaría como una especie de Mixer o balance entre la cantidad de señal "limpia" y señal retardada, similar al "Blend" del Fender Blender (que podéis ver también en esta misma página). la otra consistiría en añadir un condensador en serie con C8 y un interruptor para ponerlo o puentearlo. El valor de ese hipotético condensador no está determinado en el esquema; pone "adjust to your needs", lo que viene a significar que pruebes hasta encontrar el que te guste. con ese condensador en serie con C8 se obtendría un efecto de modulador de anillo. Yo no lo he probado ni ganas, porque no me gusta ese efecto.

    También quiero hacer un comentario sobre el cacareado asunto del "clicking". Por lo visto le ocurre a mucha gente con este efecto. Es el puñetero tic tic tic del oscilador. Los dos prototipos que yo he montado no lo hacen o al menos yo lo encuentro tolerable. En el Zombie Chorus Deluxe, base de todo este artículo, el king Keen propone la siguiente modificación para evitar el ruidito: dos resistencias de 10K en serie entre positivo y negativo con un condensador de 100 mF entre su unión y negativo para lograr un divisor de tensión. Con la tensión media obtenida alimentaríamos las patas 2 y 5 del IC4 (que es el oscilador) en lugar de alimentarlo con la tensión obtenida entre R12 y R13, tal como figura en el esquema actual. Quizás monte otro prototipo con esta modificación para ver si mejora algo. Ya veremos. De momento se queda como está, que la placa ya es bastante complicada.

    Construcción

    Aquí tenéis detalles de la placa:


    Placa del Z.C.2
    Pincha el dibujo para ver el fotolito.


    Placa guia

    Aqui tenéis la lista de componentes. Sólo me queda recomendaros mucha atención tanto en la realización de la placa como en el cableado posterior ya que se trata de un montaje complejo y las posibilidades de meter la pata son altas.

    El acabado de mi montaje es megacutre, como viene siendo habitual. Lo mío no es la pintura, desde luego. He usado material del bueno: conmutador tipo Marshall, potenciómetros Alpha, botones tipo MXR, caja Hammond 1590B (en lugar de la habitual Retex i413). En fin, que estoy muy contento. La putada es que no me llegó a durar ni un día en casa. Mi hijo mayor lo vio, lo probó, me dijo "oye, esto mola" y se lo llevó. De hecho se lo tuve que pedir para hacerle las dos fotos que adjunto. Cría cuervos...


    Interior del Z.C.2



    Revisión B: "Anticlicking"

    En los primeros montajes que he realizado de este aparato no me preocupaba demasiado el asunto del clic clic clic rítmico del oscilador. Pensaba que el nivel del ruidito era aceptable. Sin embargo, he tenido ocasión de comprobar que con algunos amplificadores es bastante molesto. Estudiando la placa me percaté de que no era demasiado complicado añadir los componentes necesarios para implementarle el divisor de tensión que propone R.G.Keen para evitar el clicking. Se trata de R22, R23 y C12, en rojo en el esquema. Veréis que la tensión media obtenida con ellos se aplica al punto "Z" que afecta al oscilador, formado por IC4 y sus componentes asociados. Aunque he tenido que desplazar algunos componentes cabe todo perfectamente en la plaquita.


    Esquema del Z.C. Rev. B.
    Pincha en la foto para verlo con más detalle.



    Placa del Z.C.2 Rev. B.
    Pincha el dibujo para ver el fotolito.


    Placa guia de la Rev. B.

    Aqui tenéis la lista de componentes de la Revisión B.

    He realizado un nuevo prototipo y lo he metido en un caja Retex i413. He colocado los dos conmutadores (el de Vibrato ON/OFF y el selector NORMAL/LESLIE/CLONE) en los laterales de la caja. Es una posición un tanto extraña pero evita un montón de problemas con posibles cortocircuitos. Al habitual acabado nefasto hay que añadir que los letreritos son de pega. Voy a tener que tomar una decisión con el aspecto artístico/profesional de mis montajes porque esto es una verdadera vergüenza.


    El Z.C.2 Rev. B.


    Interior del Z.C.2 Rev. B.

    Pinchad aquí y aquí para ver otras dos imágenes ampliadas del interior.


    Para saber más: Zombie chorus en guitarristas.org.

    Archivo: Zombie chorus casero en el foro Guitarramanía.com.


    Kilroy Was Here
    ©MBC | Foro Guitarramanía