Depuración de errores
en montajes de efectos.

Pedales caseros y sus problemas

Seamos sinceros, no hay que ser científico atómico para hacerse un pedalito pero la verdad es que tampoco es trivial, sobre todo para el que no lo ha hecho nunca.

Siempre he intentado en esta web, con más o menos éxito, el que los montajes queden bien explicados incluso para el completo novato. He escrito artículos de iniciación a la electrónica básica, he descrito los diferentes componentes electrónicos de uso común así como trucos de montaje y cableado y demás lindezas con las que nos las tenemos que ver los que nos metemos en estos líos, sin embargo periódicamente aparecen amigos que se quejan, ya sea en el foro guitarristas.org o directamente a mi e-mail, de que no les funcionan las cosas. Por mucho que lo revisan todo, la cosa sigue sin funcionar. Creedme, chavalas y chavales... os entiendo porque a mí me pasa continuamente.

Lo que tenéis que tener muy claro es que este hobby requiere un poco de cuidado y conocimientos. No vale coger el primer esquema, hacerlo y ya está a menos que se tenga experiencia y si luego no funciona quejarse amargamente. Hay que documentarse un poco. Hay que invertir un cierto tiempo en obtener datos de como se hacen las cosas y, sobre todo, no empezar por montajes complicados.

Desde hace tiempo que quería hacer un artículo de este tipo pero siempre me ha dado pereza. El caso es que al final trabajo más dando soluciones uno a uno, así que aquí estoy contando esto.

Que conste que lo que aquí pretendemos es dar unas guías de resolución de problemas, no es un manual de cómo hacerse pedales. Todo lo que viene a continuación es para una vez que ya hemos hecho el pedal. Y que conste también que es absolutamente imposible hacer una guía en la que aparezcan todos los posibles problemas que podáis encontrar.

Se pretende dar unas pautas generales de actuación en caso de problemas. Lo demás vendrá dado con un poco de paciencia, tesón, experiencia y documentación.

Para empezar aseguráos de haber leido y entendido estos otros artículos:

Problemas con los montajes

Ya lo he comentado varias veces en el foro: la mayoría de los problemas que nos encontramos se deben a descuidos o a cableados incorrectos. Esto se puede repetir hasta la saciedad y aún así nos seguirá ocurriendo... a todos!. Los despistes, incluso sabiendo muy bien lo que se está haciendo, pueden estar a la orden del día, pero de todos modos conviene tener en cuenta las cosas típicas que nos puedan fallar.

Cableado

La experiencia me dice que la mayoría de los problemas vienen precisamente de ahí. No importa la de veces que lo hayamos hecho, nos terminaremos equivocando en cosas tan básicas como cambiar la entrada por la salida, olvidarnos de la alimentación y cosas por el estilo.

Para empezar vamos a ver un esquema básico de un efecto:



Esquema básico.

Fijáos bien... a pesar de su simplicidad podemos meter la pata ya en esto. La entrada es, en un nivel de pruebas, el instrumento y la salida el amplificador. No intercaléis otras cosas cuando estéis haciendo pruebas para no introducir más variables en la ecuación. Ahora vamos a complicar un poco más el tema:



Añadimos alimentación de, generalmente, 9V.

Añadimos una tercera vía a nuestro esquema básico: la alimentación. La inmensa mayoría de nuestros pedales van a ser "activos" lo que implica que han de llevar alimentación eléctrica con la que darles vidilla a los componentes electrónicos internos que son los que realmente van a producir el efecto que queremos. Pues bien, vamos a complicarlo aún más:



Algo más concreto.

Tanto la entrada como la salida llevan dos cables que comunmente conocemos como "vivo " y "masa". Ni que decir tiene que es imprescindible el que conectemos los dos tanto en la entrada como en la salida pues si no será imposible que funcione nuestro efecto. Fijáos también en la forma de representarlo: un cable interior (vivo) rodeado por uno en forma de tubo (masa). Se representa así la típica línea coaxial que es el cable de guitarra de toda la vida: Un "vivo" rodeado por una malla que es la "masa. La salida igual.

De igual modo habréis visto que he asignado unos cuantos colores al gráfico. El uso de cables de colores es muy recomendable en estos efectos ya que nos permitirán saber de un vistazo por donde estamos en todo momento. He asignado los colores de modo arbitrario en unas ocasiones y de un modo establecido en otras:

Es un código que me establecí hace tiempo cuando empecé a hacer los Piso-tones y que he procurado mantener. Vosotros podéis usar el código que os apetezca siempre y cuando no uséis los:

En la mayoría de los casos, el negativo coincidirá con la masa. En algunos casos será al revés pero ya hablaremos de eso más tarde; por ahora quedémonos con esta convención.

Fijáos cómo el negativo se une a las mallas (masas) de los cables y al efecto, además de a la caja, por supuesto. Todo esto quiere decir que el efecto ha de tener conectados la entrada, la salida, la alimentación y las masas para que pueda funcionar. En la práctica habremos de jugar con estas conexiones para hacer que nuestros pedales se comporten como queremos, pero por ahora dejémoslos así.

Esas cosas tontas con las que nunca contamos

Intentamos que el efecto que nos estamos haciendo funcione, sin embargo comprobamos con horror que no es así. Antes de entrar en "modo pánico" vamos por las cosas más tontas:

Por favor, no os riais de estas "perogrulladas"... estas cosas pasan, os lo puedo asegurar por experiencia. No será la primera vez que me vuelvo loco al probar un efecto para descubrir un buen rato más tarde que tenía bajado del todo el volumen de la guitarra. No descuidéis estos detalles.

Prueba básica

Si ya tenemos nuestro efecto montado en su placa y hemos conectado la entrada, salida y alimentación y todo está dispuesto, todo debería funcionar perfectamente. Este es el flujo básico y si nos lo saltamos, no importa lo que hayamos hecho en la placa... no funcionará, por esto es tan importante que sepáis la base de conexionado.

Es muy recomendable que cuando hagáis vuestros efectos lo comprobéis de la manera anteriomente indicada. Olvidáos por ahora de switches de pie, LEDS, conmutaciones de pila, cajas y de todas las virguerías que queráis añadir. Lo principal es que el circuito funcione y, si no lo hace, que sepáis por donde empezar a analizar. Si habéis hecho lo anterior correctamente y no funciona el fallo estará con toda seguridad en el circuito.

Pensad que si hacéis todo por las buenas sin tener en cuenta lo anterior, añadís el DPDT, el LED, lo metéis todo en la caja, la cerráis, enchufáis y no funciona... la depuración de problemas será mucho más difícil que si hubiéseis hecho los pasos anteriores. No sólo habréis introducido varios componentes al montaje (LEDs, DPDTs...) sino que dentro de la caja no habrá quien se aclare. Así que haced todas las pruebas del circuito antes de añadir todas esas cosas.



El famoso "Makoki" del GT2 es un ejemplo de este método.
Entrada, salida, alimentación y controles. Nada más por ahora.

Ahora bien, si tras comprobar que todos los componentes externos al efecto están en perfecto orden la cosa no funciona deberemos sospechar primero de los componentes del efecto externos a la placa. El caso típico son los potenciómetros y switches (ojo, aún no estamos hablando del switch de pie).

Comprobad que los potes están correctamente cableados. El elemento crítico es el cable central. Si este está bien conectado, por ahora no nos importa demasiado cómo estén los otros dos ya que, si están al revés, el mando actuará también al revés, pero eso es facilísimo de detectar y arreglar. Sin embargo, si nos confundimos con el central puede que no funcione en absoluto así que prestad especial atención a este. También es aconsejable llevar un código de colores con los potes.

El tema de los switches puede ser fácil o todo o contrario dependiendo de qué tipo de conmutadores sean. Los interruptores no tienen ninguna ciencia de cableado ya que sólo tienen dos patitas y da igual cual soldemos a qué cable. Sin embargo los conmutadores pueden liarnos del mismo modo que los potenciómetros. Si es el típico conmutador de dos posiciones, el cable central será igual de crítico que en los potes. Al fin y al cabo, un pote es (más o menos) como un conmutador SPDT progresivo. Si el central está correcto, funcionará. Si acaso más adelante podremos ver si hay que dar la vuelta a los cables por que el interruptor sea de los que indican la acción (On/Off, por ejemplo) o porque queramos que se comporte de un modo específico.

¡¡¡Que no funciona!!!

Bueno... pues hay que tomárselo con calma y revisar todo. ¿Habéis tenido cuidado con los contactos?. Si tenemos todo desparramado por la mesa puede que la placa o algún otro componente esté haciendo cortocircuito con alguna cosa metálica. Cuidado con eso.

Si... ya sé que es un coñazo, pero revisadlo todo de nuevo. Si aún así no funciona entonces, una vez desechados los componentes externos hay que sospechar del propio circuito.

El circuito

Aquí es donde se alojan la mayoría de los componentes y donde, una vez descartados los componentes externos, por pura estadística estarán la mayoría de los posibles errores. Entonces... ¿por qué no hemos empezado por aquí?... porque también es lo más complicado. Hemos de desechar todo lo externo antes de meternos en el follón de analizar un circuito. Vamos primero con las comprobaciones visuales.

Como ya conté en el artículo Construcción de Circuitos, algunos componentes tienen posición fija y si no los colocamos correctamente no funcionará nuestro efecto:

Como alguno de estos componentes esté mal puesto o bien no funcionará correctamente el circuito o no funcionará en absoluto. En el artículo anteriormente citado se indica cómo han de ir puestos con respecto al esquema. Conviene decir que si nos encontramos algún componente mal puesto puede que se haya estropeado definitivamente. Es el caso típico de los condensadores de tántalo y de los circuitos integrados. Los diodos no suelen estropearse por esto pero los integrados pueden llegar a "freirse", despidiendo bastante calor. El también típico en algunos tipos de transistores.

También es un error muy común el hacer las placas "al revés", sobre todo si usamos método fotográficos. Hay que prestar mucha atención a esto. Repasad el artículo Haciendo PCBs. En los componentes con dos terminales no tendremos problemas pero en los transistores e integrados sí. De hecho tanto unos como otros pueden sobrevivir "aparentemente" a una colocación errónea. No es probable que quememos un transistor por ponerlo al revés aunque sí con los integrados como ya hemos visto. Lo malo es que a veces estos últimos sobreviven a duras penas a esta prueba. Como se indica en este artículo de R.G. Keen: "When good op-amps go bad...", tanto los transistores como los operacionales pueden funcionar mal tras una mala colocación. Con "funcionar mal" quiero decir que funcionan... pero no todo lo bien que deben y puede hacernos creer que es así como debe ser. Por todo ello es muy importante que nos aseguremos muy bien de cómo conectamos estos semiconductores. Usad siempre zócalos para los integrados.

Afortunadamente es relativamente sencillo "ver" si uno de estos componentes está mal colocado. Ante la duda, leed la "datasheet" del componente en donde aparecerá el patillaje de cada uno muy bien especificado. En internet tenéis practicamente todas las datasheets que necesitéis. Id a "google" y buscad por la referencia del componente más "datasheet" ó "pdf".

Si sospecháis que habéis colocado mal alguno de estos componentes, una vez que comprobéis que todo funciona, no estaría mal que los susituyéseis por unos nuevos. Es especialmente importante que no hagáis pruebas con componentes difíciles de conseguir como integrados "mágicos", transistores raros y cosas por el estilo. Utilizad equivalentes baratos en las pruebas y luego, una vez depurados los errores, poned los buenos.

Si aún así no funciona tendréis que repasar el resto de componentes. El que puedan no tener posición de colocación no quiere decir que no los hayáis puesto donde no deben ir. Además está el caso típico de valor equivocado de componentes discretos como condensadores, resistencias etc. Podemos equivocarnos de valor y eso puede hacer que no funcione nuestro efecto. En el artículo de construcción de circuitos se indica cómo interpretar los códigos de los diferentes componentes.

El siguiente paso será repasar las soldaduras y las pistas de la placa. Lo de las pistas es algo que ya deberíais haber hecho antes de soldar nada. La forma más fácil de comprobar las pistas es mediante medición de continuidad con un polímetro. Por continuidad quiero decir que deberéis poner el polímetro en "Ohmios" a la escala más baja y comprobar que la pista conduce la electricidad. Esto se reflejará con un valor muy bajo de ohmios... de menos de un ohmio dependiendo de la precisión del polímetro que uséis. Otros polímetros llevan medición de continuidad por aviso sonoro o "beep". Cuando haya continuidad entre dos puntos sonará un "beep" lo que nos resultará comodísimo pues no tendremos que estar cambiando la vista de la placa al polímetro pues podremos "oir" si está bien.

Algunas veces el procedimiento casero de fabricación de placas hace que tengamos "microfisuras" en las pistas y que aunque aparentemente y a la vista están bien, realmente estén cortadas. Para ello nada mejor que la prueba de conductividad. Si detectamos una posible microfisura deberemos repasar con una lupa y reparar la rotura a base de estañar de nuevo la pista.

El tema de las soldaduras de los componentes es algo más peliagudo pues no siempre podremos ver que están mal. A veces sí es muy evidente, con gotas redondas y "saltonas" de estaño y de un color muy "mate" que nos indicarán que pueda ser una soldadura "fría". Repasad el punto y ya está. En caso de duda, medid continuidad por el otro lado de la placa en la patita en cuestión con otro punto de la placa con el que sepamos que está conectada electricamente.

Mucho ojo con los cortocircuitos entre pistas formados por soldaduras adyacentes, pistas mal hechas o incluso trocitos de hilo de cobre o terminales de componentes.

Masas positivas y negativas.

Como ya sugerí antes, en la mayoría de los casos nos vamos a encontrar con montajes con masa negativa. Es prácticamente un standard pero hay ocasiones en que esto no es así, sobre todo en las recreaciones de efectos muy antiguos basados en transistores de Germanio como el Fuzz Face, el RangeMaster, algunas versiones antiguas del Big Muff y otros. Es muy importante que sepamos qué tipo de montaje estamos usando y actuar en consecuencia con los componentes que lleven algún tipo de polaridad como los semiconductores, los condensadores polarizados, etc. Ni que decir tiene que si nos equivocamos en esto el efecto no funcionará e incluso podremos estropear alguno de esos componentes.

Vale... pues sigue sin funcionar.

Desde hace tiempo tengo un ritual algo tedioso cada vez que empiezo a hacer un efecto. La experiencia me ha demostrado en varias ocasiones que no es suficiente con comprobar los códigos de los componentes... hay que comprobar los componentes directamente. Es entendible que algún componente que compres esté estropeado y no funcione pero lo que es alucinante y ya me ha pasado en varias ocasiones es que los componentes vengan mal etiquetados. Alguna vez he comprobado que el valor de un condensador o una resistencia no es el indicado.. y que conste que no estoy hablando de tolerancias sino de que, por ejemplo, una resistencia de 680K sea realmente de 680 Ohmios. Esto es verídico, me ha pasado.... y más de una vez!

También puede ser que os den algún componente equivocado pero bien etiquetado. Por ejemplo... compramos tres potes: dos de 100K y uno de 470K. El dependiente se equivoca y nos da dos de 100K y uno de 4K7. Ponemos los dos de 100K y asumimos que el tercero es el que falta. Lo ponemos y luego no funciona nada... Esto exactamente ya me ha pasado una vez.

El ritual que os contaba antes es el de comprobar uno a uno todos los componentes que compramos, sus valores y su funcionamiento. Para comprobar resistencias, diodos y transistores valen los polímetros baratos que venden en las grandes superficies. Para comprobar condensadores ya os tendréis que comprar uno algo mejor pero no son muy caros tampoco. El tema de los integrados es más peliagudo, por eso siempre recomiendo usar zócalos. Si sospechamos que no funciona habrá que sustituirlo por otro.

Por cierto... si usáis zócalos no os olvidéis de pincharle los integrados antes de probar el montaje. Al que no le haya pasado nunca que levante la mano!

Pues aún así, no funciona... ¡¡¡Grrrrr!!!

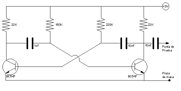
Hay un cacharro la mar de útil para depurar circuitos de audio que requiere de unos pequeños conocimientos de electrónica para poder usarlo. Se trata del "Inyector de Señales". En base se trata de un pequeño oscilador que genera una onda, normalmente senoidal y de frecuencia audible, en torno a 1KHz más o menos y que nos permite comprobar qué parte de nuestro circuito es la que no funciona.

Suelen tener forma de "lápiz gordo" con una punta tipo "tester", un cable de masa acabado en una pinza de cocodrilo y un interruptor de pulsador para activarlo a voluntad. Algunos polímetros algo avanzados llevan incorporada esta función, pero si el vuestro no lo tiene no os preoucupéis porque como podéis ver justo a continuación, es fácil fabricarse uno:



Mi inyector de señales casero montado en la carcasa de un rotulador jojojo

Pretendemos "inyectar" una señal audible en las diferentes etapas de nuestro circuito de audio, paso a paso y se usa de la siguiente manera:

Tendremos activado el circuito a analizar con la salida conectada al amplificador y ninguna señal a la entrada del efecto. La pinza se conecta a la masa general del efecto y con la punta vamos tocando puntos del circuito siguiendo la vía de audio, pero al revés, de la salida a la entrada. Con el pulsador activamos el circuito del inyector, generando una señal que oiremos por el ampli. Tened la precaución de bajar mucho el volumen del ampli pues en algún momento podemos inyectar señales muy fuertes.

Como ya he dicho se analizará el circuito desde la salida a la entrada para así ir descartando uno a uno los diferentes pasos de audio del efecto. Esto evidentemente requiere el entender cómo funcionan los efectos y nos será mucho más útil ahora el esquema electrónico que el "layout".

Para empezar, inyectamos una señal en el borne del "vivo" del jack de salida. Oiremos un pitido por el ampli. Si no lo oimos puede ser por:

Es imprescindible que la prueba anterior funcione. Si no funciona esto no podremos continuar. En base a las posibilidades antes vistas has de conseguir que se oiga el pitido por el ampli.



Aquí podéis ver la punta de prueba, el pequeño pulsador y la pinza de cocodrilo de masa.

Una vez conseguido iremos etapa a etapa hacia atrás. Si todo va bien, oiremos el pitido en todos esos puntos. Si en un momento dado dejamos de oirlo o lo oimos de una forma anómala y estamos seguros de que el punto de prueba es el correcto, el problema está entre ese punto y el último en que sonó correctamente. Ya tenemos aislado el problema y podremos centrarnos en unos pocos componentes. Una vez detectado el problema y corregido, probamos el efecto y si sigue sin funcionar volvemos a hacer el proceso hasta dar con la avería.



Las tripas del inyector. Como véis es una placa preperforada y una pila de litio de 3V.
Para la punta usé una vieja de polímetro a la que se le rompió el cable.
Usad condensadores cerámicos monolíticos y resistencias de 1/8W para que quepa bien.

Esto es más fácil de hacer que de explicar. Una vez que le pillas el truquillo es muy fácil y la experiencia nos indicará cómo actuar y qué esperar que pase. Por ejemplo, si aplicamos una señal al colector de un transistor, esta la oiremos más fuerte que si la aplicamos en la base del mismo transistor, del mismo modo que deberá ser más fuerte a la entrada de un operacional que a la salida... o la misma si es que tenemos el op. amp. dispuesto como ganancia unitaria, para un buffer, por ejemplo.

Así mismo deberemos inyectar la señal en ambos lados de los condensadores de paso de señal para comprobar que estos funcionan correctamente.



Esquema del inyector.


Genera un tono en forma de diente de sierra de unos 1.15KHz.

No es precisamente un oscilador muy sofisticado pues se premia su sencillez por encima del resto de cualidades. Para lo que nos interesa es más que suficiente. En GEO tenéis un esquema de un inyector de señales algo más sofisticado. En la web tenéis montones de esquemas de estos. Concretamente estamos hablando de un circuito clásico conocido como Multivibrador Astable.

Recapitulando...

Hay muchas cosas que pueden fallar en un pedal y cuanta menos experiencia tengamos más fácil será que nos topemos con ellas. La clave es que, siempre que se sepa que el circuito funciona (todos los Piso-tones funcionan, que conste) abordar los problemas con la cabeza fría y con paciencia. En la mayoría de los casos se trata de tonterías del tipo cableado, transistores al revés y cosas por el estilo.




Vale... ya suena, ¡¡¡pero suena fatal!!!

Bueno, esas cosas también pasan. Hasta ahora hemos tratado los problemas de "ausencia de sonido" pero puede que aún habiendo salida de audio este no sea como esperamos.

Para empezar hay que definir lo que es "sonar fatal". Por ejemplo, a un punkarra-thrashmetalero le sonará fatal un "Envelope Filter" aunque sea un Mu-Tron III vintage de 600€ y a un surfero le horrorizará un Big-Muff. Otro ejemplo, alguien que no sepa cómo tiene que sonar un "Ring Modulator" le parecerá que está roto o alguien que no haya oído nunca un Octavia puede que crea que tienen algo estropeado o se está quedando sin pilas.

Si conocemos como tiene que sonar un efecto y aún así nos suena mal puede ser por varias razones. Las más habituales son por equivocación en los valores de los componentes o por condensadores defectuosos. Incluso un transistor mal colocado puede, según en qué casos, sonar. Sonará bajito y mal, pero puede sonar. Si hemos comprobado como antes que todo está bien, tendremos que sospechar de problemas con los componentes.

Ya os he hablado antes de lo que puede pasar si colocamos mal transistores o integrados. En el topic del GT2 en Guitarramanía hay documentados varios casos de operacionales defectuosos. En algunos casos un electrolítico puesto al revés puede producirnos estos problemas. En otro pueden llegar literalmente a explotar. Caso típico de electrolíticos de filtrado de alimentación.

Los condensadores de tántalo son especialmente sensibles a las inversiones de polaridad y pueden estropearse incluso por errores de muy poco tiempo.

En muchos circuitos de distorsión, el recorte de la onda se hace mediante una pareja de diodos contrapuestos. Si nos equivocamos y los ponemos en paralelo sonará el efecto pero no como debería.

Otro caso típico es el de los condensadores "microfónicos". Sobre todo los cerámicos de lenteja. Dadles golpecitos con la goma del culo de un lápiz y puede que oigáis dichos golpes por el ampli. Cambiadlos en ese caso.

También es relativamente común que algunos condensadores de film se comporten mal y hagan que nuestro circuito no suene adecuadamente. Sobre todo si se trata de condensadores de paso de señal. Caso típico de condensador de antrada al efecto y/o de salida.

Pues sigue sin funcionar correctamente

Si todo lo anterior falla y tenemos mucho interés en el efecto podemos empezar desde cero pero de un modo aún más experimental. Existen unas placas de proyectos en las que se enchufan los componentes por sus patitas. Son las "breadboards" que dicen los guiris. Son unas herramientas buenísimas para diseñar, probar y modificar circuitos ya que no hay ninguna necesidad de soldador y los componentes se pueden cambiar a placer desenchufándolos o enchufándolos como queramos. Son algo caras pero nos valdrán para todos nuestros proyectos.



Típica placa de proyectos del tipo "Breadboard".
Los componentes se enchufan en los agujeritos que están interconectados entre sí en grupos.

Si hemos llegado a un callejón sin salida en nuestro montaje podemos comenzar de nuevo en una placa de estas. Por supuesto que los componentes discretos los tendremos que comprar de nuevo ya que una vez soldados en la placa, aunque los saquemos, no tendrán ya suficiente longitud de patitas para poder usar una placa de estas.

Si os fijáis, la separación entre pines es la misma que la standard de 0.1" por lo que podremos enchufar directamente circuitos integrados como si de un zócalo se tratase.

Vienen de fábrica con un diseño preestablecido de pistas. Tendremos que fabricarnos nuestras "vías" a base de pequeños puentes de cable. Este cable se aconseja que sea del tipo unifilar para que así sea más fácil enchufarlo y desenchufarlo.



Las líneas verdes indican cómo están interconectados entre sí los agujeritos.

Estas placas nos permiten, con un poco de trabajo y experiencia, copiar los esquemas electrónicos de una manera análoga a lo que vemos en el papel. Al final tendremos un buen follón de componentes y cables pero podremos ver muy fácilmente qué es lo que está fallando... incluso sustituir de un golpe un componente que creamos sospechoso, cambiar el patillaje de un transistor o probar diferentes valores de componentes para "ver qué pasa".

Como herramienta de prueba y desarrollo es buenísima pero también como método de depuración de errores. De hecho estamos eliminando la placa de circuito impreso y los posibles fallos que hayamos podido hacer en su fabricación.

Sin embargo es muy importante recalcar que este tipo de placas sólo sirve para esto. Nunca deberemos utilizarla como plataforma definitiva de construcción de circuitos. Además de ser caro, el sistema es muy frágil y voluminoso además de que, con tantas patitas al aire y tanto cables por aquí y por allá, nos será facilísimo el captar ruidos y zumbidos. Esto es para lo que acabo de contar, no es en absoluto una solución definitiva.



A base de puentes de cable podemos hacer nuestras propias "pistas".
En la página del Tri-Wah tenéis más detalles de este montaje en concreto.

En la web de www.beavisaudio.com tenéis un PDF (en inglés) que muestra muy bien cómo usar estas placas.

Al fin he conseguido que funcione, pero deja de funcionar al meterlo en la caja

Si hemos conseguido que funcione fuera de la caja y deja de hacerlo al hacer el montaje final, lo más probable es que hayamos conectado algo mal. Los casos típicos son con los jacks y con el switch de pie.

Otro caso típico es conectar mal la alimentación, tanto en el circuito de activación por el jack de entrada, como en el de alimentación externa con conmutación a interna.

También es relativamente común el que un efecto montado en la caja no funcione porque inadvertidamente está produciéndose un cortocircuito de algún componente con la propia masa de la caja o con algún cable o bien porque al cerrar la tapa estemos forzando la placa y provocando malas conexiones. Una buena inspección ocular de posibles fallos nos indicará lo que pasa.

Un caso clásico que ya se advierte en la seccion de "Precauciones" del artículo Alimentación Externa es el usar alimentador externo dejando el clip de la batería "al aire" y haciendo contacto con la propia caja. Allí se explica todo.

Ya funciona todo excepto...

Si tuviera un euro por cada vez que me cuenta alguien que no le funciona el "Millenium-2"... En el artículo del bypass cuento todo lo que hace falta saber de este circuito, las precauciones que hay que tener, cómo cablearlo, donde ponerlo y qué componentes usar (y no usar). No importa la de veces que lo cuente, la gente sigue:

... y eso que es un circuito sencillísimo de tan sólo cuatro (o cinco) componentes!!!. Por cierto que a veces me he encontrado con que todo el problema estaba en un LED defectuoso. Cuando comprobéis mediante el polímetro que funciona como diodo dando una lectura bastante más alta que un diodo normal... unos 1.7V de tensión directa en la prueba de diodos para el típico LED rojo en vez de los .640V del típico 1N4148 o los .330V del típico diodo de Germanio, comprobad también que luce, aunque sea muy débilemente en este tipo de pruebas. No es la primera vez que me encuentro con un LED que sí funciona como diodo pero no luce de ningún modo.



Ya se explica en el artículo del ByPass pero repetimos por si acaso.

PDR= "Pull Down Resistor" y es opcional. Usad valores entre 1MOhmio y 2.2MOhmios. Si el circuito ya lleva una resistencia entre la salida y masa no hace falta poner otra para que funcione el Millenium-2. Ojo que la resistencia que pueda llevar el circuito ha de ser justo a la salida, después de cualquier otra cosa, como algún condensador, por ejemplo.

La línea verde (otro color "Standard Piso-tones" Sacto!) es el terminal "SW" que se describe en el artículo del ByPass. Fijáos en que hay un interruptor en el medio. Tal y como allí se cuenta es parte del switch de pie y funciona de modo que cuando está cerrado se apaga el LED y cuando está abierto como en el dibujo, el LED se enciende.

Que conste que el anterior dibujo es una representación esquemática. La toma de control del Millenium-2 nunca ha de ir directamente a la salida, sino al switch de pie tal y como se indica en el artículo del ByPass y así evitamos que la resistencia "Pull Down" quede permanentemente conectada al "Out" del efecto. Está representado así sólo para que veáis en donde vá en el flujo lógico de la vía de audio, pero las instrucciones de montaje concretas y cableado de tanto el Millenium-2 como las resistencias "Pull-Down" y los switches se indican allí.

Ya funciona pero hace un "clack" cuando conmuto el efecto

Otro "clasico" de los efectos caseros. Ante todo releed el artículo del ByPass. En él se habla de este problema y se dá la solución más típica que es la conocida de los "Pull Down Resistors". Si aún tras esto no se arregla el asunto probablemente tendremos una avería en el condensador de salida del efecto. Si queremos investigarlo podremos ver si hay corriente contínua a la salida del efecto. Ese condensador está ahí precisamente para evitarla y si encontramos alguna componente contínua tras ese condensador casi seguro que tendrá fugas y lo mejor será reemplazarlo por otro. Mucho ojo con los electrolíticos en esta función que suelen pecar de fugas más que los condensadores de otros tipos. También se puede producir con el condensador de entrada e incluso con alguno de los de acoplo entre etapas. Probad con un voltímetro digital para localizar las posibles fugas de contínua.

Si aún así suena el chasquido, probad con una resistencia "Pull Down" de menor valor. Algunos diseños indican resistencias de 2.2M o superiores. Normalmente irán bien pero puede darse el caso de que con una resistencia tan alta no dé tiempo suficiente de descargar el condensador a masa. Es fácil saberlo: si conmutáis deprisa y suena el ruido pero sin embargo no suena cuando tardáis unos cuantos segundos en conmutar, ahí tenéis el problema. Probad con una resistencia de valor menor. Yo suelo recomendar 1M como valor ideal pero podéis bajar hasta 470K sin demasiados problemas o incluso algo menos. De todos modos recomiendo no bajar de 1M si no es necesario.

Otra posible fuente de ruidos es es propio switch. Normalmente estos switches están diseñados para alta tensión (110V-230V y varios amperios) y no se comportan adecuadamente para tensiones tan bajas. Los de mejor calidad, como los "Carling" no nos darán problemas pero los asiáticos tipo "Miyama" suelen pecar mucho de esto. A veces llevan unos lubricantes internos que impiden la conmutación a baja tensión y a corrientes de miliamperios que son las que usamos en estos efectos. Si sospecháis que os pueda estar pasando, abrid el conmutador y eliminad el lubricante. A veces he conseguido arreglarlo de este modo. Abriendo con mucho cuidado las solapas metálicas podremos acceder al interior, limpiarlo todo y volver a cerrar.

He hecho todo lo anterior y aún tengo problemas

Los métodos anteriores no son demasiado "científicos". Siempre se puede depurar todo a base de métodos más complejos como análisis por osciloscopios o simplemente tomando medidas con un polímetro si se sabe qué es lo que hay que esperar obtener. En la web Guitar Effects Debugging Page tenéis descritos puntos de medida y valores que debéis esperar.


Lo he probado todo... no funciona... esto no es lo mío!

Se aconseja obrar de la siguiente manera:    Megontóloquesemenea... cagondiórocoronao   y luego dedicarse a otra cosa. A practicar con la guitarra, por ejemplo. Esto, definitivamente, no es lo tuyo.

Alternativamente hay otra solución. Bastante buena, por cierto: thundertomate.com a grandes males.....



Kilroy was here
©Piso-tones Ltd. Calambres | guitarristas.org